Sign In
Upload
Download
Table of Contents
Contents
Add to my manuals
Delete from my manuals
Share
URL of this page:
HTML Link:
Bookmark this page
Add
Manual will be automatically added to "My Manuals"
Print this page
×
Bookmark added
×
Added to my manuals
Manuals
Brands
Sanyo Manuals
DVD VCR Combo
HV-DX1E
Service manual
Scart(Jack) Circuit Diagram - Sanyo Hv-Dx1E Service Manual
Hide thumbs
Also See for HV-DX1E
:
Instruction manual
(40 pages)
1
2
3
4
5
6
7
8
9
10
11
12
13
14
15
16
17
18
19
20
21
22
23
24
25
26
27
28
29
30
31
32
33
34
35
36
37
38
39
40
41
42
43
44
45
46
47
48
49
50
51
52
53
54
55
56
57
58
59
60
61
62
63
64
65
66
67
68
69
70
71
72
73
74
75
76
77
78
79
80
81
82
83
84
85
86
87
88
89
90
91
92
93
94
95
96
97
98
99
100
101
102
103
104
105
106
107
108
109
110
111
112
113
114
115
116
117
118
119
120
121
122
123
124
125
126
127
128
129
130
page
of
130
Go
/
130
Contents
Table of Contents
Troubleshooting
Bookmarks
Table of Contents
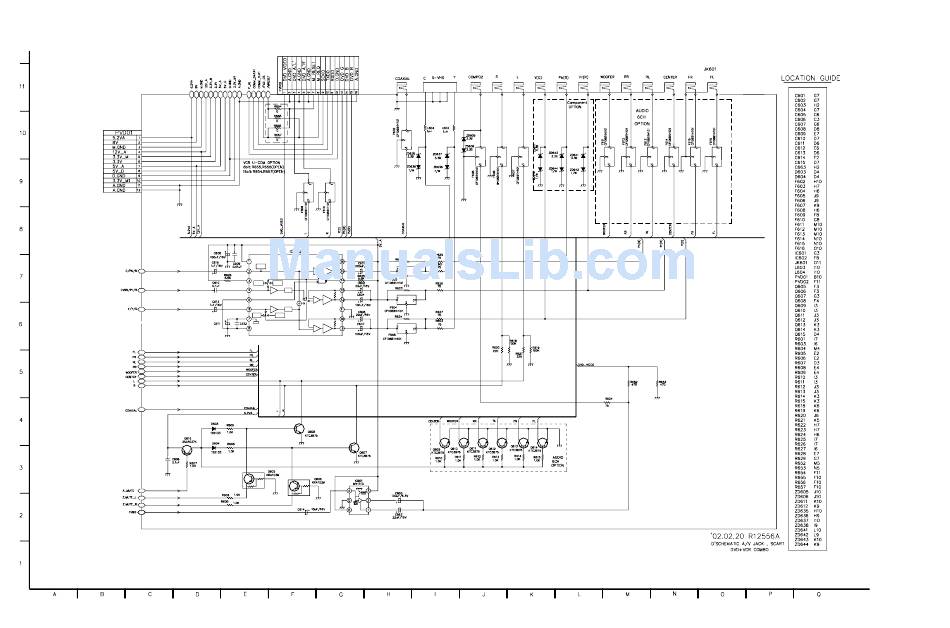
6. SCART(JACK) CIRCUIT DIAGRAM
3-74
3-75
Table of
Contents
Previous
Page
Next
Page
1
...
56
57
58
59
60
61
62
63
Show Quick Links
Quick Links:
Power(Smps) Circuit
Hide quick links:
Permanently
Temporary
Cancel
Chapters
Section 3 Electrical
11
Section 4 Mechanism of VCR Part
66
Section 1 Summary
89
Section 5 Mechanism
97
Table of Contents
Troubleshooting
ELECTRICAL TROUBLESHOOTING GUIDE
14
DVD PART
42
Need help?
Do you have a question about the HV-DX1E and is the answer not in the manual?
Ask a question
Go to Questions and Answers
Related Manuals for Sanyo HV-DX1E
DVD VCR Combo Sanyo HV-DX1E Instruction Manual
Dvd player + video cassette recorder (40 pages)
DVD VCR Combo Sanyo HV-DX300A Instruction Manual
Dvd player + video cassette recorder (34 pages)
DVD VCR Combo Sanyo HV-DX300A Service Manual
Sanyo dvd player + video cassette recorder (63 pages)
DVD VCR Combo Sanyo HV-DX3E Instruction Manual
Dvd player + video cassette recorder (64 pages)
DVD VCR Combo Sanyo HV-DX3E Service Manual
(55 pages)
DVD VCR Combo Sanyo HVR-DX625 Instruction Manual
Sanyo dvd recorder+vcr instruction manual (61 pages)
DVD VCR Combo Sanyo HVR-DX610 Instruction Manual
(66 pages)
DVD VCR Combo Sanyo FWZV475F Owner's Manual
Dvd recorder/vcr line-in recording (no tuner) (96 pages)
DVD VCR Combo Sanyo FWZV475F Quick Start
Dvd recorder/vcr line-in recording (no tuner) (2 pages)
DVD VCR Combo Sanyo DVW-7200 Instruction Manual
Dvd player & video cassette recorder (44 pages)
DVD VCR Combo Sanyo DVR-V100E User Manual
Dvd recorder + vcr (62 pages)
DVD VCR Combo Sanyo FWDV225F Owner's Manual
Dvd player/vcr with line-in recording (28 pages)
DVD VCR Combo Sanyo DVC-2500 Instruction Manual
Dvd player + video cassette recorder (38 pages)
DVD VCR Combo Sanyo DVC-2600 Instruction Manual
Dvd player + video cassette recorder (36 pages)
DVD VCR Combo SANYO DVC-2000 Instruction Manual
Dvd player + video cassette recorder (38 pages)
DVD VCR Combo Sanyo FWDV225F Quick Start
(2 pages)
Related Content for Sanyo HV-DX1E
HV-DX3E Circuit Diagram
Sanyo HV-DX3E
HV-DX300A Circuit Diagram
Sanyo HV-DX300A
FWZV475F Connecting To A Tv With An S-Video Input Jack
Sanyo FWZV475F
HV-DX3E 2Nd Scart Socket
Sanyo HV-DX3E
DVR-V100E Circuit Diagram
Sanyo DVR-V100E
This manual is also suitable for:
Hv-dx1sp
Hv-dx1ev
143 187 02
143 187 03
143 187 04
Table of Contents
Print
Rename the bookmark
Delete bookmark?
Delete from my manuals?
Login
Sign In
OR
Sign in with Facebook
Sign in with Google
Upload manual
Upload from disk
Upload from URL
Need help?
Do you have a question about the HV-DX1E and is the answer not in the manual?