JVC KD-G151 Service Manual page 33

Hide thumbs Also See for KD-G151:
Table of Contents
Q Q
3 7 6 3 1 5 1 5 0
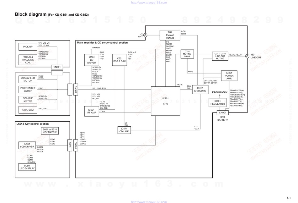
Block diagram
(For KD-G151 and KD-G152)
VF1, VF2, VT1
VT2, LD, MD
PICK UP
TRACKING+,
TRACKING-
FOCUS+,
FOCUS &
FOCUS-
TRACKING
COIL
CN001
FEED+
LOAD&FEED
FEED-
MOTOR
POSITION SET
PSW
SWITCH
SPINDLE+
T E
SPINDLE
L
1 3 9 4 2 2 9 6 5 1 3
SPINDLE-
MOTOR
SW1, SW2
SW1, SW2
LCD & Key control section
S601 to S618
KEY MATRIX
KEY0
KEY1
IC601
KEY2
LCD DRIVER
LCDCL
LCDDA
LCDCE
COM1
COM2
COM3
S1 to S52
LCD1
LCD DISPLAY
w w w
.
http://www.xiaoyu163.com
Main amplifier & CD servo control section
LM,MSW
DMO
BUS0 to 3
FOO
BUCK
FMO
CCE
IC561
IC521
TRO
RST
CD
DSP & DAC
DRIVER
SPINDLE+
SPINDLE-
FEED+
FEED-
TRACKING+
TRACKING-
FOCUS+
FOCUS-
SW1, SW2, PSW
VF1, VF2
VT1, VT2
MD, LD
FE, TE
RFGC, RF
RFRP, RFDC
SEL, TEB
IC501
CDRW
RF AMP
LO
RO
IC571
CD L.P.F.
KEY0
KEY1
KEY2
LCDCL
LCDDA
LCDCE
x
a o
u 1 6 3
y
i
http://www.xiaoyu163.com
8
9
L-CH
TU1
J1
R-CH
FM/AM
ANT
TUNER
IFC
FM/AM
SK/STOP
SD/ST
MONO
Q781
AFCK
MUTING
SK/ST1
DRIVE
OSC
AMEO
FMEO
MUTE
MUTE
SDA
SCL
E.VOLUME
Q
Q
3
7
6
3
1
5
IC701
CPU
c o
.
2
4
9
8
Q341, Q351
J301
REARL, REARR
LINE OUT
LINE OUT
MUTING
IC301
POWER
AMP.
OUTLF, OUTLR
OUTRF, OUTRR
IC161
FRONT LEFT (+)
EACH BLOCK
FRONT LEFT (-)
FRONT RIGHT (+)
FRONT RIGHT (-)
1
5
0
8
9
2
4
9
REAR LEFT (+)
IC901
REAR LEFT (-)
REGULATOR
REAR RIGHT (+)
REAR RIGHT (-)
CN901
SPK
BATTERY
CD.L
CD.R
m
2
9
9
8
2
9
9
2-1

Hide quick links:

Table of Contents
loading
Need help?

Need help?

Do you have a question about the KD-G151 and is the answer not in the manual?

This manual is also suitable for:

Kd-g152Kd-s1501

Table of Contents