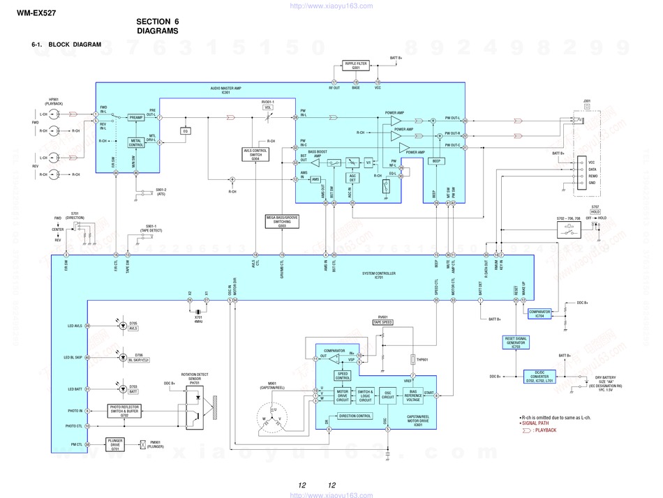
Diagrams; Block Diagram - Sony Wm-Ex527 Service Manual

Hide thumbs Also See for WM-EX527:
Table of Contents

Advertisement

WM-EX527
SECTION 6
Q Q
3 7 6 3 1 5 1 5 0

DIAGRAMS

6-1.

BLOCK DIAGRAM

HP901
(PLAYBACK)
FWD
IN-L
L-CH
1
PREAMP
5
FWD
REV
IN-L
R-CH
R-CH
METAL
R-CH
CONTROL
L-CH
REV
44
46
R-CH
R-CH
S701
FWD
(DIRECTION)
CENTER
(TAPE DETECT)
T E
REV
L
1 3 9 4 2 2 9 6 5 1 3
3
16
13
D705
LED AVLS 39
AVLS
D706
LED BL SKIP 40
BL SKIP/
D703
LED BATT 31
BATT
PHOTO REFLECTOR
PHOTO IN
8
SWITCH & BUFFER
Q702
w w w
PHOTO CTL 10
PLUNGER
PM CTL
38
DRIVE
Q701
AUDIO MASTER AMP
IC301
RV301-1
VOL
PRE
OUT-L
7
EQ
MTL
DRV-L
R-CH
8
AVLS CONTROL
SWITCH
Q304
+
S901-2
R-CH
(ATS)
MEGA BASS/GROOVE
S901-1
18
26
27
5
34
X701
4MHz
ROTATION DETECT
SENSOR
DDC B+
PH701
M901
(CAPSTAN/REEL)
W
x
a o
y
PM901
.
(PLUNGER)
i
http://www.xiaoyu163.com
BATT B+
RIPPLE FILTER
Q301
17
18
19
BASE
VCC
RF OUT
PW
POWER AMP
IN-L
28
POWER AMP
R-CH
PW
IN-C
32
BASS BOOST
BST
AMP
OUT
PW
33
V/I
NF-L
AMS
EQ-L
AGC
R-CH
IN
12
AMS
DET
40
43
35
SWITCHING
Q303
Q
Q
3
7
6
19
4
20
SYSTEM CONTROLLER
IC701
RV601
TAPE SPEED
COMPARATOR
IN+
OUT
10
+
11
VSP
9
SPEED
CONTROL
U
19
MOTOR
SWITCH &
OSC
V
1
DRIVE
LOGIC
CIRCUIT
W
CIRCUIT
CIRCUIT
3
U
DIRECTION CONTROL
V
6
5
u 1 6 3
.
12
12
http://www.xiaoyu163.com
2
4
8
9
9
PW OUT-L
+
20
PW OUT-R
+
22
PW OUT-C
21
POWER AMP
BEEP
29
30
39
41
42
3
1
5
1
5
0
8
9
2
15
36
11
30
14
2
35
33
1
25
12
BATT B+
RESET SIGNAL
GENERATOR
IC703
THP601
7
DDC B+
VREF
BIAS
START
REFERENCE
8
VOLTAGE
CAPSTAN/REEL
R-ch is omitted due to same as L-ch.
m
MOTOR DRIVE
SIGNAL PATH
IC601
c o
2
8
9
9
J301
BATT B+
VCC
DATA
REMO
GND
S707
HOLD
HOLD
S702 – 706, 708
OFF
4
9
8
2
9
9
DDC B+
COMPARATOR
IC704
BATT B+
DC/DC
CONVERTER
DRY BATTERY
D702, IC702, L701
SIZE AA
(IEC DESIGNATION R6)
1PC. 1.5V
: PLAYBACK

Hide quick links:

Advertisement

Table of Contents
loading
Need help?

Need help?

Do you have a question about the WM-EX527 and is the answer not in the manual?

Table of Contents

Save PDF