Schematic Diagram - Diat Amp Board (3/3); Ic108 - Sony Sa-Ts22W Service Manual

Surround speaker system
Table of Contents
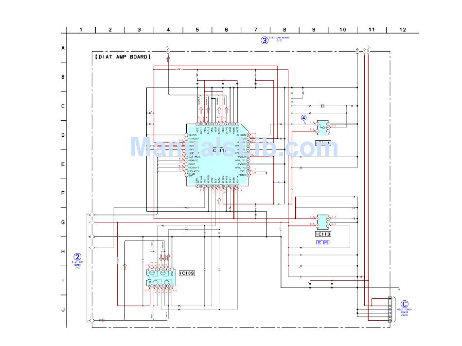
2-5. SCHEMATIC DIAGRAM — DIAT AMP BOARD (3/3) —
B1
B2
B3
B4
(Page 7)
B5
SA-TS22W
• See page 14 for IC Block Diagrams. • See page 4 for Waveforms.
(3/3)
L110
10µH
C196
0.1
C178
47
16V
C173
0.1
C176
0.1
N-MUT
S-MUT
P-MUT
SCDT
SCSHIFT
SCLATCH
R172
100
R163
100
R162
100
L109
C167
10µH
0.1
LEVEL SHIFT
IC109
TC74VHCT08
AFT(EL)
R161
100
R160
100
(Page 8)
L111
L116
10µH
10µH
C179
C202
C187
47
47
0.1
16V
16V
R194
22
C206
0.1
STREAM PROCESSOR
IC111
CXD9788AR
R187
0
C205
0.1
C204
0.1
C195
0.1
R184
C198
0
0.1
C214
100
16V
C175
C172
100p
100p
C171
C174
100p
100p
9
9
C220
L122
10p
1µH
C219
R201
X103
C237
0.001
100
49.152MHz
5p
R200
1M
GND
VDD
IC114
MC74VHC1GU04DFT1
OSC
C233
0.01
C230
22
25V
FB108
C223
0.01
C229
100
16V
IC113
NJM2870F18(TE2)
C234
0.01
VOUT
N.B.
GND
VIN
CONT
+1.8V REGULATOR
R199
100k
C232
0.01
C228
100
10V
C227
C236
0.1
0.1
C225
C226
100
0.1
16V
SA-TS22W
EB101
CNP106
(CHASSIS)
6P
30V
30V
GND
GND
GND
(Page 11)
12V

Hide quick links:

Table of Contents
loading
Need help?

Need help?

Do you have a question about the SA-TS22W and is the answer not in the manual?

Table of Contents