Download Print this page

Circuit Diagram; Switch Section - Makita Bft043F Technical Information

Cordless screwdrivers 14.4v
Hide thumbs Also See for BFT043F:

Advertisement

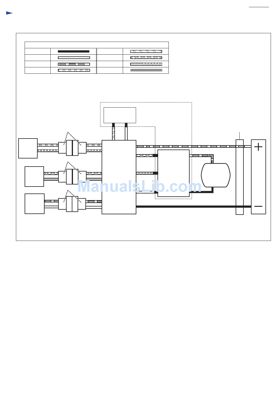
C
ircuit diagram
Fig. D-1
Color index of lead wires' sheath
Black
White
Red
Yellow
Connector
Switch
unit
Connector
LED
circuit
Connector
Buzzer
circuit
Orange
Blue
Purple
Gray
Micro Switch

Switch section

COM NO
Controller
M1
S1
Reverse
S2
DC Motor
switch
(Endbell)
M2
M2
P 12/ 14
Line filter
(in case it is used)
Terminal

Advertisement

loading
Need help?

Need help?

Do you have a question about the BFT043F and is the answer not in the manual?

This manual is also suitable for:

Bft083fBft125f