Sign In
Upload
Download
Table of Contents
Contents
Add to my manuals
Delete from my manuals
Share
URL of this page:
HTML Link:
Bookmark this page
Add
Manual will be automatically added to "My Manuals"
Print this page
×
Bookmark added
×
Added to my manuals
Manuals
Brands
Sony Manuals
CD Player
CD Walkman D-E551
Service manual
Sony D-E551 Service Manual page 16
Compact disc compact player
Hide thumbs
Also See for D-E551
:
Operating instructions
(2 pages)
,
Service manual
(44 pages)
,
Service manual
(4 pages)
1
Table Of Contents
2
3
4
5
6
7
8
9
10
11
12
13
14
15
16
17
18
19
20
21
22
23
24
25
page
of
25
Go
/
25
Contents
Table of Contents
Bookmarks
Table of Contents
Advertisement
QQ
3 7 63 1515 0
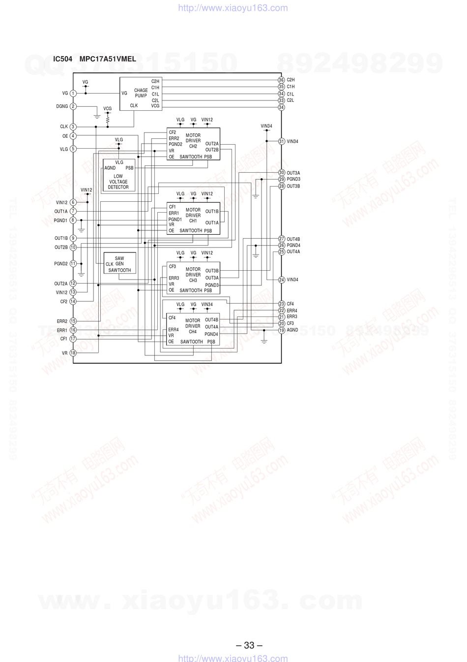
IC504 MPC17A51VMEL
VG
VG
1
DGNG
2
VCG
CLK
3
OE
4
5
VLG
AGND
VOLTAGE
DETECTOR
VIN12
VIN12
6
OUT1A
7
8
PGND1
OUT1B
9
OUT2B
10
PGND2
11
CLK
SAWTOOTH
12
OUT2A
13
VIN12
14
CF2
TE
L 13942296513
ERR2
15
16
ERR1
CF1
17
VR
18
www
.
http://www.xiaoyu163.com
C2H
C1H
CHAGE
VG
C1L
PUMP
C2L
CLK
VCG
VLG
VG
VIN12
CF2
MOTOR
ERR2
VLG
DRIVER
PGND2
CH2
VR
OE
SAWTOOTH
VLG
PSB
LOW
VLG
VG
VIN12
CF1
MOTOR
ERR1
DRIVER
PGND1
CH1
VR
OE
SAWTOOTH PSB
VLG
VG
VIN12
SAW
GEN
CF3
MOTOR
DRIVER
ERR3
CH3
VR
OE
SAWTOOTH PSB
VLG
VG
VIN34
CF4
MOTOR
DRIVER
ERR4
CH4
VR
OE
SAWTOOTH
x
ao
y
i
http://www.xiaoyu163.com
8
36
C2H
35
C1H
34
C1L
C2L
33
34
VIN34
31
VIN34
OUT2A
OUT2B
PSB
30
OUT3A
29
PGND3
28
OUT3B
OUT1B
OUT1A
27
OUT4B
26
PGND4
25
OUT4A
OUT3B
OUT3A
24
VIN34
PGND3
23
CF4
22
ERR4
Q Q
ERR3
21
OUT4B
3
6 7
1 3
20
CF3
OUT4A
AGND
19
PGND4
PSB
u163
.
– 33 –
2 9
9 4
2 8
1 5
0 5
8
2 9
9 4
m
co
9 9
2 8
9 9
Table of
Contents
Previous
Page
Next
Page
1
...
13
14
15
16
17
18
19
20
Show Quick Links
Quick Links:
Table of Contents
Servicing Notes
General
Service Mode
Electrical Adjustments
Diagrams
Schematic Diagram
Hide quick links:
Permanently
Temporary
Cancel
Advertisement
Table of Contents
Need help?
Do you have a question about the D-E551 and is the answer not in the manual?
Ask a question
Go to Questions and Answers
Related Manuals for Sony D-E551
Clock Radio Sony ICF-CD2000 Service Manual
Fm/sw/mw cd clock radio (44 pages)
CD Player Sony D-E551 Service Manual
(4 pages)
CD Player Sony CD Walkman D-E551 Operating Instructions
Sony compact disc compact player operating instructions (2 pages)
CD Player Sony D-E771 Operating Instructions
Compact disc compact player (3 pages)
CD Player Sony D-E771 Operating Instructions (primary manual) Operating Instructions
Cd walkman®: compact disc compact player (2 pages)
CD Player Sony D-E555 Operating Instructions (primary manual) Specifications
Cd walkman: compact disc compact player (2 pages)
CD Player Sony D-E556CK Operating Instructions (primary manual) Specifications
Cd walkman: compact disc compact player (2 pages)
CD Player Sony D-E561 Service Manual
(24 pages)
CD Player Sony D-E565 Operating Instructions
Disc compact player (3 pages)
CD Player Sony D-E525 Operating Instructions
Sony operating instructions compact disc compact player (2 pages)
CD Player Sony D-E525 Operating Instructions
(2 pages)
CD Player SONY D-E505 Operating Instructions
Compact disc compact player (2 pages)
CD Player Sony D-E505 Service Manual
Compact disc compact player (27 pages)
CD Player Sony D-E500 Operating Instructions
Sony cd player operating instructions (2 pages)
CD Player Sony D-E505 Operating Instructions
Sony operating instructions portable cd player (2 pages)
CD Player Sony D-E559CK Service Manual
Compact disc compact player (25 pages)
Related Products for Sony D-E551
Sony D-E565 - Compact Disc Player
Sony D-E561 Primary
Sony D-E554
Sony D-E505
Sony D-E559CK
Sony Walkman D-E445
Sony Walkman D-E356CK
Sony D-E403
Sony Discman D-E305
Sony D-E707
Sony Walkman D-EJ121
Sony D-E925
Sony D-E351SR
Sony D-E223
Sony CD Walkman D-E660
Sony D-E900
This manual is also suitable for:
D-e555
D-e556ck
D-e771
E776ck
Table of Contents
Print
Rename the bookmark
Delete bookmark?
Delete from my manuals?
Login
Sign In
OR
Sign in with Facebook
Sign in with Google
Upload manual
Upload from disk
Upload from URL
Need help?
Do you have a question about the D-E551 and is the answer not in the manual?