
| Circuit system | FM: Superheterodyne AM: Dual conversion superheterodyne |
| Frequency range | FM: 76-108MHz 87.5-108MHz LW: 150-528kHz 150-285kHz MW: 530-1,610K (With the MW CH STEP selector at 10kHz) 531-1.611 kHz (With the MW CH STEP selector at 9kHz) SW: 1,615-26,100kHz 1,615-29,995kHz |
| Antennas | Telescopic antenna (FM/SW) Built-in ferrite bar antenna (MW/LW) |
| Speaker | Approx. 77 mm (31/8 inches) dia. 8 ohms |
| Power output | 400 mw (at 10% harmonic distortion) Recording output jack (minijack) output level 0.775 mV (-60 dB) output impedance 1 kilohm Headphone jack (stereo minijack) for 16 ohm stereo earphones |
| Power requirements | 6 VDC Four R6 (size AA) batteries Supplied AC power adaptor (110, 120, 220 or 240 V AC adjustable, 50/60 Hz) Optional DCC-127A car battery cord for use with 12 V car battery Optional DCC-240 car battery cord for use with 24 V car battery |
| Battery life | Approx. 10 hours of listening for four hours a day at a normal volume, using Sony SUM-3 (NS) batteries |
| Dimensions | Approx. 191.2 x 118 x 32.3 mm (w/h/d) (75/8 x 43/4 x 15/16 inches) including projecting pans and controls |
| Weight | Approx. 615 g (1 lb. 5.7 oz.) including batteries |
| Accessories supplied | Stereo earphones (1), Ear pad (2), AC power adaptor (1, except the model for Oceanian countries), AC plug adaptor (1, except the model for Europe, North America and Oceanian countries), Wave handbook (1), Antenna connector (1), Carrying case (1), Compact antenna (1) |
Design and specifications subject to change without nonce.
SAFETY-RELATED COMPONENT WARNING!!
COMPONENTS IDENTIFIED BY MARK OR DOTTED LINE WITH MARK
ON THE SCHEMATIC DIAGRAMS AND IN THE PARTS LIST ARE CRITICAL TO SAFE OPERATION. REPLACE THESE COMPONENTS WITH SONY PARTS WHOSE PART NUMBERS APPEAR AS SHOWN IN THIS MANUAL OR IN SUPPLEMENTS PUBLISHED BY SONY.
| Direct tuning | Tuning in the station by inputting the frequency of the station directly. |
| Manual tuning | Even if you don't know the frequency of the station, you can tune in the station precisely. |
| Scan tuning | An automatic searching of a station. |
| Preset tuning | Up to 10 stations can be preset for button-touch tuning. |
| Timer standby | The function to receive a desired station at a desired time. |
| Sleep timer | Turning the radio off automatically in 65 minutes |
| Power sources | Three different power sources: internal batteries, house current, car battery. With the supplied AC power adaptor, any AC power source is available. |



Setting the clock while listening to the radio
You cannot set the clock while you are listening to the radio. Be sure to press ON/OFF to turn the radio off and set the clock.
The display when the radio is turned off
The current time is displayed.
Zero second adjustment
If you want to adjust the time exactly to the second with a telephone time signal. proceed as in the following example.
Example: To set to 15:15


To turn off the radio, press ON/OFF.

To improve receiving condition
If you input a wrong frequency
Press FM/EXECUTE or AM/EXECUTE again and input the correct frequency.
If you do not press FM or AM EXECUTE within 5 seconds after you input a frequency
The frequency indication turns to the previous one and you will hear the station of its frequency.
When the frequency near the input frequency is displayed
The frequencies which this radio receives are allocated in the following intervals depending on the broadcast band.
If you input a frequency that does not match these intervals, the frequency just below the one that you input will be tuned in and will be displayed.
| FM | 0.05 or 0.1 MHz | SW | 5 kHz |
| MW | 9 kHz* | LW | 3 kHz |
If TRY AGAIN! indication appears
If you input the frequency outside the frequency range, TRY AGAIN! blinks. When you press FM/EXECUTE or AM/EXECUTE again, this indication will disappear. If you do not press the button, it will disappear after 5 seconds and the frequency ot the previously tuned station will appear.
When the sound is distorted
Normally set SENS to DX, however, when the sound is distorted set it to LOCAL.
When you are listening to the news
Set TONE to NEWS. Human voice will be heard more clearly. When you are listening to music, set it to MUSIC.

To prevent accidental change of the receiving station
Press KEY PROTECT. The mark appears in the display window and all the buttons on the front panel will not work.
To release the KEY PROTECT function, press KEY PROTECT again.
When the station is tuned in
The TUNE indicator lights up.
Frequency band changes continuously
If you keep MANUAL TUNING (+) pressed, the frequency band being tuned in will change from LW to MW, SW, FM and then back to LW.
What is meter band?
SW is devided into 13 bands by the wave length (meter).
Each band is called meter band.

The frequency range and the tuning interval of each broadcast band
| Broadcast band | Frequency range | Frequency allocation | ||
| AM | LW | 150—285 kHz | 3 kHz step*1 | Saudi Arabia |
| 150—528 kHz | Other countries | |||
| MW | 531—1611 kHz | 9 kHz step | ||
| 530—1610 kHz | 10 kHz Step | |||
| SW | 1615—2245 kHz | *2 | ||
| 2250—2550 kHz | 120 meter band | |||
| 3150—3450 kHz | 90 meter band | |||
| 3850—4050 kHz | 75 meter band | |||
| 4700—5100 kHz | 60 meter band | |||
| 5900—6250 kHz | 49 meter band | |||
| 7000—7400 kHz | 41 meter band | |||
| 9400—10000 kHz | 31 meter band | |||
| 11500—12150 kHz | 25 meter band | |||
| 13500—13900 kHz | 21 meter band | |||
| 15000—15700 kHz | 19 meter band | |||
| 17450—18000 kHz | 16 meter band | |||
| 21400—21950 kHz | 13 meter band | |||
| 25600—26100 kHz | 11 meter band | |||
| 26105—29995 kHz | *3 | |||
| FM | 87.50—108.00 MHz | 0.05 MHz step | *4 | |
| 76.00—108.00 MHz | 0.1 MHz step | *5 | ||
*1 Some of the LW stations are not tuned in with the 3 kHz interval. When you try to tune in them, first tune in the frequency near them and then tune in precisely with FINE TUNING.
*2 These frequencies can be tuned in either by direct tuning or manual tuning but cannot be selected by pressing both BAND and MANUAL TUNING.
*3 Except for Saudi Arabia
*4 France, Germany, Switzerland, Scandinavian countries and Saudi Arabia
&5 Countries other than *4
When scanning stops too often
Set SENS to LOCAL.


e.g. To preset FM 89.0 MHz on the button 1
The number of the stations you can preset
Up to 10 FM and AM stations in total can be preset on the PRESET/DIRECT TUNING buttons. You can store only one station on each button.

To check the preset station
Press PRESET/DIRECT TUNING while pressing BAND. The frequency ot the preset station is displayed. You can check anytime even if another station is tuned in.
To change the preset station
Store a station on a desired PRESET/DIRECT TUNING button. The station previously stored on the button is erased.
This radio receives the station at the interval of frequency shown in the list. To receive a station whose frequency does not coincide with this interval, it is necessary to adjust the tuning in approx. ± 5 kHz range by FINE TUNING. In this case, the frequency display will not change.
| Position | Broadcast type |
| NORM | fine tuning does not operate in this position |
| FINE | For LW/MW/SW reception (DSB, Double side band) |
| LSB*1 | For ham and CW reception (below 10 MHz) |
| USB*2 | For ham and business radio reception (above 10 MHz |
*1 Lower side band
*2 Upper side band
SSB (Single side band)
SSB is very popular among ham and business radio and will be found on ail of the amateur bands because of its signal intelligibility. This results from that it transmits signals with half bandwidth of DSB (Double side band).
Typical AM (MW, LW, SW) band uses DSB. In DSB transmission, the amplitude of a carrier is modulated according to transmitted frequencies as shown below.

USB: Upper side band
LSB: Lower side band
Audio signals are included both in USB and LSB. These signals included in IJSB and LSB are the same ones except that they are in the opposite phase relation. This means that transmission can be done using only one of IJSB and LSB. SSB transmission is the system in which such a method is used. In general, SSB transmissions up to 10 MHz shall employ LSB modulation, and those above this frequency shall use USB. To receive SSB transmission, the unit with the BFO (Beat Frequency Oscillator) circuits is needed to convert SSB Signals into audio Signals. SSB cannot be heard with the radio which has no such circuits.
CW (Continuous wave)
CW is also popular among ham and business radio. In CW transmission, the amplitude of a carrier is not modulated while that of other systems is modulated. CW conveys information by interrupting a carrier using Morse code. It can be heard as a beat sound only with the unit equipped with the BFO circuits. To understand information transmitted by CW, you need to learn the Morse code.
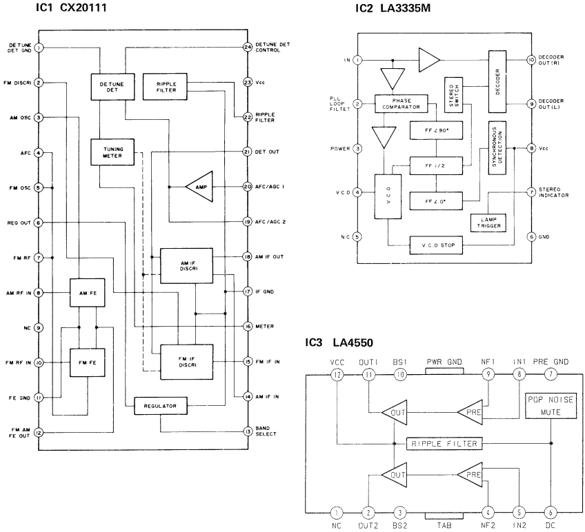
OUTLINE OF THE C-MOS DIGITAL-TUNING SYSTEM IC201, μPD1715G-558-22 OR μPD1715G-569-22
| BAND | SCAN RANGE | CHANNEL SEPARATION | NOMINAL SPACING |
| LW | 150kHz - 285 kHz | 3kHz | 3kHz |
| 150kHz - 528 kHz | |||
| MW | 531kHz - 1611 kHz | 9kHz | 3kHz |
| 530kHz - 1610 kHz | 10kHz | 5kHz | |
| SW *1 *2 | 1615kHz - 2245kHz | 5kHz | 5kHz |
| 2250kHz - 2550 kHz | 5kHz | 5kHz | |
| 3150 kHz 3450kHz | 5kHz | 5kHz | |
| 3850kHz - 4050kHz | 5kHz | 5kHz | |
| 4700kHz - 5100kHz | 5kHz | 5kHz | |
| 5900kHz - 6250kHz | 5kHz | 5kHz | |
| 7000kHz - 7400 kHz | 5kHz | 5 kHz | |
| 9400kHz - 10000 kHz | 5kHz | 5kHz | |
| 11500kHz - 12150kHz | 5kHz | 5kHz | |
| 13500kHz - 13900kHz | 5kHz | 5kHz | |
| 15000kHz - 15700kHz | 5kHz | 5kHz | |
| 17450kHz - 18000kHz | 5kHz | 5kHz | |
| 21400kHz - 21950kHz | 5kHz | 5kHz | |
| 25600kHz - 26100 kHz | 5kHz | 5kHz | |
| 26105kHz - 29995kHz | 5kHz | 5kHz | |
| FM | 76.00MHz - 108.00MHz | 100kHz | 12.5kHz |
| 87.50MHz - 108.00MHz | 50kHz | 12.5kHz |
Note: Either direct or manual selection is feasible for *1 frequency range or meter band, but BAND SELECT key is inoperative.
Able to scan.
*2 range, but unable to receive during in up/down mode.
Note:
L CH: Frequency the now receiving.
1: 1 step


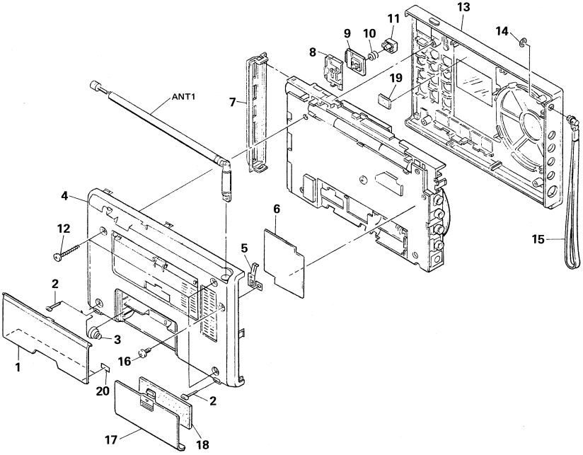
Note: Follow the disassembly procedure in the numerical order given.

REAR CABINET

How to turn the power ON/OFF.

Adjustment Location:

Test Point Location:
| Setup: | |
| Setup: VOLUME control: | as required |
| AM Mode: | NORMAL |

Procedure:
| Setup: | |
| VOLUME control: | as required |
| AM Mode: | NORMAL |
| SENS: | DX |

Procedure:
Setup:
VOLUME control: as required

Procedure:
Setup:
VOLUME control: as required

Procedure:
| Setup: | |
| VOLUME control: | as required |
| SENS: | DX |

Procedure:




Note:
![]() | parts extracted from the component side. |
| — | parts extracted from the conductor side. |
![]() | parts mounted on the conductor side. |
![]() | indicates side identified with part number. |
![]() | Through hole. |
![]() | Pattern on the side which is gen. |
![]() | Pattern of the rear side. |
See above for IC Block Diagrams.

Note:
NOTE:
The components identified by mark or dotted line with mark are critical for safety.
Replace only with part number specified.

| No. | Part No. | Description |
| 1 | 3-893-839-01 | STAND |
| 2 | 3-893-846-01 | FOOT, RUBBER |
| 3 | 3-893-845-01 | TERMINAL (PLUS MINUS), BATTERY |
| 4 | 3-893-859-01 | CABINET (REAR) |
| 5 | 3-893-840-01 | PLATE (ANTENNA), CONTACT |
| 6 | 9-911-838-XX | SHEET (A) |
| 7 | 3-893-847-01 | (EXCEPT Saudi Arabia) - COVER |
| 3-893-847-11 | (Saudi Arabia) - COVER | |
| 8 | 3-893-835-01 | RETAINER |
| 9 | 3-893-835-01 | KNOB (LOCK) |
| 10 | 3-893-862-01 | SPRING, COMPRESSION |
| 11 | 3-893-829-01 | BUTTON (POWER) |
| 12 | 7-685-552-19 | SCREW +BTP 3X25 TYPE2 N-S |
| 13 | A-3641-614-A | (West Germany) - CABINET (FRONT) ASSY |
| A-3641-615-A | (EXCEPT West Germany, Italian) - CABINET (FRONT) ASSY | |
| A-3641-661-A | (Italian) - CABINET (FRONT) ASSY | |
| 14 | 7-624-104-04 | STOP RING 2.0, TYPE -E |
| 15 | 3-881-938-00 | STRAP, HAND |
| 16 | 4-924-242-11 | SCREW (M3X6), FLAT HEAD |
| 17 | 3-893-838-01 | LID, BATTERY CASE |
| 18 | 9-911-844-XX | CUSHION (BATTERY CASE LID) |
| 19 | 9-911-815-01 | CUSHION, DRUM |
| 20 | *3-893-875-01 | CUSHION (D) |
| ANTI | 1-501-376-11 | ANTENNA, TELESCOPIC |

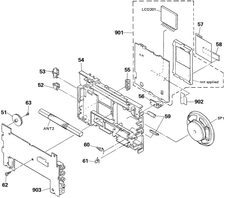
| No. | Part No. | Description |
| 51 | 3-893-830-01 | KNOB (FINE TUNING) |
| 52 | 3-893-832-01 | KNOB (TONE) |
| 53 | 3-893-831-01 | KNOB (MODE) |
| 54 | *3-893-858-01 | CHASSIS |
| 55 | 3-893-834-01 | KNOB (VOL) |
| 56 | 3-893-833-01 | KNOB (SENS) |
| 57 | *3-893-863-01 | SHEET (C) |
| 58 | 3-893-865-01 | CUSHION (A) |
| 59 | 9-911-844-XX | CUSHION (B) |
| 60 | 3-893-844-01 | TERMINAL (MINUS), BATTERY |
| 61 | 3-893-843-01 | TERMINAL (PLUS), BATTERY |
| 62 | 7-685-646-79 | SCREW +BTP 3X8 TYPE2 N-S |
| 63 | 3-703-816-12 | SCREW(M1.4X4.0), SPECIAL HEAD |
| 901 | *A-3679-169-A | (EXCEPT Italian)..MOUNTED PCB, KEY |
| *A-3679-185-A | (Italian) MOUNTED PCB, KEY | |
| 902 | 1-633-097-11 | PC BOARD, FLEXIBLE |
| 903 | *A-3615-341-A | (West Germany) - MOUNTED PCB, MAIN |
| *A-3615-342-A | (EXCEPT West Germany, Saudi Arabia) - MOUNTED PCB, MAIN | |
| *A-3615-373-A | (Saudi Arabia) - MOUNTED PCB, MAIN | |
| ANT2 | 1-402-479-11 | ANTENNA, FERRITE-ROD (LW/MW) |
| LCD201 | 1-808-920-11 | DISPLAY PANEL, LIQUID CRYSTAL |
| SP1 | 1-502-631-00 | SPEAKER |
NOTE:
CAPACITORS:
MF: μF, PF: μμF.
RESISTORS
COILS
SEMICONDUCTORS
In each case, U: μ, for example:
UA..: μA.., UPA..: μPA.. UPC..: μPC, UPD..: μPD..
The components identified by mark or dotted line with mark are critical for safety.
Replace only with part number specified.





| ACCESSORY & PACKING MATERIAL | |
| (UK) - ADAPTOR, AC | |
| (EXCEPT US, Canadian, UK, Australian) - ADAPTOR, AC (AC-240) | |
| (US) - ADAPTOR, AC (AC-D4M) | |
| (Canadian) - ADAPTOR,AC (AC-240) | |
| (E, Saudi Arabia) - ADAPTOR, CONVERSION | |
| 1-506-443-00 | (EXCEPT West Germany. Italian) - ADAPTOR, PLUG |
| 3-751-155-11 | (AEP-TYPE1, 2, UK, French, E, Australian) - MANUAL, INSTRUCTION |
| 3-751-155-21 | (US Canadian) - MANUAL, INSTRUCTION |
| 3-751-155-41 | (AEP-TYPE1, 2) - MANUAL, INSTRUCTION |
| 3-751-155-51 | (Saudi Arabia) - MANUAL, INSTRUCTION |
| 3-751-155-61 | (West Germany) - MANUAL, INSTRUCTION |
| 3-751-155-71 | (Italian) - MANUAL, INSTRUCTION |
| 3-887-285 -09 | (Saudi Arabia) - GUIDE 800K, RADIO WAVE |
| 3-893-802-06 | (EXCEPT Saudi Arabia) - BOOK, GUIDE, WAVE |
| *3-893-814-01 | CUSHION (UPPER) |
| *3-893-815-01 | (EXCEPT US. Australian) - CUSHION (LOWER) |
| *3-893-815-11 | (US, Australian) - CUSHION (LOWER) |
| *3-893-816-01 | INDIVIDUAL CARTON (BODY) |
| *3-893-817-01 | INDIVIDUAL CARTON (LID) |
| *3-893-819-01 | CASE, ACCESSORY |
| 3-893-861-01 | CASE, CARRYING |
| 8-953-314-90 | HEADPHONE MDR-E757 SET |
| A-3604-156-A | ANTENNA ASSY (AN-61), COMPACT |
| X-3329-657-1 | ATTACHMENT |
The components identified by mark or dotted line with mark are critical for safety.
Replace only with part number specified.
Here you can download full pdf version of manual, it may contain additional safety instructions, warranty information, FCC rules, etc.
Download Sony ICF-SW7600 Manual
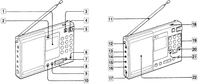
button
LOCAL(FM/AM sensitivity) selector
(headphones) jack
(external power input) jack








of S223 (Power Lock) switch by adhesive tape.
: adjustment for repair.
Need help?
Do you have a question about the ICF-SW7600 and is the answer not in the manual?
Questions and answers