Asus ROG STRIX B650E-F GAMING WIFI Manual
Contents
- 1 Motherboard Layout
- 2 Step 1: Install the CPU
- 3 Step 2: Install the CPU fan
- 4 Step 3: Install memory modules
- 5 Step 4: Install storage devices
- 6 Step 5: Install expansion card(s)
- 7 Step 6: Install the system panel connector
- 8 Step 7: Install ATX power connectors
- 9 Step 8: Connect input/output devices
- 10 Step 9: Power on the system and install operating system and drivers
- 11 Download manual
- 12 In Other Languages

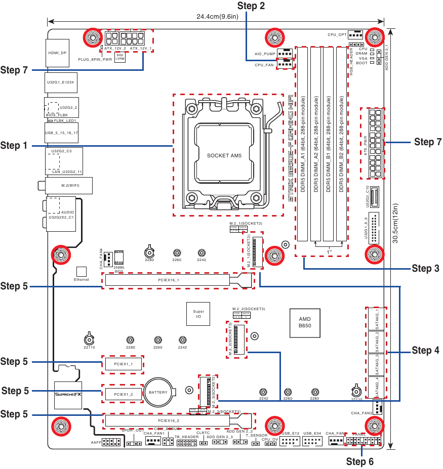
Motherboard Layout

Step 1: Install the CPU

Step 2: Install the CPU fan

Step 3: Install memory modules

Step 4: Install storage devices
To install M.2, refer to user guide.
Step 5: Install expansion card(s)

Step 6: Install the system panel connector

Step 7: Install ATX power connectors

Step 8: Connect input/output devices

Step 9: Power on the system and install operating system and drivers
Download manual
Here you can download full pdf version of manual, it may contain additional safety instructions, warranty information, FCC rules, etc.
Download Asus ROG STRIX B650E-F GAMING WIFI Manual
Need help?
Do you have a question about the ROG STRIX B650E-F GAMING WIFI and is the answer not in the manual?