Asus PRIME H770-PLUS Manual
![]()
Conventions used in this guide
To ensure that you perform certain tasks properly, take note of the following symbols used throughout this user guide.
![]()
Information to prevent damage to the components and injuries to yourself when trying to complete a task.
![]()
Instructions that you MUST follow to complete a task.
NOTE:
Tips and additional information to help you complete a task.
Package contents
Check your motherboard package for the following items.
| Motherboard | 1 x PRIME H770-PLUS motherboard |
| Cables | 2 x SATA 6Gb/s cables |
| Miscellaneous | 1 x I/O Shield 1 x M.2 Rubber Package 2 x Screw Packages for M.2 SSD |
| Documentation | 1 x User guide |
NOTE:
If any of the above items is damaged or missing, contact your retailer.
PRIME H770-PLUS specifications summary
| CPU | Intel® Socket LGA1700 for 13th Gen Intel® Core™ & 12th Gen Intel® Core™, Pentium® Gold and Celeron® Processors* Supports Intel® Turbo Boost Technology 2.0 and Intel® Turbo Boost Max Technology 3.0** * Refer to www.asus.com for CPU support list. ** Intel® Turbo Boost Max Technology 3.0 support depends on the CPU types. |
| Chipset | Intel® H770 Chipset |
| Memory | 4 x DIMM slots, Max. 192GB, DDR5 Non-ECC, Un-buffered Memory* Dual Channel Memory Architecture Supports Intel® Extreme Memory Profile (XMP) OptiMem II * Supported memory types, data rate (speed), and number of DRAM modules vary depending on the CPU and memory configuration, for more information please refer to CPU/Memory Support list under the Support tab of product information site or visit https://www.asus.com/support/. * Non-ECC, un-buffered DDR5 memory supports On-Die ECC function. |
| Graphics | 1 x DisplayPort** 1 x HDMI™ port*** * Graphics specifications may vary between CPU types. Please refer to www.intel.com for any updates. ** Supports max. 4K@60Hz as specified in DisplayPort 1.4. *** Supports 4K@60Hz as specified in HDMI 2.1. |
| Expansion Slots | Intel® 13th &12th Gen Processors* 1 x PCIe 5.0 x16 slot Intel® H770 Chipset 2 x PCIe 4.0 x16 slots (support x4 mode) 2 x PCIe 3.0 x1 slots * Please check the PCIe bifurcation table on the support site (https://www.asus.com/support/FAQ/1037507/). Note: To ensure compatibility of the device installed, please refer to https://www.asus.com/support/ for the list of supported peripherals. |
| Storage | Total supports 3 x M.2 slots and 4 x SATA 6Gb/s ports* Intel® 13th &12th Gen Processors M.2_1 slot (Key M), type 2242/2260/2280 (supports PCIe 4.0 x4 mode) |
Intel® H770 Chipset M.2_2 slot (Key M), type 2242/2260/2280/22110 (supports PCIe 4.0 x4 mode) M.2_3 slot (Key M), type 2242/2260/2280 (supports PCIe 4.0 x4 & SATA modes) 4 x SATA 6Gb/s ports * Intel® Rapid Storage Technology supports PCIe RAID 0/1/5/10, SATA RAID 0/1/5/10. |
| Ethernet | 1 x Realtek 2.5Gb Ethernet |
| Wireless & Bluetooth® | Vertical M.2 slot only (Key E, CNVi & PCIe)* * Wi-Fi module is sold separately. |
| USB | Rear USB (Total 8 ports) 3 x USB 3.2 Gen 2 (10G) ports (2 x Type-A + 1 x USB Type-C®) 3 x USB 3.2 Gen 1 (5G) ports (3 x Type-A) 2 x USB 2.0 ports (2 x Type-A) Front USB (Total 7 ports) 2 x USB 3.2 Gen 1 (5G) headers support 4 additional USB 3.2 Gen 1 ports 2 x USB 2.0 headers support 3 additional USB 2.0 ports |
| Audio | Realtek 7.1 Surround Sound High Definition Audio CODEC* - Supports: Jack detection, Multi-streaming, Front Panel Jack-retasking
- Supports up to 24-Bit/192kHz playback
Audio Features - Audio Shielding
- Premium audio capacitors
- Dedicated audio PCB layers
* A chassis with an HD audio module in the front panel is required to support 7.1 Surround Sound audio output. |
| Back Panel I/O Ports | 3 x USB 3.2 Gen 2 (10G) ports (2 x Type-A + 1 x USB Type-C®) 3 x USB 3.2 Gen 1 (5G) ports (3 x Type-A) 2 x USB 2.0 ports (2 x Type-A) 1 x DisplayPort 1 x HDMI™ port 1 x Vertical M.2 slot (Key E) 1 x Realtek 2.5Gb Ethernet port 3 x Audio jacks |
| Internal I/O Connectors | Fan and Cooling related 1 x 4-pin CPU Fan header 1 x 4-pin AIO Pump header 3 x 4-pin Chassis Fan headers Power related 1 x 24-pin Main Power connector 1 x 8-pin +12V Power connector Storage related 3 x M.2 slots (Key M) 4 x SATA 6Gb/s ports USB 2 x USB 3.2 Gen 1 (5G) headers support 4 additional USB 3.2 Gen 1 ports 2 x USB 2.0 headers support 3 additional USB 2.0 ports Miscellaneous 3 x Addressable Gen 2 headers 2 x Aura RGB headers 1 x Clear CMOS header 1 x COM Port header 1 x Front Panel Audio header (AAFP) 1 x S/PDIF Out header 1 x SPI TPM header (14-1pin) 1 x 20-3 pin System Panel header with Chassis intrude function 1 x Thunderbolt™ (USB4®) header |
| Special Features | ASUS 5X PROTECTION III - DIGI+ VRM
- LANGuard
- Overvoltage Protection
- SafeSlot Core+
- Stainless-Steel Back I/O
ASUS Q-Design ASUS Thermal Solution - M.2 heatsink
- VRM heatsink design
ASUS EZ DIY Aura Sync - Aura RGB headers
- Addressable Gen 2 headers
|
| Software Features | ASUS Exclusive Software Armoury Crate - Aura Creator
- Aura Sync
- Fan Xpert 2+
- Power Saving
- Two-Way AI Noise Cancellation
AI Suite 3 ASUS CPU-Z Norton 360 Deluxe (60 Days Free Trial) WinRAR UEFI BIOS ASUS EZ DIY - ASUS CrashFree BIOS 3
- ASUS EZ Flash 3
- ASUS UEFI BIOS EZ Mode
|
| BIOS | 192 (128+64) Mb Flash ROM, UEFI AMI BIOS |
| Manageability | WOL by PME, PXE |
| Operating System | Windows® 11, Windows® 10 64-bit |
| Form Factor | ATX Form Factor 12 inch x 9.6 inch (30.5 cm x 24.4 cm) |
NOTE:
- Specifications are subject to change without notice. Please refer to the ASUS website for the latest specifications.
- For more information on downloading and installing drivers and utilities for your motherboard, please scan the code below:
![]()
Product Introduction
Before you proceed
Take note of the following precautions before you install motherboard components or change any motherboard settings.
![]()
- Unplug the power cord from the wall socket before touching any component.
- Before handling components, use a grounded wrist strap or touch a safely grounded object or a metal object, such as the power supply case, to avoid damaging them due to static electricity.
- Hold components by the edges to avoid touching the ICs on them.
- Whenever you uninstall any component, place it on a grounded antistatic pad or in the bag that came with the component.
- Before you install or remove any component, ensure that the ATX power supply is switched off or the power cord is detached from the power supply. Failure to do so may cause severe damage to the motherboard, peripherals, or components.
NOTE:
- The pin definitions in this chapter are for reference only. The pin names depend on the location of the header/jumper/connector.
- For more information on installing your motherboard, please scan the code below:
![]()
Motherboard overview
![Asus - PRIME H770-PLUS - Overview - Part 1 - Motherboard Overview - Part 1 - Motherboard]()
![]()
Unplug the power cord before installing or removing the motherboard. Failure to do so can cause you physical injury and damage motherboard components.
Layout contents
- CPU socket
The motherboard comes with a LGA1700 socket designed for 13th Gen Intel® Core™ & 12th Gen Intel® Core™, Pentium® Gold and Celeron® Processors.
NOTE:
For more details, refer to Central Processing Unit (CPU). - DDR5 DIMM slots
The motherboard comes with Dual Inline Memory Modules (DIMM) slots designed for DDR5 (Double Data Rate 5) memory modules.
NOTE:
For more details, refer to System memory. - Expansion slots
This motherboard supports three PCIe x16 graphics cards and two PCIe 3.0 x1 network cards, SCSI cards or other cards that comply with the PCI Express specification.
PCIe bifurcation & M.2 settings in PCIe x16 slot (from CPU) | Slot Description | Quantity of identifiable M.2 SSD (pcs) |
| Situation 1 | Situation 2 |
| PCIEX16(G5) | 1 (x16)* | 2 (x8+x8)** |
| * Install an M.2 SSD card to the M.2_1 or M.2_3 slot on the Hyper M.2 X16 series card. |
| ** Install two M.2 SSD cards to the M.2_1 and M.2_3 slots on the Hyper M.2 X16 series card. |
NOTE:
- Additional PCIe bifurcation and M.2 settings for RAID function are also supported when a Hyper M.2 x16 series card is installed.
- For full details on the PCIe bifurcation, you may visit the support site at https://www.asus.com/support/FAQ/1037507/.
- The Hyper M.2 x16 series card is sold separately.
- Adjust the PCIe bifurcation under BIOS settings.
- Fan headers
The Fan headers allow you to connect fans to cool the system.
| Header | Max. Current | Max. Power | Default Speed | Shared Control |
| CPU_FAN | 1A | 12W | Q-Fan Controlled | - |
| CHA_FAN1 | 1A | 12W | Q-Fan Controlled | - |
| CHA_FAN2 | 1A | 12W | Q-Fan Controlled | - |
| CHA_FAN3 | 1A | 12W | Q-Fan Controlled | - |
| AIO_PUMP | 1A | 12W | Full-Speed | - |
- Power connectors
These Power connectors allow you to connect your motherboard to a power supply. The power supply plugs are designed to fit in only one orientation. Find the proper orientation and push down firmly until the power supply plugs are fully inserted.
![]()
Ensure to connect the 8-pin power plug.
NOTE: - We recommend that you use a PSU with a higher power output when configuring a system with more power-consuming devices. The system may become unstable or may not boot up if the power is inadequate.
- If you want to use two or more high-end PCI Express x16 cards, use a PSU with 1000W power or above to ensure the system stability.
- M.2 slots (Key M)
The M.2 slots allow you to install M.2 devices such as M.2 SSD modules.
- Intel® 13th & 12th Gen Processors
M.2_1 slot (Key M), type 2242/2260/2280 (supports PCIe 4.0 x4 mode) - Intel® H770 Chipset
M.2_2 slot (Key M), type 2242/2260/2280/22110 (supports PCIe 4.0 x4 mode)
M.2_3 slot (Key M), type 2242/2260/2280 (supports PCIe 4.0 x4 & SATA modes)
- SATA 6Gb/s ports
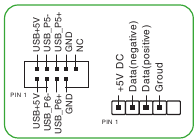
The SATA 6Gb/s ports allow you to connect SATA devices such as optical disc drives and hard disk drives via SATA cables. - USB 3.2 Gen 1 headers
The USB 3.2 Gen 1 headers allow you to connect USB 3.2 Gen 1 modules for additional USB 3.2 Gen 1 ports. The USB 3.2 Gen 1 headers provide data transfer speeds of up to 5 Gb/s.
![]()
NOTE:
The USB 3.2 Gen 1 module is purchased separately. - USB 2.0 headers
The USB 2.0 headers allow you to connect USB modules for additional USB 2.0 ports. The USB 2.0 headers provide data transfer speeds of up to 480 Mb/s.
![]()
![]()
DO NOT connect a 1394 cable to the USB connectors. Doing so will damage the motherboard!
NOTE:
The USB 2.0 module is purchased separately. - Addressable Gen 2 headers
The Addressable Gen 2 headers allow you to connect individually addressable RGB WS2812B LED strips or WS2812B based LED strips.
![]()
![]()
The Addressable Gen 2 headers support WS2812B addressable RGB LED strips (5V/Data/Ground), with a maximum power rating of 3A (5V), and the addressable headers on this board can handle a combined maximum of 500 LEDs.
![]()
Before you install or remove any component, ensure that the power supply is switched off or the power cord is detached from the power supply. Failure to do so may cause severe damage to the motherboard, peripherals, or components.
NOTE: - Actual lighting and color will vary with LED strip.
- If your LED strip does not light up, check if the addressable RGB LED strip is connected in the correct orientation, and the 5V connector is aligned with the 5V header on the motherboard.
- The addressable RGB LED strip will only light up when the system is powered on.
- The addressable RGB LED strip is purchased separately.
- Aura RGB headers
The Aura RGB headers allow you to connect RGB LED strips.
![]()
![]()
The Aura RGB headers support 5050 RGB multi-color LED strips (12V/G/R/B), with a maximum power rating of 3A (12V), and no longer than 3m.
![]()
Before you install or remove any component, ensure that the ATX power supply is switched off or the power cord is detached from the power supply. Failure to do so may cause severe damage to the motherboard, peripherals, or components.
NOTE: - Actual lighting and color will vary with LED strip.
- If your LED strip does not light up, check if the RGB LED extension cable and the RGB LED strip are connected in the correct orientation, and the 12V connector is aligned with the 12V header on the motherboard.
- The LED strip will only light up when the system is powered on.
- The LED strip is purchased separately.
- Clear CMOS header
The Clear CMOS header allows you to clear the Real Time Clock (RTC) RAM in the CMOS, which contains the date, time, system passwords, and system setup parameters.
![]()
To erase the RTC RAM: - Turn OFF the computer and unplug the power cord.
- Short-circuit pin 1-2 with a metal object or jumper cap for about 5-10 seconds.
- Plug the power cord and turn ON the computer.
- Hold down the <Del> key during the boot process and enter BIOS setup to re-enter data.
![]()
DO NOT short-circuit the pins except when clearing the RTC RAM. Short-circuiting or placing a jumper cap will cause system boot failure!
NOTE:
If the steps above do not help, remove the onboard button cell battery and short the two pins again to clear the CMOS RTC RAM data. After clearing the CMOS, reinstall the button cell battery.
- COM Port header
The COM (Serial) Port header allows you to connect a COM port module. Connect the COM port module cable to this header, then install the module to a slot opening on the system chassis.
![]()
NOTE:
The COM port module is purchased separately. - Front Panel Audio header
The Front Panel Audio header is for a chassis-mounted front panel audio I/O module that supports HD Audio. Connect one end of the front panel audio I/O module cable to this header.
![]()
![]()
We recommend that you connect a high-definition front panel audio module to this header to avail of the motherboard's high-definition audio capability. - S/PDIF Out header
The S/PDIF Out header allows you to connect the Sony/Philips Digital Interface (S/PDIF) Out module.
![]()
NOTE:
The S/PDIF module is purchased separately. - SPI TPM header
This header supports a Trusted Platform Module (TPM) system with a Serial Peripheral Interface (SPI), allowing you to securely store keys, digital certificates, passwords, and data. A TPM system also helps enhance network security, protects digital identities, and ensures platform integrity.
![]()
NOTE:
The TPM module is purchased separately. - System Panel header
This header supports several chassis-mounted functions.
- System Power LED header (PLED)
The 2-pin and/or 3-1 pin headers allow you to connect the System Power LED. The System Power LED lights up when the system is connected to a power source, or when you turn on the system power, and blinks when the system is in sleep mode. - Storage Device Activity LED header (HDD_LED)
The 2-pin header allows you to connect the Storage Device Activity LED. The Storage Device Activity LED lights up or blinks when data is read from or written to the storage device or storage device add-on card. - System Warning Speaker header (SPEAKER)
The 4-pin header allows you to connect the chassis-mounted system warning speaker. The speaker allows you to hear system beeps and warnings. - Power Button/Soft-off Button header (PWRSW)
The 2-pin header allows you to connect the system power button. Press the power button to power up the system, or put the system into sleep or soft-off mode (depending on the operating system settings). - Reset button header (RESET)
The 2-pin header allows you to connect the chassis-mounted reset button. Press the reset button to reboot the system. - Chassis intrusion header (CHASSIS)
The 2-pin header allows you to connect the chassis-mounted intrusion detection sensor or switch. The chassis intrusion sensor or switch sends a high-level signal to the header when a chassis component is removed or replaced, the signal is then generated as a chassis intrusion event.
- Thunderbolt™ (USB4®) header
The Thunderbolt™ (USB4®) header allows you to connect an add-on card that supports Intel®'s Thunderbolt™ Technology or USB4® function.
![]()
NOTE: - The add-on card is purchased separately.
- Please visit the official website of your purchased addon card for more details on compatibility.
![]()
The add-on card can only be used when installed to the PCIEX16(G4)_2 slot. Ensure to install your add-on card to the PCIEX16(G4)_2 slot.
Rear panel connectors
![Asus - PRIME H770-PLUS - Overview - Part 2 - Rear panel connectors Overview - Part 2 - Rear panel connectors]()
- USB 2.0 ports. These Universal Serial Bus (USB) ports are for USB 2.0 devices.
- USB 3.2 Gen 1 (up to 5Gbps) ports. These Universal Serial Bus (USB) ports connect to USB 3.2 Gen 1 devices.
- 2.5Gb Ethernet port. This port allows 2.5Gbps Ethernet connection to a Local Area Network (LAN) through a network hub. Refer to the table one the next page for the Ethernet port LED indications.
Realtek 2.5Gb Ethernet port LED indications
| Status | Description |
| Activity Link LED |
| OFF | No link |
| GREEN | Linked |
| BLINKING | Data activity |
| Speed LED |
| OFF | No link |
| GREEN | 2.5 Gbps connection |
| ORANGE | 1 Gbps / 100 Mbps / 10 Mbps connection |
- Line In port (light blue). This port connects the tape, CD, DVD player, or other audio sources.
- Line Out port (lime). This port connects a headphone or a speaker. In 4-channel, 5.1-channel, and 7.1-channel configurations, the function of this port becomes Front Speaker Out.
- HDMI™ port. This port is for a High-Definition Multimedia Interface (HDMI™) connector, and is HDCP compliant allowing playback of HD DVD, Blu-ray, and other protected content.
- DisplayPort. This port is for a DisplayPort-compatible device.
- USB 3.2 Gen 2 (up to 10Gbps) port (USB Type-C®). This Universal Serial Bus 3.2 (USB 3.2) port is for USB 3.2 Gen 2 Type-C® devices.
- USB 3.2 Gen 2 (up to 10Gbps) ports (teal blue, Type-A). These Universal Serial Bus 3.2 (USB 3.2) ports are for USB 3.2 Gen 2 devices.
- Vertical M.2 slot (Key E). The vertical M.2 slot (Key E) allows you to install an M.2 Wi-Fi module.
NOTE:
The M.2 Wi-Fi module is purchased separately. - Microphone port (pink). This port connects a microphone.
NOTE:
Refer to the audio configuration table below for the function of the audio ports in 2, 4, 5.1, or 7.1-channel configuration.
Audio 2, 4, 5.1 or 7.1-channel configuration
| Port | 2-channel | 4-channel | 5.1-channel | 7.1-channel |
Light Blue (Rear panel) | - | Rear Speaker Out | Rear Speaker Out | Rear Speaker Out |
Lime (Rear panel) | Front Speaker Out | Front Speaker Out | Front Speaker Out | Front Speaker Out |
Pink (Rear panel) | - | - | Center/Subwoofer | Center/Subwoofer |
Lime (Front panel) | - | - | - | Side Speaker Out |
Pink (Front panel) | - | - | - | - |
NOTE:
To configure a 7.1-channel audio output:
Use a chassis with HD audio module in the front panel to support a 7.1-channel audio output.
Central Processing Unit (CPU)
This motherboard comes with a LGA1700 socket designed for 13th Gen Intel® Core™ &12th Gen Intel® Core™, Pentium® Gold and Celeron® Processors.
![]()
![]()
Unplug all power cables before installing the CPU.
![]()
- Ensure that you install the correct CPU designed for LGA1700 socket only. DO NOT install a CPU designed for LGA1155, LGA1156, LGA1151, and LGA1200 sockets on the LGA1700 socket.
- ASUS will not cover damages resulting from incorrect CPU installation/removal, incorrect CPU orientation/placement, or other damages resulting from negligence by the user.
Installing the CPU
![Asus - PRIME H770-PLUS - Installing the CPU - Step 1 Installing the CPU - Step 1]()
![]()
Take caution when lifting the load lever, ensure to hold onto the load lever when releasing the load lever. Letting go of the load lever immediately after releasing it may cause the load lever to spring back and cause damage to your motherboard.
![Asus - PRIME H770-PLUS - Installing the CPU - Step 2 Installing the CPU - Step 2]()
System memory
This motherboard comes with four Dual Inline Memory Modules (DIMM) slots designed for DDR5 (Double Data Rate 5) memory modules. The figure illustrates the location of the DDR5 DIMM sockets:
![]()
| Channel | Sockets |
| Channel A | DIMM_A1 & DIMM_A2 |
| Channel B | DIMM_B1 & DIMM_B2 |
![]()
A DDR5 memory module is notched differently from a DDR, DDR2, DDR3, or DDR4 module. DO NOT install a DDR, DDR2, DDR3, or DDR4 memory module to the DDR5 slot.
![]()
- You may install varying memory sizes in Channel A and Channel B. The system maps the total size of the lower-sized channel for the dual-channel configuration. Any excess memory from the higher-sized channel is then mapped for single-channel operation.
- You may install 8 GB, 16 GB, 24 GB, 32 GB, and 48 GB unbuffered and non-ECC DDR5 DIMMs into the DIMM sockets.
NOTE:
- The default memory operation frequency is dependent on its Serial Presence Detect (SPD), which is the standard way of accessing information from a memory module. Under the default state, some memory modules for overclocking may operate at a lower frequency than the vendor-marked value.
- For system stability, use a more efficient memory cooling system to support a full memory load.
- Always install DIMMs with the same CAS latency. For optimal compatibility, we recommend that you install memory modules of the same version or date code (D/C) from the same vendor. Check with the retailer to get the correct memory modules.
- Supported memory types, data rate (speed), and number of DRAM modules vary depending on the CPU and memory configuration, for more information please refer to CPU/Memory Support list under the Support tab of product information site or visit https://www.asus.com/support/.
Recommended memory configurations
![Asus - PRIME H770-PLUS - Recommended memory configurations Recommended memory configurations]()
Installing a DIMM
![Asus - PRIME H770-PLUS - Installing a DIMM Installing a DIMM]()
To remove a DIMM
![Asus - PRIME H770-PLUS - To remove a DIMM To remove a DIMM]()
M.2 installation
![Asus - PRIME H770-PLUS - M.2 installation M.2 installation]()
NOTE:
- Ensure to install the bundled M.2 rubber pad before installing your single sided M.2 storage device.
- DO NOT install the bundled M.2 rubber pads when installing a double-sided M.2 storage device. The rubber pad installed by default is compatible with double sided M.2 storage devices.
- The diagrams in this section is for reference only.
- The M.2 storage devices are purchased separately.
BIOS and RAID Support
Knowing BIOS
NOTE:
The new ASUS UEFI BIOS is a Unified Extensible Interface that complies with UEFI architecture, offering a user-friendly interface that goes beyond the traditional keyboardonly BIOS controls to enable a more flexible and convenient mouse input. You can easily navigate the new UEFI BIOS with the same smoothness as your operating system. The term "BIOS" in this user manual refers to "UEFI BIOS" unless otherwise specified.
BIOS (Basic Input and Output System) stores system hardware settings such as storage device configuration, overclocking settings, advanced power management, and boot device configuration that are needed for system startup in the motherboard CMOS. In normal circumstances, the default BIOS settings apply to most conditions to ensure optimal performance. DO NOT change the default BIOS settings except in the following circumstances:
- An error message appears on the screen during the system bootup and requests you to run the BIOS Setup.
- You have installed a new system component that requires further BIOS settings or update.
![]()
Inappropriate BIOS settings may result to instability or boot failure. We strongly recommend that you change the BIOS settings only with the help of a trained service personnel.
NOTE:
BIOS settings and options may vary due to different BIOS release versions. Please refer to the latest BIOS version for settings and options.
![]()
For more information on BIOS configurations, please refer to https://www.asus.com/support, or download the BIOS manual by scanning the code.
![]()
BIOS Setup program
Use the BIOS Setup to update the BIOS or configure its parameters. The BIOS screens include navigation keys and brief onscreen help to guide you in using the BIOS Setup program.
Entering BIOS at startup
To enter BIOS Setup at startup, press <Delete> or <F2> during the Power-On Self Test (POST). If you do not press <Delete> or <F2>, POST continues with its routines.
Entering BIOS Setup after POST
To enter BIOS Setup after POST:
- Press <Ctrl>+<Alt>+<Delete> simultaneously.
- Press the reset button on the system chassis.
- Press the power button to turn the system off then back on. Do this option only if you failed to enter BIOS Setup using the first two options.
After doing either of the three options, press <Delete> key to enter BIOS.
![]()
- Ensure that a USB mouse is connected to your motherboard if you want to use the mouse to control the BIOS setup program.
- If the system becomes unstable after changing any BIOS setting, load the default settings to ensure system compatibility and stability. Select the Load Optimized Defaults item under the Exit menu or press hotkey <F5>.
- If the system fails to boot after changing any BIOS setting, try to clear the CMOS and reset the motherboard to the default value.
- The BIOS setup program does not support Bluetooth devices.
BIOS menu screen
The BIOS Setup program can be used under two modes: EZ Mode and Advanced Mode. You can change modes from Setup Mode in Boot menu or by pressing the <F7> hotkey.
ASUS EZ Flash 3
The ASUS EZ Flash 3 feature allows you to update the BIOS without using an OS-based utility.
![]()
Ensure to load the BIOS default settings to ensure system compatibility and stability. Select the Load Optimized Defaults item under the Exit menu or press hotkey <F5>.
To update the BIOS:
![]()
- This function can support devices such as a USB flash disk with FAT 32/16 format and single partition only.
- DO NOT shut down or reset the system while updating the BIOS to prevent system boot failure!
- Insert the USB flash disk that contains the latest BIOS file to the USB port.
- Enter the Advanced Mode of the BIOS setup program. Go to the Tool menu to select ASUS EZ Flash 3 Utility and press <Enter>.
- Press the Left/Right arrow keys to switch to the Drive field.
- Press the Up/Down arrow keys to find the USB flash disk that contains the latest BIOS, and then press <Enter>.
- Press the Left/Right arrow keys to switch to the Folder field.
- Press the Up/Down arrow keys to find the BIOS file, and then press <Enter> to perform the BIOS update process. Reboot the system when the update process is done.
ASUS CrashFree BIOS 3
The ASUS CrashFree BIOS 3 utility is an auto recovery tool that allows you to restore the BIOS file when it fails or gets corrupted during the updating process. You can restore a corrupted BIOS file using a USB flash drive that contains the BIOS file.
Recovering the BIOS
- Download the latest BIOS version for this motherboard from https://www.asus.com/support/.
- Rename the BIOS file as ASUS.CAP or PH770P.CAP and copy the renamed BIOS file to a USB flash drive.
- Turn on the system.
- Insert the USB flash drive containing the BIOS file to a USB port.
- The utility automatically checks the devices for the BIOS file. When found, the utility reads the BIOS file and enters ASUS EZ Flash 3 automatically.
- The system requires you to enter BIOS Setup to recover the BIOS setting. To ensure system compatibility and stability, we recommend that you press <F5> to load default BIOS values.
![]()
DO NOT shut down or reset the system while updating the BIOS! Doing so can cause system boot failure!
RAID configurations
The motherboard comes with the Intel® Rapid Storage Technology that supports RAID 0, RAID 1, RAID 5 and RAID 10 configuration.
![]()
For more information on configuring your RAID sets, please refer to the RAID Configuration Guide which you can find at https://www.asus.com/support, or by scanning the code.
![]()
RAID definitions
RAID 0 (Data striping) optimizes two identical hard disk drives to read and write data in parallel, interleaved stacks. Two hard disks perform the same work as a single drive but at a sustained data transfer rate, double that of a single disk alone, thus improving data access and storage. Use of two new identical hard disk drives is required for this setup.
RAID 1 (Data mirroring) copies and maintains an identical image of data from one drive to a second drive. If one drive fails, the disk array management software directs all applications to the surviving drive as it contains a complete copy of the data in the other drive. This RAID configuration provides data protection and increases fault tolerance to the entire system. Use two new drives or use an existing drive and a new drive for this setup. The new drive must be of the same size or larger than the existing drive.
RAID 5 stripes both data and parity information across three or more hard disk drives. Among the advantages of RAID 5 configuration include better HDD performance, fault tolerance, and higher storage capacity. The RAID 5 configuration is best suited for transaction processing, relational database applications, enterprise resource planning, and other business systems. Use a minimum of three identical hard disk drives for this setup.
RAID 10 is data striping and data mirroring combined without parity (redundancy data) having to be calculated and written. With the RAID 10 configuration you get all the benefits of both RAID 0 and RAID 1 configurations. Use four new hard disk drives or use an existing drive and three new drives for this setup.
Electrical safety
- To prevent electrical shock hazard, disconnect the power cable from the electrical outlet before relocating the system.
- When adding or removing devices to or from the system, ensure that the power cables for the devices are unplugged before the signal cables are connected. If possible, disconnect all power cables from the existing system before you add a device.
- Before connecting or removing signal cables from the motherboard, ensure that all power cables are unplugged.
- Seek professional assistance before using an adapter or extension cord. These devices could interrupt the grounding circuit.
- Ensure that your power supply is set to the correct voltage in your area. If you are not sure about the voltage of the electrical outlet you are using, contact your local power company.
- If the power supply is broken, do not try to fix it by yourself. Contact a qualified service technician or your retailer.
Operation safety
- Before installing the motherboard and adding components, carefully read all the manuals that came with the package.
- Before using the product, ensure all cables are correctly connected and the power cables are not damaged. If you detect any damage, contact your dealer immediately.
- To avoid short circuits, keep paper clips, screws, and staples away from connectors, slots, sockets and circuitry.
- Avoid dust, humidity, and temperature extremes. Do not place the product in any area where it may become wet.
- Place the product on a stable surface.
- If you encounter technical problems with the product, contact a qualified service technician or your retailer.
- Your motherboard should only be used in environments with ambient temperatures between 0°C and 40°C.
Button/Coin Batteries Safety Information
![]()
KEEP OUT OF REACH OF CHILDREN
Swallowing can lead to chemical burns, perforation of soft tissue, and death. Severe burns can occur within 2 hours of ingestion. Seek medical attention immediately.
Where to find more information
Refer to the following sources for additional information and for product and software updates.
- ASUS website
The ASUS website (www.asus.com) provides updated information on ASUS hardware and software products. - Optional documentation
Your product package may include optional documentation, such as warranty flyers, that may have been added by your dealer. These documents are not part of the standard package.
References
Download manual
Here you can download full pdf version of manual, it may contain additional safety instructions, warranty information, FCC rules, etc.
Download Asus PRIME H770-PLUS Manual
Available languages
Need help?
Do you have a question about the PRIME H770-PLUS and is the answer not in the manual?