Acer XF250Q Manual
- 1 Attaching the monitor to the base
- 2 Connecting Your Monitor to a Computer
- 3 External Controls
- 4 Adjusting the OSD settings
- 5 Turning Mode on or off
- 6 Adjusting the Brightness setting
- 7 Adjusting the Volume
- 8 Selecting the Input
- 9 The Function page
- 10 Picture
- 11 Color
- 12 Audio
- 13 Gaming
- 14 OSD
- 15 System
- 16 Product information
- 17 Standard timing table
- 18 SPECIFICATION
- 19 Important safety instructions
- 20 Download manual
- 21 In Other Languages

Attaching the monitor to the base
- Remove the monitor from the packaging.
- Attach the foot stand to the base. (for selected models)
- Turn clockwise to lock. Ensure that the base is locked onto the stand. (for selected models)
- Secure the base to the stand by turning the screw using the integrated tab or a suitable coin. (for selected models)
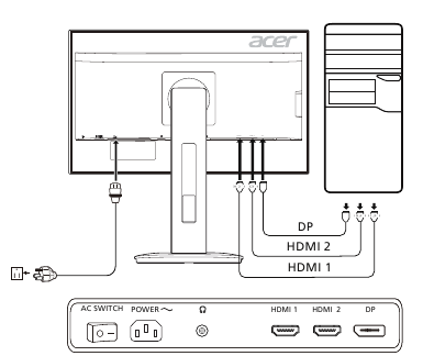
Connecting Your Monitor to a Computer

- Turn off your monitor and unplug your computer's power cord.
-
- Connect HDMI Cable
- Make sure both the monitor and computer are powered- OFF.
- Connect the HDMI cable to the computer.
- Connect DP Cable
- Make sure both the monitor and computer are powered- OFF.
- Connect the DP cable to the computer.
- Connect HDMI Cable
- Insert the monitor power cable into the power port at the back of the monitor.
- Plug the power cords of your computer and your monitor into a nearby electrical outlet.
External Controls

| No. | Icon | Item | Description |
| 1, 2 | ![]() | Power button/ indicator | Turns the monitor on/off. Blue indicates power on. Amber indicates standby/ power saving mode. |
| 3 | ![]() | OSD functions | Press to view the OSD. Press again to enter a selection in the OSD. |
| 4 | ![]() | Input button | Press to toggle input sources. |
| 5 | ![]() | Volume button | Press to activate the volume sliding scale. |
| 6 | ![]() | Brightness | Press the key to open the Brightness control and set it to your preferred level. |
| 7 | ![]() | Mode | Press to activate the Mode menu. |
Adjusting the OSD settings
NOTE: The following content is for general reference only. Actual product specifications may vary. The OSD (on-screen display) can be used to adjust the settings of your LCD monitor. Press the MENU key to open the OSD. You can use the OSD to adjust the picture quality, OSD position and general settings. For advanced settings, please refer to the following pages:
Main page

- Mode
- Brightness
- Volume
- Input selection
- Function menu
Turning Mode on or off

Open the Mode control and turn Mode on or off using the arrows (OFF/ON), and select which user-defined profile to use (please see the OSD section for more information).
Adjusting the Brightness setting

Open the Brightness control and select your preferred brightness setting using the arrows. When you are done, use
to go back one level.
Adjusting the Volume

Open the Volume control and set the volume using the arrows. When you are done, use
to go back one level.
Selecting the Input

Open the Input control and select an available input source. When you are done, use
to go back one level.
The Function page
Open the Function page to select a menu function, and adjust the settings which you want using the arrows. You can also view your monitor's system information from this page. When you are done, use
to go back one level.
Picture

- Press the MENU key to open the OSD.
- Using the▲/▼ keys, select Picture from the OSD. Then navigate to the setting you wish to adjust.
- Use the / keys to adjust the sliding scales.
- Brightness: Adjust the brightness from 0 to 100.
NOTE: Adjusts the balance between light and dark shades.
- Contrast: Adjust the contrast from 0 to 100.
NOTE: Sets the degree of difference between light and dark areas.
- Black Boost: This boosts the amplitude of the dark color levels of the display– blacks will be less black. The higher the level, the higher the boost.
- Blue Light: Filters out blue light to protect your eyes by adjusting how much blue light is shown -- 80%, 70%, 60%, or 50%.
NOTE: Higher values allow more blue light through. For the best protection, select a lower value.
- ACM: Turn ACM on or off. The default is off.
- Super Sharpness technology can simulate high-resolution images by boosting the pixel density of the original source. It can make images sharper and clear.
Color

- Press the MENU key to open the OSD.
- Using the▲/▼ keys, select Color from the OSD. Then navigate to the setting you wish to adjust.
- Use the / keys to select the setting.
- Gamma mode allows you to adjust the luminance tone. The default value is 2.2 (standard value for Windows).
- Color temperature: Default is warm. You can choose Cool, Warm, Normal, Bluelight, or User.
- sRGB mode is for getting better color matching representation with the peripheral device, such as DSCs or printers.
- 6-axis Hue: Adjust the red, green, blue, yellow, magenta and cyan hue.
- 6-axis Saturate: Adjust the red, green, blue, yellow, magenta and cyan saturation.
Audio

- Press the MENU key to open the OSD.
- Using the▲/▼ keys, select Audio from the OSD. Then navigate to the setting you wish to adjust.
- Use the / keys to adjust any sliding scales.
- Volume: Adjust the volume.
Gaming

- Press the MENU key to open the OSD.
- Using the▲/▼ keys, select Gaming from the OSD. Then navigate to the setting you wish to adjust.
- Use the / keys to adjust any sliding scales.
- Over Drive: Select Off, Normal, or Extreme.
Note:
- If FreeSync is "ON", then the Over Drive selection is set to "Normal" automatically
- If FreeSync is "OFF", then the user can set Over Drive to either one of the three settings including:
- Extreme
- Normal
- Off
- Aim point: Show an Aim point on the screen for shooting games.
OSD

- Press the MENU key to open the OSD.
- Using the▲/▼ keys, select OSD from the OSD. Then navigate to the setting you wish to adjust.
- Use the / keys to adjust any sliding scales.
- Language: Set the OSD menu language.
- OSD Timeout: Adjust the delay before turning off the OSD menu.
- Transparency: Select the transparency when using gaming mode. The transparency can be 0% (OFF), 20%, 40%, 60%, or 80%.
- Refresh Rate Num: Display the panel's current refresh rate on the screen.
System

- Press the MENU key to open the OSD.
- Using the▲/▼ keys, select System from the OSD. Then navigate to the setting you wish to adjust.
- Use the / keys to select the setting.
- Input: Select the source from an available input source.
- Auto Source: Automatically searches for available input sources.
- DP Format: You can select which DP format you are using. The default is set at DP1.2.
- Wide Mode: You can select which screen aspect you are using. The options are Full, Aspect and 1:1.
- Hot Key Assignment: Select the function of Hot Key 1 or Hot Key 2.
- DDC/CI: Allows the monitor settings to be set through the software on the PC.
NOTE: DDC/CI, short for Display Data Channel/Command Interface, allows monitor controls to be sent via software.
- HDMI Black Level: You can select the level of blackness under HDMI source. The options are Normal and Low.
- Quick Start Mode: Enable monitor rapidly.
Product information

- Press the MENU key to open the OSD.
- Using the▲/▼ keys, select Information to view the basic information for your monitor and current input.
- Reset All Settings: Reset all settings to the factory defaults.
Standard timing table
| Mode | Resolution | Remark | |
| 1 | 640 x 480 | 60 Hz | |
| 2 | 640 x 480 | 66.66 Hz | |
| 3 | 720 x 400 | 70 Hz | |
| 4 | 800 x 600 | 56 Hz | |
| 5 | 800 x 600 | 60 Hz | |
| 6 | 1024 x 768 | 60 Hz | |
| 7 | 1024 x 768 | 70 Hz | |
| 8 | 1152 x 864 | 75 Hz | |
| 9 | 1280 x 1024 | 60 Hz | |
| 10 | 1280 x 720 | 60 Hz | |
| 11 | 1280 x 800 | 60 Hz | |
| 12 | 1440 x 900 | 60 Hz | |
| 13 | 1680 x 1050 | 60 Hz | |
| 14 | 1920 x 1080 | 60 Hz | |
| 15 | 1920 x 1080 | 85 Hz | |
| 16 | 1920 x 1080 | 120 Hz | |
| 17 | 1920 x 1080 | 144 Hz | Only for DP Input |
SPECIFICATION
| LCD Panel | Driving System | TFT Color LCD | |
| Size | 24.5"W (62 cm) | ||
| Pixel Pitch | 0.2832 mm (H) x 0.2802 mm (V) | ||
| Brightness | 400 cd/m2 (Typical) | ||
| Contrast | 100000000:1 Max (ACM) | ||
| Viewable Angle | 170° (H) 160° (V) (CR=10) | ||
| Response Time | 1 ms (G to G); 0.5 ms (G to G, Min.) | ||
| Panel Type | TN | ||
| H-Frequency | HDMI 1.4: 30 - 140 kHz DP: 167 - 167 kHz | ||
| V-Frequency | HDMI 1.4: 56 - 120 Hz DP: 40 - 144 Hz HDMI 1.4: 40 - 120 Hz (FreeSync On) DP: 40 - 144 Hz (FreeSync On) | ||
| Display Colors | 16.7 million | ||
| Dot Clock | HDMI 1.4: 285.5 MHz DP: 346.5 MHz | ||
| Maximum Resolution | HDMI 1.4: 1920 x 1080 @ 120 Hz DP: 1920 x 1080 @ 144 Hz | ||
| Plug & Play | VESA DDCCI/DDC2B | ||
| Energy Efficiency Class | A | ||
| *Annual Energy Consumption | 29 (kWh) (for HDMI-input Model) | ||
| Power Consumption (at 300 nits) | On Mode | 18.53 W (Typical) | |
| Sleep Mode | 0.29 W (Typical) | ||
| Off Mode | 0.19 W (Typical) | ||
| Input Connector | HDMI 19 pin (Only HDMI-Input Model) DP 20 pin | ||
| Input Video Signal | HDMI signal DP signal | ||
| Speakers | 2 W x 2 (Optional) | ||
| Maximum Screen Size | Horizontal: 543.744 mm Vertical: 302.616 mm | ||
| Power Source | 100-240 V, 50/60 Hz | ||
| Environmental Considerations | Operating Temp: 0° to 40°C Storage Temp: -20° to 60°C Operating Humidity: 20% to 80% | ||
| Dimensions | 557.9 (W) x 378.1 ~ 528.1 (H) x 244.1 (D) mm | ||
| Weight (N. W.) | 6.27 kg (net) | ||
| Mechanism Specifications | Tilt: -5° to +35° (Only at the highest point can 35 degrees of recline be offered for the angle of elevation) Swivel: -60° to +60° Height adjustment: 0 mm to 150 mm Pivot: -90° to 90° Detachable foot stand: Yes (Detachable foot stand with screw release) | ||
| External Controls | Switch/Buttons | Power Button MENU/ENTER Input | Volume Brightness Mode |
| Functions | Brightness Contrast Black Boost Blue Light ACM Super Sharpness Gamma Color Temperature sRGB Mode 6-axis Hue 6-axis Saturate Volume Over Drive Aim Point | Language OSD Timeout Transparency Refresh Rate Num Input Auto Source DP Format Wide Mode Hot Key Assignment DDC/CI HDMI Black Level Quick Start Mode Display Information Reset All Settings | |
| All specifications are subject to change without notice. | |||
*Annual energy consumption is calculated using the typical power consumption 4 hours per day, 365 days per year.
Important safety instructions
Please read the following instructions carefully.
- To clean the LCD monitor screen: Be sure that your monitor is electrically rated to operate with the AC power available in your location.
- Turn off the LCD monitor and unplug the power cord.
- Spray a non-solvent cleaning solution onto a rag and clean the screen gently.
- NEVER SPRAY OR POUR ANY LIQUID DIRECTLY ONTO THE SCREEN OR CASE.
- PLEASE DO NOT USE ANY AMMONIA OR ALCOHOL-BASED CLEANERS ON THE LCD DISPLAY SCREEN OR CASE.
- Acer will not be liable for damage resulting from use of any ammonia or alcohol-based cleaners.
- Do not place the LCD monitor near a window. Exposing the monitor to rain, moisture or sunlight can severely damage it.
- Do not apply pressure to the LCD screen. Excessive pressure may cause permanent damage to the display.
- Do not remove the cover or attempt to service this unit yourself. An authorized technician should perform servicing of any nature.
- Store the LCD monitor in a room with a temperature of -20° to 60°C (-4° to 140°F). Storing the LCD monitor outside this range may result in permanent damage.
- Immediately unplug your monitor and call an authorized technician if any of the following circumstances occur:
- Monitor-to-PC signal cable is frayed or damaged.
- Liquid spills onto the LCD monitor or the monitor is exposed to rain.
- The LCD monitor or case is damaged.
Download manual
Here you can download full pdf version of manual, it may contain additional safety instructions, warranty information, FCC rules, etc.






Need help?
Do you have a question about the XF250Q and is the answer not in the manual?