
Thank you for purchasing a Husqvarna rideon mower. This machine is built for superior efficiency to rapidly mow primarily large areas. A control panel easily accessible to the operator and a hydrostatic transmission regulated by steering controls both contribute to the machine's performance.
This manual is a valuable document. Read the contents carefully before using or servicing the machine. The following of instructions (use, service, maintenance) by all who operate this machine is important for the safety of the operator and others. It can also considerably increase the life span of the machine and increase its resale value.
The final chapter of this operator manual provides a Service Journal. Make sure that service and repair work are documented. A correctly kept service journal reduces service costs for the maintenance and affects the machine's resale value. Please contact the dealer for more information. Take the operator manual along when the machine is taken to the dealer for service.
General
In this operator manual, left and right, backward and forward are used in relation to the machine's usual driving direction.
Continuous dedication to improve our products require that specifications and design are subject to change without notice.
Driving and Transport on Public Roads
Check applicable road traffic regulations before transporting on public roads. If the machine is transported, you must always use approved fastening equipment and make sure that the machine is correctly attached. DO NOT operate this machine on public roadways.
Towing
If machine is equipped with a tow hitch, use much more caution when towing. Do not let children or others in or on the towed equipment. Make wide turns to avoid jack-knifing. Travel slowly and leave more distance to stop.
Do not tow on sloped ground. The weight of the towed equipment may cause loss of traction and loss of control.
Follow the manufacturer's recommendation for weight limits for towed equipment. Do not tow near ditches, canals, and other hazards.
Operating
This machine is constructed only for mowing grass on lawns and even ground without obstacles such as stones, tree stumps, etc. The machine can also be used for other tasks when equipped with special accessories provided by the manufacturer. Operating instructions for the accessories are provided with delivery. All other types of uses are incorrect. The manufacturer's directions concerning operation, maintenance, and repairs must be carefully followed.
Lawn mowers and all power equipment, can be potentially dangerous if used improperly. Safety requires good judgment, careful use in accordance with these instructions and common sense.
The machine must only be operated, maintained, and repaired by persons familiar with the machine's special characteristics and who are also knowledgeable about the safety instructions. Use only approved repair parts to maintain this machine.
Accident prevention regulations, other general safety regulations, occupational safety rules, and traffic regulations must be followed without fail.
Unauthorized modifications to the design of the machine may absolve the manufacturer from liability for resulting personal injury or property damage.
Good Service
Husqvarna's products are sold around the world at independent dealers, retailers and online stores. No matter where you buy a Husqvarna product or solution, you can count on our team to provide you with dedicated service and support throughout the life of the product.
Manufacturing Number
The machine's manufacturing number can be found on the printed plate affixed to the engine compartment.
Stated on the plate, from the top are:
Please have the type designation and serial number available when ordering spare parts.
The engine's manufacturing number is stamped on one of the valve covers.
The plate states:
Please have these available when ordering spare parts.
The wheel motors and hydrostatic pumps have a barcode decal affixed at the rear.
These symbols are found on the machine and in the operator manual.
Study them carefully so that you know what they mean.
Used in this publication to tell the reader of a risk of personal injury or death, particularly if the reader neglects to follow the instructions in the manual.
Used in this publication to tell the reader of a risk of material damage, particularly if the reader neglects to follow the instructions in the manual. Used also when there is a possibility for misuse or misassembly.

These instructions are for your safety. Read them carefully.
THIS CUTTING MACHINE IS CAPABLE OF AMPUTATING HANDS AND FEET AND THROWING OBJECTS. FAILURE TO OBEY THE FOLLOWING SAFETY INSTRUCTIONS COULD RESULT IN DANGEROUS INJURY OR DEATH.
CHILDREN CAN BE SERIOUSLY INJURED OR KILLED BY THIS EQUIPMENT. Carefully read and follow all the safety instruction that follow.
The American Academy of Pediatrics recommends that children be a minimum of 16 years of age before operating a riding lawn mower.
Tragic accidents can occur if the operator is not alert to the presence of children. Children are frequently attracted to the machine and the mowing activity. Do not assume that children will stay where you last saw them.
When using the machine, approved personal protective equipment must be used. Personal protective equipment cannot eliminate the risk of injury but it will reduce the degree of injury if an accident does happen. Ask your retailer for help in choosing the right equipment.
Slopes are a major factor related to loss of control and tip-over accidents, which can result in severe injury or death. Operation on slopes requires much more caution. If you cannot back up the slope or if you feel uneasy on it, do not mow it.
Do not drive up or down hills with slopes greater than 10 degrees. Do not drive across slopes.
The engine and the exhaust system become very hot during operation. There is a risk for burns if touched. Let engine and exhaust system to cool before refueling.
To avoid personal injury or property damage, use much more care in handling gasoline. Gasoline is very flammable and the vapors are explosive.

Use protective glasses for maintenance work.
The engine must not be started when the driver's floor plate or protective plates for the mower deck's drive belt is removed.
Use much more caution when loading the machine into a truck or trailer using ramps. There is the possibility of dangerous injury or death if the machine falls off the ramps.
The park brake is not sufficient to lock the machine in position during transport. Make sure that the machine is correctly fastened to the transport vehicle. Always reverse the machine onto the transport vehicle to avoid tipping it over.
If machine is equipped with a tow hitch, use much more caution when towing. Do not let children or others in or on towed equipment.
Make wide turns to avoid jack-knifing. Travel slowly and leave more distance to stop. Do not tow on sloped ground. The weight of the towed equipment may cause loss of traction and loss of control.
Follow the manufacturer's recommendation for weight limits for towed equipment. Do not tow near ditches, canals, and other hazards.
This mower is equipped with an internal combustion engine and must not be used on or near unimproved forested, bush covered or grassy lands unless the engine's system is equipped with a spark arrestor meeting applicable local or state laws.
Federal laws apply on federal lands.
If a spark arrestor is used, it must be maintained in effective working order by the operator.
A spark arrestor for the muffler is available through an authorized Husqvarna dealer.
This operator manual describes the Husqvarna Zero Turn Rider. The rider is fitted with a fourstroke overhead valve engine.
Transmission from the engine is made via belt-driven hydraulic pumps. Using the left and right steering controls, the flow is regulated and thereby the direction and speed.

The machine's speed and direction are continuously variable using the two steering controls. The steering controls can be moved forward or backward about a neutral position. There is a neutral position, which is locked if the steering controls are moved out.

When both controls are in the neutral position (N), the machine stands still.
By equally moving both controls forward or backward, the machine moves in a straight line forward or backward.
For example, to turn right while moving forward, move the right control towards the neutral position. The rotation of the right wheel is reduced and the machine turns to the right.
Zero turn can be achieved by moving one control backward (behind the neutral position) and carefully moving the other steering control forward from its neutral position. The rotation direction when zero turning is determined by which steering control is moved backward behind the neutral position. If the left steering control is pulled backward, the machine turns to the left. Use more care when using this maneuver.
If the steering controls are in uneven positions when standing still or do not fit in the slots for moving the controls out, they can be adjusted.

The machine can turn very rapidly if one steering control is moved much further forward than the other.
The park brake is integrated with the steering control levers. Move both levers out from the neutral position to engage the park brake.
To release the park brake, pull both steering control levers inwards to the neutral position at the same time. Do not try to operate the unit without both levers being inwards out of the engaged position or machine components could be damaged.

Failure to bring the steering / park brake controls inward at the same time will cause the unit's safety system to shut the unit down.
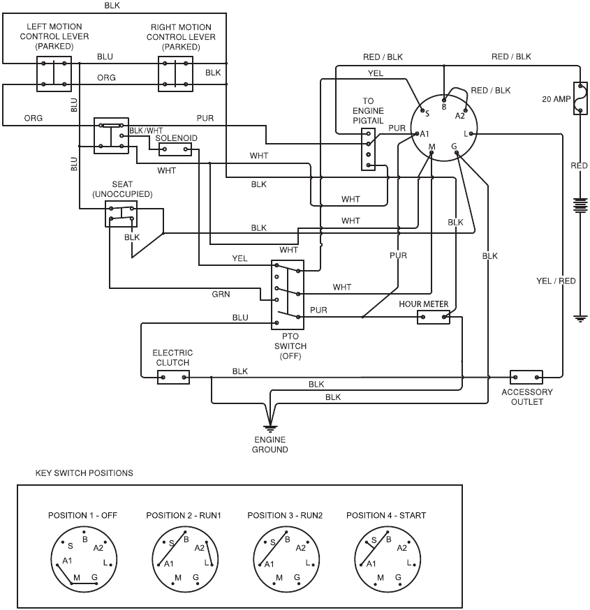
The ignition switch is on the control panel and is used to start and stop the engine.

The throttle control regulates the engine speed and thereby the rate of rotation of the blades, assuming the blade switch is pulled out.
To increase or decrease the engine speed, the control is moved forward or back respectively.
Avoid idling the engine for long periods, as there is a risk of fouling the spark plugs. USE FULL THROTTLE WHEN MOWING, for best mower performance and battery charging.

In temperatures below 32°F, move the throttle control forward past the start detent to the snowflake symbol. Once the engine has started, slowly move the throttle control back to the full throttle position.

The service meter displays the total number of hours the engine has run and indicates when the engine and mower need servicing.
After every 50 hours of operation, an oil can icon will appear and stay on for two hours, before an automatic reset occurs. To manually reset the meter, turn the key off and on five times at one second intervals. To service the engine and mower, see the Service Journal of this manual.

NOTE: The service meter operates (clocks hours) only when the ignition is on. Be sure to turn the key off when the unit is not in use, to prevent meter hours from accumulating.
To engage the mower deck, pull the knob out; mower blades are disengaged when the knob is pressed down.

The 20 amp primary fuse is located on the left hand side of the machine. It is accessed by tilting the seat forward. The fuse is a flat pin type used in automobiles.

The seat can be adjusted lengthways. When making adjustments, the lever below the right side of the seat is pulled up, after which the seat can be moved backward or forward.

The fuel shut off valve is located at the right rear of the seat. The valve is off when the handle tab is turned perpendicular to the fuel line.

To set the deck cutting height, pull the cutting height lever inwards and move it to the desired height notch.

Always raise the deck to the highest position for transport.
To obtain an even cutting height, it is important that the air pressure in all tires is 15 psi / 103 kPa / 1 bar.
Transaxle bypass linkages must be engaged when pushing or pulling the mower. The release levers are located on each side of the rear of the unit below the rear engine guard. See Moving Machine By Hand in the Operation section.

Bypass linkages are located close to the muffler. To prevent burns, the engine should be shut off and allowed to cool before the bypass linkage levers are handled.
Read the safety instructions before refueling. The capacity for the tank is 3-1/2 gallons.
Regularly check the gas cap gasket for damage and keep the cap correctly tightened.
The engine will operate on a minimum of 87-octane unleaded gasoline (no oil mix). Environmentally adapted alkylate gasoline can be used. See Technical Data concerning ethanol fuel. Methanol fuel is not allowed. Do not use E85 alcohol based fuel. Damage to the engine and components may occur.
When operating in temperatures below 32°F, use fresh, clean winter grade gasoline to help insure good cold weather starting.

The engine and the exhaust system, become very hot during operation. There is a risk for burns if touched. Let engine and exhaust system to cool before refueling.
Fill to bottom of filler neck. Do not overfill. Clean off spilled oil or fuel. Do not keep, spill or use gasoline near an open flame.
Experience indicates that alcohol blended fuels (called gasohol, ethanol or methanol) can attract moisture which leads to separation and formation of acids during storage. Acidic gas can damage the fuel system of an engine while in storage. To avoid engine problems, the fuel system should be emptied before storage of 30 days or longer. Drain the gas tank, start the engine and let it operate until the fuel lines and carburetor are empty. Use fresh fuel the next season. See Storage for additional information. Do not use engine or carburetor cleaners in the fuel tank or permanent damage may occur.
If the mower is not tracking straight, check the air pressure in both rear tires. Recommended air pressure for the rear tires is 15 psi (1 bar).
Tracking adjustments are made using the tracking bolts. The tracking bolts limit the motion control levers when in the full-forward position.
![]()
Read the Safety section and following pages, if you are unfamiliar with the machine.
Due to unique steering capabilities, zero turn mowers are far more maneuverable than typical riding mowers.
Review this section fully prior to trying to move the mower under its own power. When first operating the mower or until becoming comfortable with controls, use a reduced throttle speed and reduced ground speed. DO NOT move control levers to the furthest forward or reverse positions during initial operation.
First time users must become familiar with the mower's movement on a hard surface, such as concrete or blacktop PRIOR to trying to operate on turf. Until the operator becomes comfortable with the mower controls and zero turning capability, overly aggressive maneuvers may damage turf.
To move forward and backward
The direction and speed of the mower's movements are effected by the movement of the control lever(s) on each side of mower. The left control lever controls the left wheel. The right control lever controls the right wheel.
First time users must push the mower (see Moving Machine By Hand in the Operation section) to an open, flat area without other persons, vehicles or obstacles nearby. To move the unit under its own power, the operator must sit in the seat and start the engine (see Before Starting in the Operation section). Adjust the engine speed to idle, disengage the park brake but do not engage the blades at this time. Pull control levers inward. As long as the control levers have not been moved forward or backwards, the mower will not move.
Slowly move both control levers forward slightly. This will let the mower start moving forward in a straight line. Pull the control levers back to the neutral position and stop the mower from moving.
Pull back slightly on control levers, allowing the mower to move backwards. Push the control levers forward to the neutral position to stop the mower from moving.
To turn to the right
While moving in a forward direction, pull the right lever back towards the neutral position while maintaining the position of the left lever, this will slow the rotation of the right wheel and cause the machine to turn in that direction.
To turn to the left
While moving in a forward direction pull the left lever back towards the neutral position while maintaining the position of the right lever, this will slow the rotation of the left wheel and cause the machine to turn in that direction.
To zero turn
While moving in a forward direction, first pull both control levers back until the mower stops or slows dramatically.
Then by alternating one lever slightly to the forward position and the other in the reverse position, complete the turn.
The engine exhaust contains carbon monoxide, which is an odorless, colorless, poisonous gas. Do not use the machine in enclosed spaces.
Leaving the ignition switch in a position than OFF will cause the battery to be discharged.
Read the Safety Instructions Driving on Slopes in the Safety section.
Do not drive the rider on terrain that slopes more than 10 degrees. Mow slopes up and down, never side to side. Avoid sudden directional changes. Do not drive across slopes.
When pushing or pulling the mower, engage the EZT bypass linkages. The EZT bypass linkages are located on the rear of the frame, below the rear engine guard.
Make no adjustments without:
To manually push the mower, engage the hydro bypass levers on both sides, pull both steering / park brake controls inwards and push machine.
Bypass linkages are located close to the muffler. To prevent burns, the engine should be shut off and allowed to cool before the bypass linkage levers are handled.
Use more caution when loading the machine into a truck or trailer using ramps. There is the possibility of dangerous injury or death if the machine falls off the ramps.
Load the machine into truck or trailer by driving slowly up the ramps. DO NOT LIFT! The machine is not intended to be lifted by hand.
Following is a list of maintenance procedures that must be performed on the machine. For those points not described in this manual, visit an authorized service workshop. An annual service carried out by an authorized service workshop is recommended to maintain the machine in the best possible condition and to make sure of safe operation.
Read General Maintenance in the Safety section.


● = Described in this manual
♦ = Not described in this manual
■ = Refer to the engine manufacturer's manual
1) First change after 8-10 hours. When operating with a heavy load or at high ambient temperatures, replace at 50 hour intervals.
2) In dusty conditions, cleaning and replacement are required more frequently.
3) Performed by authorized service workshop.
4) If equipped.
Before performing service or adjustment:
Do not short battery terminals by allowing a wrench or other objects to contact both terminals at the same time. Before connecting battery, remove metal bracelets, wristwatch bands, rings, etc.
Positive terminal must be connected first to prevent sparks from accidental grounding.
The mower is equipped with a 12-volt negative grounded system. The other vehicle must also be a 12- volt negative grounded system. Do not use the mower to start other vehicles.

Always wear eye protection when around batteries.
If the battery is too weak to start the engine, it must be recharged.
Jumper Cable Use

To remove cables, reverse order
Lead-acid batteries generate explosive gases. Keep sparks, flame and smoking materials away from batteries. Always wear eye protection when around batteries.
Do not open or remove battery caps or covers. Adding or checking level of electrolyte is not necessary. Always use two wrenches for the terminal screws.
The mower is equipped with a maintenance free battery. Servicing is not necessary. Periodic charging of the battery with an automotive type battery charger will extend its life.
| STD BATTERY | STATE OF CHARGE | APPROXIMATE CHARGING TIME* TO FULL CHARGE AT 80°F | |||
| Maximum Rate at: | |||||
| 50 Amps | 30 Amps | 20 Amps | 10 Amps | ||
| 12.6V | 100% | FULL CHARGE | |||
| 12.4V | 75% | 20 min. | 35 min. | 48 min. | 90 min. |
| 12.2V | 50% | 45 min. | 75 min. | 95 min. | 180 min. |
| 12.0V | 25% | 65 min. | 115 min. | 145 min. | 280 min. |
| 11.8V | 0% | 85 min. | 150 min. | 195 min. | 370 min. |
*Charging time depends on battery capacity, condition, age, temperature and efficiency of charger
Cleaning battery and terminals
Corrosion and dirt on the battery and terminals can cause the battery to lose power.
Replacing battery
The machine is equipped with a safety system that prevents starting or driving under the following conditions.
The engine can only be started when:
NOTE: If the steering / park brake controls are not holding in the full outboard position, the tension can be adjusted by tightening the nut on the backside of the pivot. (See Park Brake in this section).
Make daily inspections to make sure that the safety system works by trying to start the engine when one of the conditions is not met. Change the conditions and try again.
If the machine starts when one of these conditions is not met, turn the machine off and repair the safety system before using the machine again.
Make sure the engine stops when the park brake is not engaged and the operator leaves the seated position.
Check that the engine stops if the mower blades are engaged and the driver temporarily moves off the drivers seat.
To be able to drive, the driver must sit in the seat and the steering / park brake controls must be moved into the engaged (outer) position. Otherwise the engine will stop.
Visually check that no damage is found on the steering control levers, links or switches belonging to the park brake. Do a standstill test and check that there is sufficient braking action.
To adjust the park brake tension, move the boot covering the steering control base. Tighten the 1/2" pivot nut until the braking action is correct. Replace the steering boot, making sure the boot top sits between the two adjustment bolts on the steering control.
For further adjustments to the park brake, contact the Husqvarna service workshop.

The machine must be standing still when applying the park brake.
Faulty adjustment will result in reduced braking ability and can cause an accident.
All tires must be at 15 psi / 103 kPa / 1 bar.

DO NOT add a tire liner or foam fill material to the tires. Excessive loads created by foam filled tires will cause premature failures.
Only use O.E.M. specified tires.
Check at 200 hour intervals. Check that wheels turn freely. If wheels do not turn freely take the unit to the dealer for service.
Foam filled tires or solid tires will void the warranty.
Removal and installation
Remove nut and caster bolt. Pull the wheel out of the yoke and take care of the spacers. Install in reverse order. Tighten caster bolt.

Anti-scalp rollers are correctly adjusted when they are slightly off of the ground when the deck is at the desired cutting height in the operating position. Anti-scalp rollers keep the deck in the proper position to help prevent scalping in most terrain conditions.
The anti-scalp rollers can be set in three positions:
The rollers must be approximately 1/4" from the ground.

Check at 100 hour intervals of operation. Check for severe cracking and large nicks.
NOTE: The belt will show some small cracks in usual operation.
The belts are not adjustable. Replace belts if they begin to slip from wear.
Deck Belt Removal
Deck Belt Installation
NOTE: For ease in installing the deck belt, refer to the routing decal on the top of the deck.
Leveling deck
Adjust the deck while the mower is on a level surface. Make sure the tires are inflated to the correct pressure. See Technical Data/Transmission. If tires are under or over inflated, the deck cannot be correctly adjusted. Raise the deck to the highest (transport) position.
The deck must be adjusted slightly higher in the rear.
NOTE: To insure the precision of the leveling procedure, the mower deck drive belt must be installed before leveling the deck.
NOTE: For illustration, the front foot rest has been removed. The adjustment can be made without removal.

NOTE: This will position the mower deck in a standard measurement position. Depending on the type of grass being mowed or environmental conditions, additional adjustments may be required to get the desired cut.
For the best mowing results, it is important that blades are correctly sharpened and not damaged.
Replace blades that have been bent or cracked when hitting obstacles.
Let the service workshop decide if a blade with large nicks can be repaired/ground or must be replaced. Balance the blades after sharpening.
Check the blade mounts.
Blade replacement

Blades are sharp. Protect your hands with gloves and/or wind heavy cloth around the blades before handling. The sharpening of blades must be carried out by an authorized service workshop.
Special blade bolt is heat treated. Replace with a Husqvarna bolt if required. Do not use lower grade hardware than specified.
Regular cleaning, especially under the mower deck, will increase the machine's life-span. Clean the machine directly after use (after it is cooled), before the debris sticks.
Do not spray water on the top of the mower deck. Use compressed air to clean the top side of the mower deck. Do not use a high pressure washer or steam cleaner. Avoid spraying engine and electrical components with water.
Clean the underside of the deck with normal water pressure. Attach the quick connect (from the accessory packet) to any garden hose. After mowing, snap the hose to the cleanout port and turn on water supply.

Restart the mower and engage the blades to use the spinning action to wash away debris. Make sure the hose is away from the mower blades.
Do not rinse hot surfaces with cold water. Let unit cool before washing.

Use protective glasses when cleaning and washing.
Check daily. Inspect the entire machine for loose or missing hardware.

| 12/12 Each year | Lubricate with grease gun | ![]() | |
| 1/52 Each Week | Filter change | ![]() | |
| 1/365 Each day | Oil change | ![]() | |
| Level check | ![]() | ||
Remove the ignition key to prevent unintentional movements during lubrication.
When lubricating with an oil can, it must be filled with engine oil.
When lubricating with grease, unless otherwise stated, use a high grade molybdenum disulphide grease.
For daily use, the machine must be lubricated twice weekly.
Clean away unwanted grease after lubrication.
It is important to avoid getting lubricant on the belts or the drive surfaces of the belt pulleys. If this happens, try to clean them with spirits. If the belt continues to slip after cleaning, the belt must be replaced. Gasoline or other petroleum products must not be used to clean belts.
Escaping hydraulic oil under pressure can have sufficient force to penetrate the skin, causing dangerous injury. If injured by escaping fluid, see a doctor immediately. Dangerous infection or reaction can develop if proper medical treatment is not administered.
Use minimal lubrication and remove excess lubricant so that is does not come into contact with belts or belt pulley drive surfaces.
Use only good quality bearing grease.
Grease from well-known brand names (petrochemical companies, etc.) usually maintains a good quality.
Front Wheel Mount
Lubricate 3-4 strokes with a grease gun on each set of wheel bearings.
Front Wheel Bearings
Lubricate 3-4 strokes with a grease gun on each set of wheel bearings.

Deck Spindles
Lower the cutting deck completely. Lubricate with a grease gun, 2-3 strokes per spindle through the openings in the belt shields.

NOTE: Change the engine oil when the engine is warm. Refer to the engine owner's manual for the correct replacement oil and filter change recommendations.
The engine drain plug is located close to the muffler. To prevent burns, the engine should be shut off and allowed to cool slightly so the engine is still warm but the surrounding surfaces and oil are not.
The transmission is maintenance free. It is not necessary to do level checks or oil changes. If a leak occurs, replace the unit or contact any Husqvarna dealer.
Problem / Cause
Winter Storage
The machine should be readied for storage at the end of the mowing season or if it will not be in use for more than 30 days. Fuel allowed to stand for long periods of time (30 days or more) can leave sticky residues that can clog the carburetor and disrupt engine function.
Fuel stabilizers are an acceptable option to prevent the sticky residues that can occur during storage.
Add stabilizer to the fuel in the tank or in the storage container. Always use the mixing ratios specified by the manufacturer of the stabilizer. Operate the engine for at least ten minutes after adding the stabilizer so that it reaches the carburetor. Do not empty the fuel tank and the carburetor if stabilizer has been added.
Do not keep an engine with fuel in the tank indoors or in poorly ventilated spaces where fuel vapor can come in contact with open flames, sparks, or a pilot light such as in a boiler, hot water tank, clothes dryer, etc. Handle the fuel with care. It is very flammable and can cause dangerous personal injury and property damage. Drain the fuel into an approved container outdoors and keep far away from open flame or sources of ignition. Do not use gasoline for cleaning. Use a degreaser and warm water.
To ready the machine for storage:
Service
When ordering spare parts, please specify the purchase year, model, type, and serial number.
Always use genuine Husqvarna spare parts.
An annual check-up at an authorized service workshop is a good way to make sure that the machine performs its best the following season.

| ENGINE | |
| Manufacturer | Briggs & Stratton |
| Type | 40S877 |
| Power | 20 hp 1) |
| Spark Plug | Champion RC12YC Gap: .030" (0,76 mm) |
| Lubrication | Pressure with oil filter |
| Fuel | Min 87 octane unleaded (Max ethanol 10%, Max MTBE 15%) |
| Fuel tank capacity | 3-1/2 gallons (13.25 litres) |
| Cooling | Air cooled |
| Air filter | Standard |
| Alternator | 12v 15 amp @ 3600 rpm |
| Starter | Electric |
| TRANSMISSION | |
| Transmission | Hydrostatic transaxles |
| Steering control | Dual levers, foam gripped |
| Speed forward | 0-6.5 mph |
| Speed reverse | 0-3.5 mph |
| Brakes | Mechanical park brake |
| Front caster tires | 11 x 4-5 |
| Rear tires, turf pneumatic | 18 x 9.5-8 |
| Tire pressure | 15 PSI / 103 kPa / 1 bar |
| FRAME | |
| Cutting Width | 46" (117 cm) |
| Cutting Height | 1-1/2 - 4" (3,8 - 10,2 cm) |
| Number of Blades | 2 |
| Blade Length | 22-3/4" (57,8 cm) |
| Anti-scalp Rollers | 3 Adjustable |
| Sprung Seat | Standard |
| Hinged Arm Rests | Optional |
| Service Meter | Digital |
| Blade Engagement | Electromagnetic Clutch |
| Deck Construction | Stamped |
| Productivity | 2.4 acres/h (9,712 m2/h) |
| DIMENSIONS | |
| Weight | 580 lbs (263 kg) |
| Base Machine Length | 75" (191 cm) |
| Base Machine Height | 40" (102 cm) |
| Base Machine Width | 41-1/2" (106 cm) |
| Overall Width, Chute Up | 48" (122 cm) |
| Overall Width, Chute Down | 56" (142 cm) |
1) The power rating as declared by the engine manufacturer is the average gross power output at the specified RPM of a typical production engine for the engine model measured using SAE Standards for engine gross power. Refer to the engine manufacturer engine specifications.
| Engine crankshaft bolt | 50 ft/lb |
| Deck pulley bolts | 150 ft/lb |
| Lug nuts | 75 ft/lb |
| Spark plug torque | 15 ft/lb (20 Nm) |
| Blade bolt | 90 ft/lb |
| Standard 1/4" fasteners | 9 ft/lb |
| Standard 5/16" fasteners | 18 ft/lb |
| Standard 3/8" fasteners | 33 ft/lb |
| Standard 7/16" fasteners | 52 ft/lb |
| Standard 1/2" fasteners | 80 ft/lb |
HEX HEAD CAP SCREWS
The torque values shown should be used as a general guideline when specific torque values are not given.
U.S. Standard Hardware
| Grade | SAE Grade 5 | SAE Grade 8 | Flangelock Screw w/Flangelock Nut | ||||
| Size | ft./lbs | Nm | ft./lbs | Nm | ft./lbs | Nm | |
| Shank Size (Diameter in inches, fine or coarse thread) | 1/4 | 9 | 12 | 13 | 18 | ||
| 5/16 | 18 | 24 | 28 | 38 | 24 | 33 | |
| 3/8 | 31 | 42 | 46 | 62 | 40 | 54 | |
| 7/16 | 50 | 68 | 75 | 102 | |||
| 1/2 | 75 | 102 | 115 | 156 | |||
| 9/16 | 110 | 149 | 165 | 224 | |||
| 5/8 | 150 | 203 | 225 | 305 | |||
| 3/4 | 250 | 339 | 370 | 502 | |||
| 7/8 | 378 | 512 | 591 | 801 | |||
| 1-1/8 | 782 | 1060 | 1410 | 1912 | |||
** Grade 5 - Minimum commercial quality (lower quality not recommended)
Metric Standard Hardware
| Grade | Grade 8.8 | Grade 10.9 | Grade 12.9 | ||||
| Size | ft./lbs | Nm | ft./lbs | Nm | ft./lbs | Nm | |
| Shank Size (Diameter in millimeters, fine or coarse thread) | M4 | 1.5 | 2 | 2.2 | 3 | 2.7 | 3.7 |
| M5 | 3 | 4 | 4.5 | 6 | 5.2 | 7 | |
| M6 | 5.2 | 7 | 7.5 | 10 | 8.2 | 11 | |
| M7 | 8.2 | 11 | 12 | 16 | 15 | 20 | |
| M8 | 13.5 | 18 | 18.8 | 25 | 21.8 | 30 | |
| M10 | 24 | 33 | 35.2 | 48 | 43.5 | 59 | |
| M12 | 43.5 | 59 | 62.2 | 84 | 75 | 102 | |
| M14 | 70.5 | 96 | 100 | 136 | 119 | 161 | |
| M16 | 108 | 146 | 147 | 199 | 176 | 239 | |
| M18 | 142 | 193 | 202 | 274 | 242 | 328 | |
| M20 | 195 | 264 | 275 | 373 | 330 | 447 | |
| M22 | 276 | 374 | 390 | 529 | 471 | 639 | |
| M24 | 353 | 478 | 498 | 675 | 596 | 808 | |
| M27 | 530 | 719 | 735 | 996 | 904 | 1226 | |
Here you can download full pdf version of manual, it may contain additional safety instructions, warranty information, FCC rules, etc.
Download Husqvarna Z246 Manual





















Need help?
Do you have a question about the Z246 and is the answer not in the manual?
Questions and answers