Beko WTL74051W, WTL74051B, WTL74051S - Freestanding 7kg 1400rpm Washing Machine Manual
![]()
Your product
Overview
![Beko - WTL74051W - Overview Overview]()
- Power cable
- Top panel
- Control panel
- Drain hose
- Loading door
- Filter cap
- Adjustable feet
- Detergent drawer
Package Contents
![Beko - WTL74051W - Package Contents Package Contents]()
- Power cable
- Drain hose
- Transportation safety bolts*
- Mains water inlet hose (One of the following filter types is used for the mains hose connection.)
- Electronic water shut-off
- Mechanical water shut-off
- Standard
- Liquid detergent container**
- User Manual
- Blind plug***
- Plastic plug group
* Number of transportation safety bolts may change depending on the model of your product.
** This may be supplied with the machine depending on the model of your product.
*** It will be supplied if your product has double water inlet.
Figures in this manual are schematic and may not match the product exactly.
Technical specifications
| Complying Commission Delegated Regulation (EU) No 1061/2010 | |
| Supplier name or trademark | Beko |
| Model name | WTL74051W / WTL74051B / WTL74051S |
| 7145942300 / 7152041500 / 7152041600 |
| Rated capacity (kg) | 7 |
| Energy efficiency class / Scale from A+++ (Highest Efficiency) to D (Lowest Efficiency) | A+++ |
| Maximum spin speed (rpm) | 1400 |
| Built-in | No |
| Height (cm) | 84 |
| Width (cm) | 60 |
| Depth (cm) | 55 |
| Single Water inlet / Double Water inlet | • / - |
| • Available |
| Electrical input (V/Hz) | 230 V / 50Hz |
| Total current (A) | 10 |
| Total power (W) | 2200 |
| Main model code | 9210 |
![information]()
![]()
The model information as stored in the product database can be reached by entering following website and searching for your model identifier (*) found on energy label.
https://eprel.ec.europa.eu/
Installation
- Preparation of the location and electrical, tap water and waste water installations at the place of installation is the customer's responsibility.
- Make sure that the water inlet and discharge hoses as well as the power cable are not folded, pinched or crushed while pushing the product into its place after installation or cleaning procedures.
- The manufacturer shall not be held liable for damages that may arise from procedures carried out by unauthorised persons.
- Prior to installation, visually check if the product has any defects on it. If so, do not have it installed. Damaged products cause risks for your safety.
Appropriate installation location
- Place the product on a hard and level floor. Do not put it onto a carpet with high pile or other similar surfaces.
- If the washing machine and dryer are placed on top of each other, their total weight –when loaded– amounts to 180 kilograms. Place the products on a solid and flat floor that has sufficient load carrying capacity!
- Do not place the product on the power cable.
- Do not install the product in environments where the temperature falls below 0 ºC.
- Leaving a gap at the sides of the machine is suggested to reduce vibration and noise
- On a raised floor, do not place the product next to the edge or on a platform.
- Do not place heat sources such as Hobs, Irons, Ovens, etc. on the washing machine and do not use them on the product.
Removing packaging reinforcement
![]()
Tilt the machine backwards to remove the packaging reinforcement. Remove the packaging reinforcement that is attached to the ribbon. Do not attempt this operation alone, get help.
Removing the transportation locks
- Loose all bolts with an appropriate wrench until they turn freely.
![]()
- Remove the transport safety bolts by rocking them slightly.
![]()
- Insert the plastic covers from the bag containing the user manual into the openings on the rear panel.
![]()
![]()
Remove the transportation safety bolts before operating the washing machine! Otherwise, the product will be damaged.
![information]()
- Keep the transportation safety bolts in a safe place to reuse when the washing machine needs to be moved again in the future.
- Install the transport safety bolts in the reverse order of the disassembly procedure.
- Never move the product without the transportation safety bolts properly fixed in place!
Connecting the water supply
It is necessary to have 10 – 80 litres of water flowing from the fully open tap in one minute to have your machine run smoothly. Attach a pressure reducing valve if the water pressure is higher.
![]()
Models with a single water inlet should not be connected to the hot water tap. In such a case the laundry will get damaged or the product will switch to protection mode and will not operate.
- Tighten the nuts of the hose by hand. Never use a tool when tightening the nuts.
![]()
- When hose connection is completed, check whether there are no leak problems at the connection points by opening the taps fully. If any leaks occur, turn off the tap and remove the nut. Retighten the nut carefully after checking the seal. In order to prevent the water leaks and resultant damages, keep the taps closed when you do not use the product.
![]()
Connecting the drain hose to the drain
- Attach the end of the drain hose directly to the waste water drain, lavatory or bathtub.
![]()
Your drain house will be flooded if the hose comes out of its housing during water discharge. Moreover, there is risk of scalding due to high washing temperatures! In order to prevent such situations and make sure that the machine performs water intake and discharge processes without any problem, fix the drain hose securely.
- Connect the drain hose to a minimum height of 40 cm and a maximum height of 100 cm.
- In case the drain hose is elevated after laying it on the floor level or close to the ground (less than 40 cm above the ground), water discharge becomes more difficult and the laundry may come out excessively wet. Therefore, follow the heights described in the figure.
![Beko - WTL74051W - Connecting the drain hose to the drain Connecting the drain hose to the drain]()
- To prevent the waste water siphoning back into the machine again and to ensure easy drainage, do not immerse the end of the hose into the waste water or do not insert it into the drain for more than 15 cm. If it is too long, cut it short.
- The end of the hose should not be bent, it should not be stepped on and the hose must not be pinched between the drain and the machine.
- If the length of the hose is too short, add an original extension hose. Length of the hose may not be longer than 3.2 m. To avoid water leak failures, the connection between the extension hose and the drain hose of the product must be fitted well with an appropriate clamp as not to come off and/or leak.
Adjusting the feet
![]()
In order to ensure that the product operates more silently and vibration-free, it must stand level and balanced on its feet. Balance the machine by adjusting the feet.
therwise, the product may move from its place and cause crushing and vibration problems.
![]()
Do not use any tools to loosen the lock nuts. Otherwise, they will get damaged.
- Loosen the lock nuts on the feet by hand.
![]()
- Adjust the feet until the product stands in a stable and balanced way.
![Beko - WTL74051W - Adjusting the feet Adjusting the feet]()
- Tighten all lock nuts by hand again.
Electrical connection
Connect the product to a grounded outlet protected by a 13 A fuse. Our company shall not be liable for any damages that will arise when the product is used without grounding in accordance with the local regulations.
- Connection must comply with national regulations.
- The wiring for the electrical outlet circuit must be sufficient to meet the appliance requirements. Use of a Groud Fault Circuit Interrupter (GFCI) is recommended.
- Power cable plug must be within easy reach after installation.
- If the current value of the fuse or breaker in the house is less than 13 Amps, have a qualified electrician install a 13 Amp fuse.
- The voltage specified in the "Technical specifications" section must be equal to your mains voltage.
- Do not make connections via extension cables or multi-plugs.
![]()
Damaged power cables must be replaced by Authorised Service Agents.
Electrical requirements
Before you insert the plug into the wall socket make sure that the voltage and the frequency shown in the rating label corresponds to your electricity supply.
We recommend that this appliance be connected to the mains supply via a suitable switched and fused socket in a readily accessible position.
Should the mains lead of the appliance become damaged or need replacing at any time, it must be replaced by a special purpose made mains lead which can only be obtained from an Authorised Service Agent.
![]()
This appliance must be earthed
If the fitted moulded plug is not suitable for your socket, then the plug should be cut off and an appropriate plug fitted.
Destroy the old plug, a cut off plug with a bare cord could cause a shock hazard if inserted into a socket elsewhere in the house.
The moulded plug on this appliance incorporates a 13A fuse. Should the fuse need to be replaced an ASTA approved BS1362 fuse of the same rating must be used. Do not forget to refit the fuse cover. In the event of losing the fuse cover, the plug must not be used until a replacement fuse cover has been fitted. Colour of the replacement fuse cover must be the same colour as that visible on the pin face of the plug. Fuse covers are available from any good electrical store.
Fitting a different plug
![]()
![]()
As the colours of the wires in the mains lead of this appliance may not correspond with the coloured markings identifying the terminals on your plug, proceed as follows:
- Connect the green - yellow or green (earth) wire to the terminal in the plug marked 'E' or with the symbol
or coloured green and yellow or green. - Connect the blue (neutral) wire to the terminal in the plug marked 'N' or coloured black.
- Connect the brown (live) wire to the terminal in the plug marked 'L' or coloured red.
With the alternative plugs a 13A fuse must be fitted either in the plug or adaptor or in the main fuse box. If in doubt contact a qualified electrician.
Transportation of the product
- Unplug the product before transporting it.
- Remove water drain and water supply connections.
- Drain all water that has remained in the product.
- Install transportation safety bolts in the reverse order of removal procedure.
Never move the product without the transportation safety bolts properly fixed in place!
![]()
Packaging materials are dangerous to children. Keep packaging materials in a safe place away from reach of the children.
Initial use
![]()
Before starting to use the product make sure that the preparations are made which are in line with the "Important Safety and Environment Instructions" and the instructions in the "Installation" section.
To prepare the product for washing laundry, first perform a Drum Cleaning programme. If this is not available in your machine, apply the method which is described in the "Cleaning the loading door and the drum" section.
![information]()
- Use an anti-limescale suitable for the washing machines.
- Some water might have remained in the product due to the quality control processes in production. It is not harmful for the product.
Preparation
Sorting the laundry
* Sort laundry according to type of fabric, colour, and degree of soiling and allowable water temperature.
* Always obey the instructions given on the garment tags.
![Beko - WTL74051W - Sorting the laundry Sorting the laundry]()
Preparing laundry for washing
- Laundry items with metal attachments such as, underwiring, belt buckles or metal buttons will damage the product or break the glass door. Remove the metal pieces or wash the clothes by putting them in a laundry bag or pillow case.
- Take out all substances in the pockets such as coins, pens and paper clips, and turn pockets inside out and brush. Such objects may damage the product or cause noise problem.
- Put small size clothes such as infant's socks and nylon stockings in a laundry bag or pillow case.
- Place curtains in without compressing them. Remove curtain attachment items.
- Fasten zippers, sew loose buttons and mend rips and tears.
- Wash "Machine washable" or "Hand washable" labelled products only with an appropriate programme.
- Do not wash colours and whites together. New, dark coloured cottons release a lot of dye. Wash them separately.
- Tough stains must be treated properly before washing.
- Only use the dyes / colour changers and descaling agents which are appropriate to machine wash. Always follow the instructions on the package.
- Wash trousers and delicate laundry turned inside out.
- Keep laundry items made of Angora wool in a plastic bag in the freezer for a few hours before washing. This can reduce piling.
- Laundry that is subjected to materials such as flour, lime dust, milk powder, etc. must be shaken off before placing into the product. Such dusts and powders on the laundry may build up on the inner parts of the product in time and can cause damage.
Tips for energy and water saving
Following information will help you use the product in an ecological and energy/waterefficient manner.
- Operate the product in the highest load capacity allowed for the programme you have selected, but do not overload. See "Programme and consumption table".
- Observe the temperature instructions on the detergent packaging.
- Wash slightly soiled laundry at low temperatures.
- Use faster programmes for small quantities of lightly soiled laundry.
- Do not use prewash and high temperatures for laundry that is not heavily soiled or stained.
- If you plan to dry your laundry in a dryer, select the highest spin speed recommended during washing process.
- Do not use more detergent than the recommended on the detergent packaging.
Loading the laundry
- Open the loading door.
- Put the laundry items into the product, do not pack tightly.
- Push and close the loading door until you hear the locking sound. Ensure that no items are caught in the door. The loading door is locked while a programme is running. The door can only be opened a while after the programme comes to an end. Then you can open the loading door.
Correct load capacity
The maximum load capacity depends on the type of laundry, the degree of soiling and the washing programme desired.
The product automatically adjusts the water amount according to the weight of the laundry put inside it.
![]()
Comply with the information in the section "Programme and consumption table". When overloaded, the washing performance will drop. Moreover, noise and vibration problems may occur.
Using detergent and softener
When using detergent, softener, starch, fabric dye, bleacher and whitener, descaling agents; read the manufacturer's instructions written on the package and follow the dosages specified. Use a measuring cup if available.
![]()
The detergent drawer is composed of three compartments:
- for prewash
- for main wash
- for softener
: in addition, there is a siphon piece in the softener compartment.
Detergent, softener and other cleaning agents
- Add detergent and softener before starting the washing programme.
- While the washing cycle is in progress, do not leave the detergent dispenser open!
- When using a programme without prewash, do not put any detergent into the prewash compartment (compartment nr. "1").
- In a programme with prewash, do not put liquid detergent into the prewash compartment (compartment nr. "1").
- Do not select a programme with prewash if you are using a detergent bag or dispensing ball. Place the detergent bag or the dispensing ball directly among the laundry in the product.
- If you are using liquid detergent, do not forget to place the liquid detergent container into the main wash compartment (compartment number "2").
Choosing the detergent type
Detergent type to be used depends on the washing programme, fabric type and colour.
- Use different detergents for coloured and white laundry.
- Wash your delicate clothes only with special detergents (liquid detergent, wool shampoo, etc.) intended solely for delicate clothes and at suggested programmes.
- When washing dark coloured clothes and quilts, it is recommended to use liquid detergent.
- Wash woollens at suggested programme with special detergent made specifically for woollens
- Please review the programme descriptions part for suggested programme for different textiles.
- All recommendations about detergents are valid for selectable temperature range of programmes.
![]()
Use only detergents manufactured specifically for washing machines
![]()
Do not use soap powder
Adjusting detergent amount
The amount of washing detergent to be used depends on the amount of laundry, the degree of soiling and water hardness.
- Do not use amounts exceeding the dosage quantities recommended on the detergent package to avoid problems of excessive foam, poor rinsing, make financial savings and finally, environmental protection.
- Use less detergent for small loads, lightly soiled clothes and short duration programmes, especially in soft water areas.
Using softeners
Pour the softener into the softener compartment of the detergent drawer.
- Do not exceed the (>max<) level sign on the softener compartment.
- If the softener has lost its fluidity, dilute it with water before putting it in the detergent compartment.
Using liquid detergents
If the product contains a liquid detergent cup:
- Put the liquid detergent container into the compartment no "2".
- If the liquid detergent lost its fluidity, dilute it with water before putting it into the detergent container.
![Beko - WTL74051W - If the product contains a liquid detergent cup If the product contains a liquid detergent cup]()
If the product is equipped with a liquid detergent part:
- When you want to use liquid detergent, pull the apparatus towards yourself. The part that falls down will serve as a barrier for the liquid detergent. If required, clean the apparatus with water when it is in place or by removing it. If you will use powder detergent, the apparatus must be secured at top position.
If the product does not contain a liquid detergent cup:
- Do not use liquid detergent for the prewash in a programme with prewash.
- Liquid detergent stains your clothes when used with "End Time" function that delays start time. If you are going to use the End Time function, do not use liquid detergent.
Using gel and tablet detergent
- If the gel detergent thickness is fluid and your product does not contain a special liquid detergent cup, put the gel detergent into the main wash detergent compartment during first water intake. If your product contains a liquid detergent cup, fill the detergent into this cup before starting the programme.
- If the gel detergent thickness is not fluid or in the shape of capsule liquid tablet, put it directly into the drum before washing.
- Put tablet detergents into the main wash compartment (compartment nr. "2") or directly into the drum before washing.
Using starch
- Use the softener compartment to put the starch or the liquid soda or the powder soda or the fabric dye.
Do not use softener and starch together in a washing cycle. - Wipe the inside of the product with a damp and clean cloth after using starch.
Using limescale remover
- When required, use limescale removers manufactured specifically for washing machines only.
Using bleaches
Add the bleach at the beginning of the washing cycle by selecting a prewash programme. Do not put detergent in the prewash compartment. As an alternative application, select a programme with extra rinse and add the bleaching agent while the product is taking water from the detergent compartment during first rinsing step.
- Do not use bleaching agent and detergent by mixing them.
- Use just a little amount (1/2 tea cup - approx. 50 ml) of bleaching agent and rinse the clothes very well as it causes skin irritation.
- Do not pour the bleach onto the laundry.
- Do not use it with the coloured items.
- When using oxygen-based whitener, select a programme which washes the laundry at a low temperature.
- Oxygen-based whiteners can be used together with the detergent. However, if its thickness is not the same as the detergent, put the detergent first into the compartment nr. "2" in the detergent drawer and wait until the detergent flows while the product is taking in water. While the machine continues taking in water, add whitener in the same compartment.
Tips for efficient washing
| | Clothes |
| Light Colours and Whites | Colours | Black/Dark Colours | Delicates/ Woollens/ Silks |
| (Recommended temperature range based on soiling level: 40-90 oC) | (Recommended temperature range based on soiling level: cold - 40 oC) | (Recommended temperature range based on soiling level: cold - 40 oC) | (Recommended temperature range based on soiling level: cold - 30 oC) |
| Soiling Level | Heavily Soiled (difficult stains such as grass, coffee, fruits and blood.) | It may be necessary to pre-treat the stains or perform prewash. Powder and liquid detergents recommended for whites can be used at dosages recommended for heavily soiled clothes. It is recommended to use powder detergents to clean clay and soil stains and the stains that are sensitive to bleaches. | Powder and liquid detergents recommended for colours can be used at dosagesrecommended for heavily soiled clothes. It is recommended to use powder detergents to clean clay and soil stains and the stains that are sensitive to bleaches. Detergents which do not contain bleach should be used. | Liquid detergents suitable for colours and dark colours can be used at dosages recommended for heavily soiled clothes. | Prefer liquid detergents produced for delicate clothes. woollen and silk clothes must be washed with special woollen detergents. |
Normally Soiled (For example, stains caused by body on collars and cuffs) | Powder and liquid detergents recommended for whites can be used at dosages recommended for normally soiled clothes. | Powder and liquid detergents recommended for colours can be used at dosages recommended for normally soiled clothes. Detergents which do not contain bleach should be used. | Liquid detergents suitable for colours and dark colours can be used at dosages recommended for normally soiled clothes. | Prefer liquid detergents produced for delicate clothes. woollen and silk clothes must be washed with special woollen detergents. |
Lightly Soiled (No visible stains exist.) | Powder and liquid detergents recommended for whites can be used at dosages recommended for lightly soiled clothes. | Powder and liquid detergents recommended for colours can be used at dosages recommended for lightly soiled clothes. Detergents which do not contain bleach should be used. | Liquid detergents suitable for colours and dark colours can be used at dosages recommended for lightly soiled clothes. | Prefer liquid detergents produced for delicate clothes. woollen and silk clothes must be washed with special woollen detergents. |
Operating the product
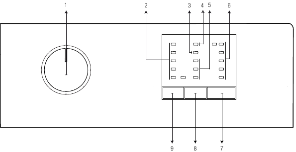
Control panel
![Beko - WTL74051W - Control panel Control panel]()
- Programme Selection knob (Uppermost position On / Off)
- Spin Speed Indicator LEDs
- Child Lock Enabled LED
- Door Lock Enabled LED
- Delayed Start Indicator LEDs
- Programme Follow-up LEDs
- Start / Pause Button
- Delayed Start Setting Button
- Spin Speed Adjustment button
Preparing the machine
- Make sure that the hoses are connected tightly.
- Plug in your machine.
- Turn the tap on completely.
- Place the laundry in the machine.
- Add detergent and fabric softener.
Programme selection and tips for efficient washing
- Select the programme suitable for the type, quantity and soiling degree of the laundry in accordance with the "Programme and consumption table" and the temperature table below.
- Select the desired programme with the Programme Selection knob.
Programme and consumption table
| Programme | Max. Load (kg) | Programme Duration (~min) | Water Consumption (I) | Energy Consumption (kWh) | Max. Speed |
| Cottons | 90 | 7 | 195 | 98,0 | 2,450 | 1400 |
| 60** | 7 | 207 | 52,0 | 0,990 | 1400 |
| 60** | 3,5 | 161 | 43,5 | 0,600 | 1400 |
| 40 | 7 | 195 | 96,0 | 1,10 | 1400 |
| 20 | 7 | 195 | 96,0 | 0,58 | 1400 |
| Cottons 60° with Prewash | 60 | 7 | 215 | 106,0 | 1,95 | 1400 |
| Eco 40-60 | 40*** | 7 | 207 | 52,0 | 0,980 | 1400 |
| 40**,*** | 3,5 | 161 | 43,0 | 0,570 | 1400 |
| 40*** | 2 | 161 | 36,0 | 0,383 | 1400 |
| Synthetics | 40 | 3 | 130 | 69,0 | 0,80 | 1200 |
| 20 | 3 | 130 | 67,0 | 0,26 | 1200 |
| Quick | 30 | 7 | 28 | 65,0 | 0,15 | 1400 |
| Hand Wash | 40 | 1,5 | 65 | 53,0 | 0,47 | 1200 |
| Down Wear | 40 | 1,5 | 105 | 90,0 | 0,85 | 1000 |
| Shirts | 40 | 3 | 80 | 45,0 | 0,60 | 800 |
| Drum Clean | 90 | - | 160 | 70,0 | 2,60 | 600 |
**: Classic (
) and Cottons 60°C (
) are the test programmes in accordance with EN 60456:2016 and energy label with Commission Delegated Regulation (EU) 1061/2010
***: Eco 40-60 is the test programme in accordance with EN 60456:2016/prA:2019 and energy label with Commission Delegated Regulation (EU) 2019/2014
-: See the programme description for maximum load.
![information]()
- Water and power consumption may vary subject to the changes in water pressure, water hardness and temperature, ambient temperature, type and amount of laundry, spin speed, and changes in electric voltage.
- Depending on the amount of laundry you have loaded into your machine, there may be a difference of 1-1.5 hours between the duration shown in the Programme and consumption table and the actual washing duration. Duration will be automatically updated soon after the washing starts.
- Always select the lowest appropriate temperature. The most efficient programmes in terms of energy consumption are generally those that perform at lower temperatures and longer duration.
- Noise and remaining moisture content are influenced by the spinning speed: the higher the spinning speed in the spinning phase, the higher the noise and the lower the remaining moisture content.
Consumption Values (EN)
| | Temperature Selection (°C) | Spin Speed (rpm) | Capacity (kg) | Programme Duration (hh: mm) | Energy Consumption (kWh/cycle) | Water Consumption (L/cycle) | Laundry Temperature (°C) | Remaining Moisture Content (%) |
| Eco 40-60 | 40 | 1400 | 7 | 03:27 | 0,980 | 52,0 | 41 | 53 |
| 40 | 1400 | 3,5 | 02:41 | 0,570 | 43,0 | 34 | 53 |
| 40 | 1400 | 2 | 02:41 | 0,383 | 36,0 | 27 | 53 |
| Cottons | 20 | 1400 | 7 | 03:15 | 0,580 | 96,0 | 20 | 53 |
| Cottons 60° with Prewash | 60 | 1400 | 7 | 03:35 | 1,950 | 106,0 | 60 | 53 |
| Synthetics | 40 | 1200 | 3 | 02:10 | 0,800 | 69,0 | 40 | 40 |
| Quick | 30 | 1400 | 7 | 00:28 | 0,150 | 65,0 | 23 | 62 |
Main programmes
Depending on the type of fabric, use the following main programmes.
- Cottons 20-40-90
Use this programme for your cotton laundry (sheets, bedlinen, towels, bathrobes, underwear etc.). Your laundry will be washed with vigorous washing action for a longer washing cycle.
- Synthetics
Use to wash your synthetic clothes (shirts, blouses, synthetic/cotton blends, etc.). Your laundry will be washed with a gentle action for a shorter washing cycle when compared to the Cottons programme. For curtains and tulle, it is recommended to use Synthetics 20˚C or 40˚C programme.
- Hand Wash
Use to wash your woollen/delicate laundry. Your laundry will be washed with a very gentle washing action in order not to damage the clothes.
Additional programmes
For special cases, additional programmes are available in the machine.
Additional programmes may differ according to the model of the machine.
- Eco 40-60
The eco 40-60 programme is able to clean normally soiled cotton laundry declared to be washable at 40°C or 60°C, together in the same cycle, and that this programme is used to assess the compliance with the EU ecodesign legislation.
Although it washes longer than all other programmes, it provides high energy and water savings. Actual water temperature may be different from the stated wash temperature. When you load the machine with less laundry (e.g. ½ capacity or less), periods in programme stages may automatically get shorter. In this case, energy and water consumption will decrease.
- Cottons 60
Use to wash your normally soiled, durable cotton and linen laundry. Although it washes longer than all other programmes, it provides high energy and water savings. Actual water temperature may be different from the stated wash temperature. When you load the machine with less laundry (e.g. ½ capacity or less), periods in programme stages may automatically get shorter. In this case, energy and water consumption will decrease more, providing a more economic wash. - Cottons 60° with Prewash
Use this programme only for heavily soiled cotton clothes. Add detergent into the prewash compartment.
- Quick
Use this programme to wash your lightly soiled cotton clothes in a short time.
- Shirts
This programme is used to wash the shirts made from cotton, synthetic and synthetic blended fabrics altogether. It reduces wrinkles. Pre-treatment algorithm is executed. - Apply the pre-treatment chemical on your garments directly or add it together with detergent when the machine starts to take water from the main washing compartment. Thus the machine will wash them in a short period of time and expected lifespan of your shirts will extend.
- Down Wear
Use this programme to wash your coats, vest, jackets etc. containing feathers with a "machine-washable" label on them. Thanks to special spinning profiles, it is ensured that the water reaches the air gaps amongst the feathers.
- Drum Clean
Use regularly (once in every 1-2 months) to clean the drum and provide the required hygiene. Operate the programme while the machine is completely empty. To obtain better results, put powder lime-scale remover for washing machines into the detergent compartment no. "2". When the programme is over, leave the loading door ajar so that the inside of the machine gets dry.
![information]()
- This is not a washing programme. It is a maintenance programme.
- Do not run the programme when there is something in the machine. If you try to do so, the machine detects that there is load inside and aborts the programme.
Special programmes
For specific applications, select any of the following programmes.
- Rinse
Use when you want to rinse or starch separately.
- Spin+Drain
You can use this function to remove the water on the garment of drain the water in the machine.
Before selecting this programme, select the desired spin speed and press Start / Pause button. First, the machine will drain the water inside of it. Then, it will spin the laundry with the set spin speed and drain the water coming out of them.
If you wish to drain only the water without spinning your laundry, select the Pump+Spin programme and then select the No Spin function with the help of Spin Speed Adjustment button. Press Start / Pause button.
Use a lower spin speed for delicate laundries.
Speed selection
Whenever a new programme is selected, the recommended spin speed of the selected programme is displayed on the spin speed indicator.
To decrease the spin speed, press the Spin Speed Adjustment button. Spin speed decreases gradually. Then, depending on the model of the product, "Rinse Hold" and "No Spin" options appear on the display. When "No Spin" is selected, the rinse level indicator lights will not turn on.
Rinse hold
If you are not going to unload your clothes immediately after the programme completes, you can use rinse hold function to keep your laundry in the final rinsing water in order to prevent them from getting wrinkled when there is no water in the machine. Press Start / Pause button after this process if you want to drain the water without spinning your laundry. Programme will resume and complete after draining the water.
If you want to spin the laundry held in water, adjust the Spin Speed and press Start / Pause button.
The programme will resume. Water is drained, laundry is spun and the programme is completed.
If the programme has not reached the spinning step, you can change the speed without switching the machine to Pause mode.
Delayed Start
With the Delayed Start function the startup of the programme may be delayed up to 3, 6 or 9 hours.
Do not use liquid detergents when you set Delayed Start! There is the risk of staining of the clothes.
- Open the loading door, place the laundry and put detergent, etc.
- Select a washing programme and spin speed.
- Set the desired time by pressing the Delayed Start button. When the button is pressed once, 3 hours delayed start is selected. When the same button is pressed again, 6 hours delay is selected, and when it is pressed for the third time, 9 hours delayed start is selected. If you press the Delayed Start button once again, Delayed Start function will be cancelled.
- Press Start / Pause button. Previous delayed start time light turns off and next delayed start time light turns on after every 3 hours.
- At the end of the countdown, all delayed start lights will turn off and the selected programme will start.
You can switch the machine to pause mode and add laundry during the delayed start period.
Changing the delayed start period
If you want to change the time during countdown, you will need to cancel the programme and set the delay time again.
Canceling the Delayed Start function
If you want to cancel the delayed start countdown and start the programme immediately:
- Turn the Programme Selection knob to any programme. Thus, Delayed Start function will be cancelled. The End/Cancel light flashes continuously.
- Then, select the programme you want to run again.
- Press Start / Pause button to start the programme.
Starting the programme
- Press Start / Pause button to start the programme.
- Programme follow-up light showing the startup of the programme will turn on.
Child Lock
Use Child Lock function to prevent children from tampering with the machine. Thus you can avoid any changes in a running programme.
![information]()
- If the Programme Selection knob is rotated when the child lock is active, "Child Lock Enabled LED" will flash 3 times. The Child Lock does not allow any change in the programmes or the selected speed.
- Even if another programme is selected with the Programme Selection knob while the Child Lock is active, previously selected programme will continue running.
- When the Child Lock is active and the machine is running, you can switch the machine to Pause mode without deactivating the Child Lock by turning the Programme Selection knob to On / Off position. When you turn the Programme Selection knob afterwards, the programme will resume.
To activate the Child Lock:
Press and hold Speed and Delayed Start buttons for 3 seconds. While you are holding for 3 seconds, the "Child Lock Enabled LED" will flash. You can release the buttons when the LEDs become permanently on.
To deactivate the Child Lock:
Press and hold Speed and Delayed Start buttons for 3 seconds while any programme is running. While you are holding for 3 seconds, the "Child Lock Enabled LED" will flash. You can release the buttons when the LED turns off completely.
![information]()
- In addition to the method above, to deactivate the Child Lock, switch the Programme Selection knob to On / Off position when no programme is running, and select another programme.
- Child Lock is not deactivated after power failures or when the machine is unplugged.
Progress of programme
Progress of a running programme can be followed from the Programme Follow-up indicator. At the beginning of every programme step, the relevant indicator light will turn on and light of the completed step will turn off.
You can change the speed settings without stopping the programme flow while the programme is running. To do this, the change you are going to make must be in a step after the running programme step. If the change is not compatible, relevant lights will flash for 3 times.
If the machine does not proceed to the spinning step, the Rinse Hold function might be active or the automatic unbalanced load detection system might be activated due to the unbalanced distribution of the laundry in the machine.
Loading door lock
There is a locking system on the loading door of the machine that prevents opening of the loading door in cases when the water level is unsuitable.
Loading door light will start flashing when the machine is switched to Pause mode. The machine checks the level of the water inside. If the level is suitable, the Loading Door light turns off and the loading door can be opened within 1-2 minutes.
If the level is unsuitable, the Loading Door light remains on and the loading door cannot be opened. If you are obliged to open the Loading Door while the Loading Door light is on, you must cancel the current programme. See "Cancelling the programme"
Changing the selections after programme has started
Switching the machine to pause mode
Press the Start / Pause button to switch the machine to pause mode while a programme is running. The light of the step which the machine is in starts flashing in the Programme Follow-up indicator to show that the machine has been switched to the pause mode.
Additionally, when the loading door is openable, the Loading Door light turns off completely.
Changing the speed settings
You can change the speed settings of the programme that is currently running. See "Speed selection".
If no change is allowed, the relevant light will flash 3 times.
Adding or taking out laundry
You can load/unload laundry when a programme is running if the water level is appropriate to open the door. To do this:
- Press Start / Pause button to switch the machine to pause mode. The programme follow-up light of the relevant step during which the machine was switched into the pause mode will flash.
- Wait until the Loading Door can be opened.
- Open the Loading Door and add or take out the laundry.
- Close the Loading Door.
- Make changes in speed settings, if necessary.
- Press Start / Pause button to start the machine.
Cancelling the programme
To cancel the programme, turn the Programme Selection knob to select another programme. Previous programme will be cancelled. End / Cancel light will flash continuously to notify that the programme has been cancelled.
Your machine will end the programme when you turn the Programme Selection knob; however, it does not drain the water inside. When you select and start a new programme, the newly selected programme will start depending on the step the previous programme was cancelled in. For example, it may take in additional water or continue to wash with the water inside.
Some programmes may start by discharging the water inside the machine. Depending on the step where the programme was cancelled in, you may have to put detergent and softener again for the programme you have selected anew.
End of programme
When the programme ends, "End" LED becomes on at the Programme Follow-up indicator.
- Wait until the "Door Lock Enabled LED" goes off completely.
- To switch off the machine, turn the Programme Selection Knob to On/Off position.
- Take out your laundry and close the loading door. Your machine is ready for the next washing cycle.
Your machine features "Pause Mode"
After you switch on your machine with the programme selection button (by switching the button to a different position than the On/Off position), if no programme is started or no other procedure is performed in the selection step or no action is taken within approx. 2 minutes after the selected programme ends, your machine will switch to energy saving mode automatically. The brightness of the indicator lights will decrease. Also, if your product has a display that shows programme time, this display will be completely turned off. If you turn the Programme Selection knob or touch any button, lights and display will switch back to previous condition. The selections which you make when exiting from the energy efficiency may change. Please check the correctness of your selections before starting the programme. If necessary, please make your settings again. This is not an error.
Maintenance and cleaning
Service life of product extends and frequently experienced problems will be reduced if it is cleaned at regular intervals.
Cleaning the detergent drawer
![]()
Clean the detergent drawer at regular intervals (every 4-5 washing cycles) as shown below in order to prevent accumulation of powder detergent in time.
- Press the indicated point on the siphon in the softener compartment and pull the drawer towards you until the compartment is removed from the machine.
- Lift the rear part of the siphon to remove it as illustrated. If more than normal amount of water and softener mixture starts to gather in the softener compartment, the siphon must be cleaned.
- Wash the detergent drawer and the siphon with plenty of lukewarm water in a washbasin. In order to prevent the residues to contact your skin, clean it with an appropriate brush by wearing a pair of gloves.
- Insert the drawer back into its place after cleaning and make sure that it is seated well.
Cleaning the loading door and the drum
For products with drum cleaning programme, please see Operating the product - Programmes.
![information]()
- Repeat Drum Cleaning process in every 2 months.
- Use an anti-limescale suitable for washing machines.
![]()
After every wash make sure that no foreign substance is left in the drum.|
If the holes on the door bellow shown in the figure are blocked, open the holes using a toothpick.
Foreign metal substances will cause rust stains in the drum. Clean the stains on the drum surface by using cleaning agents for stainless steel.
Never use steel wool or wire wool. These will damage the painted, chromated and plastic surfaces.
Cleaning the body and control panel
Wipe the body of the product with soapy water or non-corrosive mild gel detergents as necessary, and dry with a soft cloth.
Use only a soft and damp cloth to clean the control panel.
Cleaning the water intake filters
There is a filter at the end of each water intake valve at the rear of the product and also at the end of each water intake hose where they are connected to the tap. These filters prevent foreign substances and dirt in the water to enter the product. Filters should be cleaned as they do get dirty.
![Beko - WTL74051W - Cleaning the water intake filters Cleaning the water intake filters]()
- Close the taps.
- Remove the nuts of the water intake hoses to access the filters on the water intake valves. Clean them with an appropriate brush. If the filters are too dirty, remove them from their places with a pliers and clean in this way.
- Take out the filters on the flat ends of the water intake hoses together with the gaskets and clean thoroughly under running water.
- Replace the seals and filters carefully and tighten their nuts by hand ensuring there are no leaks.
Draining remaining water and cleaning the pump filter
The filter system in your product prevents solid items such as buttons, coins and fabric fibres clogging the pump impeller during discharge of washing water. Thus, the water will be discharged without any problem and the service life of the pump will extend. If the product fails to drain water inside it, the pump filter is clogged. Filter must be cleaned whenever it is clogged or every 3 months. Water must be drained off first to clean the pump filter.
In addition, prior to transporting the product (e.g., when moving to another house) water should be drained completely.
![]()
Foreign substances left in the pump filter may damage your product or may cause noise problem.
![]()
In regions where freezing is possible, the supply tap must be closed, system hose must be removed and the water inside the product must be drained when the product is not in use.
![]()
After each use, turn off the water tap to which the mains hose is connected.
In order to clean the dirty filter and discharge the water:
- Unplug the product to cut off the supply power.
![]()
Temperature of the water inside the product may rise up to 90 ºC. To avoid the burning risk, clean the filter after the water inside the product is cooled down. - Open the filter cover.
![Beko - WTL74051W - Open the filter cover Open the filter cover]()
- Follow the below procedures in order to drain water.
If the product has an emergency water draining hose, in order to drain the water:
- Pull the emergency draining hose out from its seat
- Place a large container at the end of the hose. Drain the water into the container by pulling out the plug at the end of the hose. When the container is full, block the inlet of the hose by replacing the plug. After the container is emptied, repeat the above procedure to drain the water in the product completely.
- When draining of water is finished, close the end by the plug again and fix the hose in its place.
- Turn and remove the pump filter.
- Clean any residues inside the filter as well as fibres, if any, around the pump impeller region.
- Replace the filter.
- If the filter cap is composed of two pieces, close the filter cap by pressing on the tab. If it is one piece, seat the tabs in the lower part into their places first, and then press the upper part to close.
Troubleshooting
| Problem | Reason | Solution |
| Programme does not start after closing the door. | Start / Pause / Cancel button was not pressed. | - *Press the Start / Pause / Cancel button.
|
| It may be difficult to close the loading door in case of excessive loading. | - Reduce the amount of laundry and make sure that the loading door is closed properly.
|
| Programme cannot be started or selected. | Washing machine has switched to self protection mode due to a supply problem (line voltage, water pressure, etc.). | - To cancel the programme, turn the Programme Selection knob to select another programme. Previous programme will be cancelled. (See "Cancelling the programme")
|
| Water in the machine. | Some water might have remained in the product due to the quality control processes in the production. | - This is not a failure; water is not harmful to the machine.
|
The machine enters standby mode after the programme starts or it does not take in water. | Tap is turned off. | |
| Water inlet hose is bent. | |
| Water inlet filter is clogged. | |
| Loading door may be open. | |
| The water connection may be wrong or water may be cut off (When the water is cut off, washing or rinsing LEDs flash). | - Check the water connection. If the water is cut off, press the Start/Pause key after the water has been supplied again to resume the operation from standby mode.
|
Machine does not drain water. | Water drain hose might be clogged or twisted. | - Clean or flatten the hose.
|
| Pump filter is clogged. | |
Machine vibrates or makes noise. | Machine might be standing unbalanced. | - Adjust the feet to level the machine.
|
| A hard substance might have entered into the pump filter. | |
| Transportation safety bolts are not removed. | - Remove the transportation safety bolts.
|
| Laundry quantity in the machine might be too little. | - Add more laundry to the machine.
|
| Machine might be overloaded with laundry. | - Take out some of the laundry from the machine or distribute the load by hand to balance it homogenously in the machine.
|
| Machine might be leaning on a rigid item. | - Make sure that the machine is not leaning on anything.
|
There is water leaking from the bottom of the washing machine. | Water drain hose might be clogged or twisted. | - Clean or flatten the hose.
|
| Pump filter is clogged. | |
| Machine stopped shortly after the programme started. | Machine might have stopped temporarily due to low voltage. | - It will resume running when the voltage restores to the normal level.
|
| Machine directly discharges the water it takes in. | Draining hose might not be at adequate height. | - Connect the water draining hose as described in the operation manual.
|
| No water can be seen in the machine during washing. | The water level is not visible from outside of the washing machine. | |
| Loading door cannot be opened. | Door lock is activated because of the water level in the machine. | - Drain the water by running the Pump or Spin programme.
|
| Machine is heating up the water or it is at the spinning cycle. | - Wait until the programme completes.
|
| Child lock is engaged. Door lock will be deactivated a couple of minutes after the programme has come to an end. | - Wait for a couple of minutes for deactivation of the door lock.
|
| Loading door may be stuck because of the pressure it is subjected to. | - Grab the handle and push and pull the loading door to release and open it.
|
Washing takes longer time than specified in the manual.(*) | Water pressure is low. | - Machine waits until taking in adequate amount of water to prevent poor
|
| | washing quality due to the decreased amount of water. Therefore, the washing time extends. |
| Voltage might be low. | - Washing time is prolonged to avoid poor washing results when the supply voltage is low.
|
| Input temperature of water might be low. | - Required time to heat up the water extends in cold seasons. Also, washing time can be lengthened to avoid poor washing results.
|
| Number of rinses and/or amount of rinse water might have increased. | - Machine increases the amount of rinse water when good rinsing is needed and adds an extra rinsing step if necessary.
|
| Excessive foam might have occurred and automatic foam absorption system might have been activated due to too much detergent usage. | - Use recommended amount of detergent.
|
| Programme time does not countdown. (On models with display) (*) | Timer may stop during water intake. | - Timer indicator will not countdown until the machine takes in adequate amount of water. The machine will wait until there is sufficient amount of water to avoid poor washing results due to lack of water. Timer indicator will resume countdown after this.
|
| Timer may stop during heating step. | - Timer indicator will not countdown until the machine reaches the selected temperature.
|
| Timer may stop during spinning step. | - Automatic unbalanced load detection system might be activated due to the unbalanced distribution of the laundry in the drum.
|
| Programme time does not countdown. (*) | There might be unbalanced load in the machine. | - Automatic unbalanced load detection system might be activated due to the unbalanced distribution of the laundry in the drum.
|
| Machine does not switch to spinning step. (*) | There might be unbalanced load in the machine. | - Automatic unbalanced load detection system might be activated due to the unbalanced distribution of the laundry in the drum.
|
| The machine will not spin if water is not drained completely. | - Check the filter and the draining hose.
|
| Excessive foam might have occurred and automatic foam absorption system might have been activated due to too much detergent usage. | - Use recommended amount of detergent.
|
| Washing performance is poor: Laundry turns gray. (**) | Insufficient amount of detergent has been used over a long period of time. | - Use the recommended amount of detergent appropriate for water hardness and the laundry.
|
| Washing was made at low temperatures for a long time. | - Select the proper temperature for the laundry to be washed.
|
| Insufficient amount of detergent is used with hard water. | - Using insufficient amount of detergent with hard water causes the soil to stick on the cloth and this turns the cloth into gray in time. It is difficult to eliminate graying once it happens. Use the recommended amount of detergent appropriate for water hardness and the laundry.
|
| Too much detergent is used. | - Use the recommended amount of detergent appropriate for water hardness and the laundry.
|
| Washing performance is poor: Stains persist or the laundry is not whitened. (**) | Insufficient amount of detergent is used. | - Use the recommended amount of detergent appropriate for water hardness and the laundry.
|
| Excessive laundry was loaded in. | - Do not load the machine in excess. Load with amounts recommended in the "Programme and consumption table".
|
| Wrong programme and temperature were selected. | - Select the proper programme and temperature for the laundry to be washed.
|
| Wrong type of detergent is used. | - Use original detergent appropriate for the machine.
|
| Too much detergent is used. | - Put the detergent in the correct compartment. Do not mix the bleaching agent and the detergent with each other.
|
| Washing performance is poor: Oily stains appeared on the laundry. (**) | Regular drum cleaning is not applied. | - Clean the drum regularly. For this, please see "Cleaning the loading door and the drum".
|
| Washing performance is poor: Clothes smell unpleasantly. (**) | Odours and bacteria layers are formed on the drum as a result of continuous washing at lower temperatures and/or in short programmes. | - Leave the detergent drawer as well as the loading door of the machine ajar after each washing. Thus, a humid environment favorable for bacteria cannot occur in the machine.
|
Colour of the clothes faded. (**) | Excessive laundry was loaded in. | - Do not load the machine in excess.
|
| Detergent in use is damp. | - Keep detergents closed in an environment free of humidity and do not expose them to excessive temperatures.
|
| A higher temperature is selected. | - Select the proper programme and temperature according to the type and soiling degree of the laundry.
|
| It does not rinse well. | The amount, brand and storage conditions of the detergent used are inappropriate. | - Use a detergent appropriate for the washing machine and your laundry. Keep detergents closed in an environment free of humidity and do not expose them to excessive temperatures.
|
| Detergent is put in the wrong compartment. | - If detergent is put in the prewash compartment although prewash cycle is not selected, machine can take this detergent during rinsing or softener step. Put the detergent in the correct compartment.
|
| Pump filter is clogged. | |
| Drain hose is folded. | |
| Laundry became stiff after washing. (**) | Insufficient amount of detergent is used. | - Using insufficient amount of detergent for the water hardness can cause the laundry to become stiff in time. Use appropriate amount of detergent according to the water hardness.
|
| Detergent is put in the wrong compartment. | - If detergent is put in the prewash compartment although prewash cycle is not selected, machine can take this detergent during rinsing or softener step. Put the detergent in the correct compartment.
|
| Detergent might be mixed with the softener. | - Do not mix the softener with detergent. Wash and clean the dispenser with hot water.
|
| Laundry does not smell like the softener. (**) | Detergent is put in the wrong compartment. | - If detergent is put in the prewash compartment although prewash cycle is not selected, machine can take this detergent during rinsing or softener step. Wash and clean the dispenser with hot water. Put the detergent in the correct compartment.
|
| Detergent might be mixed with the softener. | - Do not mix the softener with detergent. Wash and clean the dispenser with hot water.
|
| Detergent residue in the detergent drawer. (**) | Detergent is put in wet drawer. | - Dry the detergent drawer before putting in detergent.
|
| Detergent has gotten damp. | - Keep detergents closed in an environment free of humidity and do not expose them to excessive temperatures.
|
| Water pressure is low. | - Check the water pressure.
|
| The detergent in the main wash compartment got wet while taking in the prewash water. Holes of the detergent compartment are blocked. | - Check the holes and clean if they are clogged.
|
| There is a problem with the detergent drawer valves. | - Call the Authorised Service Agent.
|
| Detergent might be mixed with the softener. | - Do not mix the softener with detergent. Wash and clean the dispenser with hot water.
|
| Regular drum cleaning is not applied. | - Clean the drum regularly. For this, please see "Cleaning the loading door and the drum".
|
| Too much foam forms in the machine. (**) | Improper detergents for the washing machine are being used. | - Use detergents appropriate for the washing machine.
|
| Excessive amount of detergent is used. | - Use only sufficient amount of detergent.
|
| Detergent was stored under improper conditions. | - Store detergent in a closed and dry location. Do not store in excessively hot places.
|
| Some meshed laundry such as tulle may foam too much because of their texture. | - Use smaller amounts of detergent for this type of item.
|
| Detergent is put in the wrong compartment. | - Put the detergent in the correct compartment.
|
| Softener is being taken early. | - There may be problem in the valves or in the detergent dispenser. Call the Authorised Service Agent.
|
| Foam is overflowing from the detergent drawer. | Too much detergent is used. | - Mix 1 tablespoonful softener and ½ l water and pour into the main wash compartment of the detergent drawer.
|
| | - Put detergent into the machine suitable for the programmes and maximum loads indicated in the "Programme and consumption table". When you use additional chemicals (stain removers, bleachs and etc), reduce the amount of detergent.
|
| Laundry remains wet at the end of the programme. (*) | Excessive foam might have occurred and automatic foam absorption system might have been activated due to too much detergent usage. | - Use recommended amount of detergent.
|
(*) Machine does not switch to spinning step when the laundry is not evenly distributed in the drum to prevent any damage to the machine and to its surrounding environment. Laundry should be rearranged and re-spun.
(**) Regular drum cleaning is not applied. Clean the drum regularly. See "Cleaning the loading door and the drum".
![]()
If you cannot eliminate the problem although you follow the instructions in this section, consult your dealer or the Authorised Service Agent. Never try to repair a nonfunctional product yourself.
![]()
Documents / Resources
References
Download manual
Here you can download full pdf version of manual, it may contain additional safety instructions, warranty information, FCC rules, etc.
Download Beko WTL74051W, WTL74051B, WTL74051S - Freestanding 7kg 1400rpm Washing Machine Manual
Available languages
Need help?
Do you have a question about the WTL74051W and is the answer not in the manual?
Questions and answers