Whirlpool WVI75UC6DS - 36" Modern Glass Island Mount Range Hood Manual
- 1 INSTALLATION REQUIREMENTS
- 2 INSTALLATION INSTRUCTIONS
- 3 RANGE HOOD USE
- 4 RANGE HOOD CARE
- 5 WIRING DIAGRAM
- 6 ASSISTANCE OR SERVICE
- 7 RANGE HOOD SAFETY
- 8 References
- 9 Download manual
- 10 In Other Languages

INSTALLATION REQUIREMENTS
Tools and Parts
Gather the required tools and parts before starting installation. Read and follow the instructions provided with any tools listed here.
Tools Needed
- Level
- Drill with 1 1/4 " (3.2 cm), 3/ 8 " (9.5 mm), 1/ 8 " (3.2 mm), and 7/64 (2.75 mm) drill bits
- Pilot hole drill bits (determined by chimney support attachment method)
- Pencil
- Wire stripper or utility knife
- Tape measure or ruler
- Pliers
- Caulking gun and weatherproof caulking compound
- Vent clamps
- Jigsaw or keyhole saw
- Flat-blade screwdriver
- Metal snips
- Phillips screwdriver
Parts Needed
- Home power supply cable
- 1/2" (12.7 mm) UL listed or CSA approved strain relief
- 3 UL listed wire connectors
For Vented Installations, You Will Also Need:
- 1 wall or roof cap
- Metal vent system
For Non-Vented (Recirculating) Installations, You Will Also Need:
- Recirculation Kit Part Number W10680067 for non-vented (recirculating) installations only. See "Assistance or Service" section to order.
- 6" (15.2 cm) diameter round metal vent duct - length required is determined by ceiling height.
Parts Supplied
Remove parts from packages. Check that all parts are included.
- Hood ventilator assembly with canopy glass, retainer brackets, rubber seals, and LED lights installed
- Metal grease filter
- 60 - 4.2 x 8 mm screws
- 4 - 3.5 x 6.5 mm screws
- 4 - 5 x 45 mm screws
- 2 - 2.9 x 3 mm screws
- T10 Torx ®† adapter
- T20 ®† Torx ® adapter
- 2 - Upper vent covers
- 2 - Lower vent covers
- 4 - Plastic vent clips
- Mounting template
- Upper horizontal support bracket
- Horizontal support
- 8 - Vertical supports
- Vent transition with back draft damper installed
- 2 - 3.5 x 9.5 mm mounting screws
--
†®TORX and T20 are registered trademarks of Acument Intellectual Properties, LLC.
Location Requirements
Observe all governing codes and ordinances. Have a qualified technician install the range hood. It is the installer's responsibility to comply with installation clearances specified on the model/serial/rating plate. The model/serial/ rating plate is located behind the left filter on the rear wall of the vent hood.
Canopy hood location should be away from strong draft areas, such as windows, doors and strong heating vents.
Cabinet opening dimensions that are shown must be used. Given dimensions provide minimum clearance.
Grounded electrical outlet is required. See "Electrical Requirements" section.
Because of the size and weight of this island hood, the chimney support must be securely attached to the ceiling.
- For plaster or drywall ceilings, the chimney support must be attached to joists. If this is not possible, you must build a support structure behind the plaster or drywall. The support structure must be able to support 80 lbs (36.6 kg).
This range hood is recommended for use with cooktops with a maximum total rating of 60,000 BTUs or less. The range hood is factory set for venting through the roof or wall. For non-vented (recirculating) Installation see "Non-vented (recirculating) Installation" in "Install Range Hood" section. Recirculation Kit Part Number W10680067 is available from your dealer or an authorized parts distributor.
All openings in ceiling and wall where canopy hood will be installed must be sealed.
For Mobile Home Installations
The installation of this range hood must conform to the Manufactured Home Construction Safety Standards, Title 24 CFR, Part 328 (formerly the Federal Standard for Mobile Home Construction and Safety, Title 24, HUD, Part 280) or when such standard is not applicable, the standard for Manufactured Home Installation 1982 (Manufactured Home Sites, Communities and Setups) ANSI A225.1/NFPA 501A, or latest edition, or with local codes.
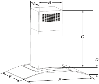
Product Dimensions

- 121/4 " (31.1 cm)
- 13 3/16" (33.5 cm)
- *29 3/4" (75.6 cm) min. 44 13/16" (113.8 cm) max.
**29 3/4" (75.6 cm) min. 49 13/16" (126.5 cm) max. - 3 1/2" (8.9 cm)
- 36" (91.4 cm)
- 253/16" (64 cm)
* Vented installations only
** Non-vented (recirculating) installations only
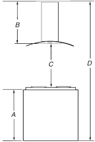
Installation Dimensions

- Countertop height
- Hood height from ceiling to bottom of the range hood filter surface: D-A-C=B
- Hood height: 24" (61 cm) min. from electric cooking surface, 27" (68.6 cm) min. from gas cooking surface, suggested 36" (91.4 cm) max.
- Ceiling height
Minimum distance "C": 24" (61 cm) from electric cooking surface, 27" (68.6 cm) from gas cooking surface
Suggested maximum distance "C": 36" (91.4 cm)
The chimneys can be adjusted for different ceiling heights.
See the following chart.
Vented Installations
| Min. ceiling height | Max. ceiling height | |
| Electric cooking surface | 7' 8" (2.34 m) | 9' 10" (3 m) |
| Gas cooking surface | 7' 11" (2.41 m) | 9' 10" (3 m) |
Non-Vented (Recirculating) Installations
| Min. ceiling height | Max. ceiling height | |
| Electric cooking surface | 7' 8" (2.34 m) | 10' 3" (3.12 m) |
| Gas cooking surface | 7' 11" (2.41 m) | 10' 3" (3.12 m) |
NOTE: The range hood chimneys are adjustable and designed to meet varying ceiling or soffit heights depending on the distance "C" between the bottom of the range hood and the cooking surface. For higher ceilings, a Stainless Steel Chimney Extension Kit Part Number W10688278 is available from your dealer or an authorized parts distributor. The chimney extension replaces the upper chimney shipped with the range hood.
Venting Requirements
- Vent system must terminate to the outdoors except for non-vented (recirculating) installations.
- Do not terminate the vent system in an attic or other enclosed area.
- Do not use 4" (10.2 cm) laundry-type wall cap.
- Use metal vent only. Rigid metal vent is recommended. Plastic or metal foil vent is not recommended.
- The vent system must have a damper. If the roof or wall cap has a damper, do not use the damper supplied with the range hood.
For the Most Efficient and Quiet Operation:
- Use a straight run or as few elbows as possible.
- Use no more than three 90° elbows.
- Make sure there is a minimum of 24" (61 cm) of straight vent between the elbows if more than 1 elbow is used.
- Do not install 2 elbows together.
- Use vent clamps to seal all joints in the vent system.
- Use caulking to seal exterior wall or roof opening around the cap.
- The size of the vent should be uniform.
Cold Weather Installations
An additional back draft damper should be installed to minimize backward cold air flow and a thermal break should be installed to minimize conduction of outside temperatures as part of the vent system. The damper should be on the cold air side of the thermal break.
The break should be as close as possible to where the vent system enters the heated portion of the house.
Makeup Air
Local building codes may require the use of makeup air systems when using ventilation systems greater than specified CFM of air movement. The specified CFM varies from locale to locale. Consult your HVAC professional for specific requirements in your area.
Venting Methods
This island hood is factory set for venting through the roof.
A 6" (15.2 cm) round vent system is needed for installation (not included). The hood exhaust opening is 6" (15.2 cm) round.
NOTE: Flexible vent is not recommended. Flexible vent creates back pressure and air turbulence that greatly reduce performance.
Vent system can terminate either through the roof or wall.
To vent through a wall, a 90° elbow is needed.
For Non-Vented (Recirculating) Installations
If it is not possible to vent cooking fumes and vapors to the outside, the hood can be used in the non-vented (recirculating) version, fitting a charcoal filter and the deflector. Fumes and vapors are recycled through the top grille. To order, see the "Assistance or Service" section.
Non-Vented (Recirculating)

- Deflector
- 6" (15.2 cm) round vent
Roof Venting

- Roof cap
- 6" (15.2 cm) round vent
NOTE: If codes permits, wall venting can be an option for 2-story homes.
Calculating Vent System Length
To calculate the length of the system you need, add the equivalent feet (meters) for each vent piece used in the system.
| Vent Piece | 6" (15.2 cm) Round | |
| 45° elbow | 2.5 ft (0.8 m) | |
| 90° elbow | 5 ft (1.5 m) | ![]() |
Maximum equivalent vent length is 35 ft (10.7 m).
Example Vent System

The following example falls within the maximum recommended vent length of 35 ft (10.7 m).
1 - 90° elbow = 5 ft (1.5 m)
1 - wall cap = 0 ft (0 m)
8 ft (2.4 m) straight = 8 ft (2.4 m)
Length of system = 13 ft (3.9 m)
Electrical Requirements
Observe all governing codes and ordinances.
Ensure that the electrical installation is adequate and in conformance with National Electrical Code, ANSI/NFPA 70 (latest edition), or CSA Standards C22.1-94, Canadian Electrical Code, Part 1 and C22.2 No. 0-M91 (latest edition) and all local codes and ordinances.
If codes permit and a separate ground wire is used, it is recommended that a qualified electrician determine that the ground path is adequate.
A copy of the above code standards can be obtained from:
National Fire Protection Association
1 Batterymarch Park
Quincy, MA 02169-7471
CSA International
8501 East Pleasant Valley Road
- A 120 volt, 60 Hz., AC only, 15-amp, fused electrical circuit is required.
- If the house has aluminum wiring, follow the procedure below:
- Connect a section of solid copper wire to the pigtail leads.
- Connect the aluminum wiring to the added section of copper wire using special connectors and/or tools designed and UL listed for joining copper to aluminum.
Follow the electrical connector manufacturer's recommended procedure. Aluminum/copper connection must conform with local codes and industry accepted wiring practices.
- Wire sizes and connections must conform with the rating of the appliance as specified on the model/serial/rating plate. The model/serial/rating plate is located behind the left filter on the rear wall of the range hood.
- Wire sizes must conform to the requirements of the National Electrical Code, ANSI/NFPA 70 (latest edition), or CSA Standards C22. 1-94, Canadian Electrical Code, Part 1 and C22.2 No. 0-M91 (latest edition) and all local codes and ordinances.
INSTALLATION INSTRUCTIONS
Prepare Location
- Lay out the vent duct system before installing the range hood to determine the best routing for the vent duct.
- It is recommended that the vent system be installed before the range hood is installed.
- Before making cutouts, make sure there is proper clearance within the ceiling for exhaust vent.
- Range hood is to be installed 24" (61 cm) min. for electric cooking surfaces, 27" (68.6 cm) min. for gas cooking surfaces, to a suggested maximum of 36" (91.4 cm) above the cooking surface.
- Remove film from metal surfaces as needed prior to assembly.
- Check your ceiling height and the range hood height maximum before you install your hood.
- Disconnect power.
- Determine which venting method to use: roof, wall or non-vented.
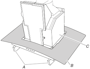
- Select a flat surface for assembling the range hood. Place covering over that surface. Place two 3" (7.6 cm) high spacers (not included) onto the covered surface.
NOTE: Cover the spacers to avoid damage to the range hood surface.
Excessive Weight Hazard
Use two or more people to move and install range hood.
Failure to do so can result in back or other injury. - Using 2 or more people, lift range hood onto covered spacers.
- Covered spacers
- Glass canopy
- Ventilator assembly
Range Hood Mounting Screws Installation
- Determine and mark the centerline on the ceiling where the range hood will be installed, considering the requirements for ceiling support structures. See the "Location Requirements" section. Make sure the range hood is centered over the cooking surface.
- Tape template in place on the ceiling at the marked centerline. The line for the front of the range hood should be parallel to the front of the cooktop.
![]()
- Use a pencil to mark the mounting screws, wire access and duct hole locations on the ceiling.
NOTE: Mounting hole locations should be into a ceiling support structure capable of holding 80 lbs (36.6 kg). Remove the template.
- Drill 4 - 3/16" (4.8 mm) pilot holes for mounting the upper horizontal support.
Complete Preparation
- Determine the required location for the home power supply cable and drill a 1/2" (1.3 cm) diameter hole for wire access.
- Run 1/2" (1.3 cm) conduit and wires or home power supply cable according to the National Electrical Code or CSA Standards and local codes and ordinances. There must be enough 1/2" conduit and wires or home power supply cable from the fused disconnect (or circuit breaker) box to make the connection in the hood's electrical terminal box.
NOTE: Do not reconnect power until installation is complete.
- For vented installations only: Using a jigsaw or keyhole saw, cut a 61/2" (16.5 cm) diameter hole for the vent duct.
- Attach the upper horizontal support bracket with 4 - 5 x 45 mm wood screws.
NOTE: Upper horizontal support screws must be into a ceiling support structure capable of holding 80 lbs (36.6 kg).
A. Upper horizontal support
Install In-Line Smart Kit - Optional
NOTE: Your range hood can work with either an internal or an inline (external) blower motor system. An optional In-Line Smart Kit (purchased separately) allows the blower motor that comes with this range hood to be installed in a location other than inside the range hood cavity.
To reduce the risk of fire and electric shock, install this range hood only with the In-Line Smart Kit manufactured by Whirlpool, Part Number W10692945.
For installation see the In-Line Smart Kit installation instructions.
See the "Assistance or Service" section to order.
Assemble Range Hood
- Install transition on top of hood (if removed for shipping) with 2 - 3.5 x 9.5 mm sheet metal screws.
- Vent transition
- 3.5 x 9.5 mm screw
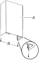
- Position the 4 vertical supports (A) with the notches at the bottom and attach to the range hood using 16 - 4.2 x 8 mm screws.
- Attach the horizontal support (B) using 8 - 4.2 x 8 mm screws.
- Vertical supports
- Horizontal support
- Notched end
- Attach a second set of vertical supports (A) and set the vertical height (B). See "Installation Dimensions" in the "Location Requirements" section to help determine the desired dimension for vertical height "B." Secure with 16 - 4.2 x 8 mm T20® screws.
- Vertical supports
- Vertical height
Install Range Hood
Non-Vented (recirculating) Installation
- Attach the air deflector to the upper horizontal support using 4 mounting screws.
- Deflector
- Mounting screws
- Measure the length of 6" (15.2 cm) duct needed to connect the transition to the deflector.
NOTE: Vent should fit up inside the deflector 1" (2.5 cm) minimum.
- Install vent between the transition and the deflector.
NOTE: To make vent installation easier, temporarily remove the deflector from the chimney support bracket and replace after vent section is in place.
- Seal all connections with vent clamps. Continue with "Range Hood Installation" in this section.
Range Hood Installation
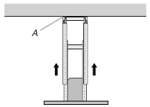
- Using 2 or more people, lift the range hood assembly and attach it by snapping the vertical supports to the spring clips in the upper horizontal support bracket that is mounted to the ceiling.
NOTE: The range hood assembly must be held in place while you are installing the screws in the next step.
- Install 16 - 4.2 x 8 mm screws and tighten to secure.
A. Mounting screws
Connect Vent System
- Install vent system.
- Push duct over the exhaust outlet. Seal all connections with vent clamps.
- Use caulk to seal all openings.
Make Electrical Connection
Electrical Shock Hazard
Disconnect power before servicing.
Replace all parts and panels before operating.
Failure to do so can result in death or electrical shock.
- Disconnect power.
- Remove terminal box cover.
- Remove the knockout in the terminal box and install a UL listed or CSA approved 1/2" strain relief.
- Knockout
- Terminal box
- Terminal box cover
- Run home power supply cable through strain relief into terminal box.
![Whirlpool - WVI75UC6DS - Make Electrical Connection - Step 2 Make Electrical Connection - Step 2]()
- Home power supply cable
- UL listed or CSA approved strain relief
- Black wires
- UL listed wire connectors
- White wires
- Green (or bare) and yellow-green ground wires
- Use UL listed wire connectors and connect black wires (C) together.
- Use UL listed wire connectors and connect white wires (E) together.
Electrical Shock Hazard
Electrically ground blower.
Connect ground wire to green and yellow ground wire in terminal box.
Failure to do so can result in death or electrical shock.
- Connect green (or bare) ground wire from home power supply to yellow-green ground wire (F) in terminal box using UL listed wire connectors.
- Tighten strain relief screw.
- Install terminal box cover.
- Check that all light bulbs are secure in their sockets.
- Reconnect power.
Optional Power Cord Kit Installations
For optional power cord kit installations, follow the instructions supplied with the power cord kit. See the "Assistance or Service" section for information on ordering.
NOTE: Use only with range hood cord connection kits that have been investigated and found acceptable for use with this model range hood.
Install Duct Covers
NOTE: Remove the film from the duct covers.
- Assemble the upper duct covers together and install the duct covers around the support frame. The larger hole in the flanges of the upper duct cover must be outside the smaller hole in the mating flange of the other upper duct cover.
- Secure the upper duct covers together with two 3.5 x 6.5 mm screws at the top and two 2.9 x 3 mm screws at the bottom. Install 1 screw on each side at the top and bottom of the assembled duct covers.
- 3.5 x 6.5 mm screws (2)
- Assembly holes (larger hole outside of smaller hole on both sides)
- 2.9 x 3 mm screws (2)
NOTE: For non-vented (recirculating) installation, the slotted holes in the upper duct covers will be visible when assembled. For vented installations, the slotted holes will be hidden down inside the lower duct covers.

- Top toward ceiling
- Slots installed up for non-vented installations
- Slots installed down for vented installations
- Slide the upper duct covers up the frame to the ceiling and secure to the upper horizontal support with 2 - 3.5 x 6.5 mm screws.
![Whirlpool - WVI75UC6DS - Install Duct Covers Step 2 Install Duct Covers Step 2]()
- 3.5 x 6.5 mm screw
- Slotted holes (2)
- Upper duct covers
- Ceiling
- Place the long end of the plastic clips (2) into the bottom of the front lower duct cover.
- Lower duct cover - (front)
- Plastic clips (2) (long end for front placement)
- Install the lower duct cover (front) to the range hood canopy. Spread the lower duct cover opening slightly and position it over the upper duct cover. Set the lower duct cover in place. Position so the flanges of the lower duct cover set into the flanges of the upper duct covers.
- Range hood canopy
- Plastic clips
- Lower duct covers
- Upper duct covers
- Install the lower duct cover (rear) to the range hood canopy. Spread the lower duct cover opening slightly and position it over the upper duct cover. Set the lower duct cover in place. Position so the flanges of the lower duct cover set into the flanges of the upper duct cover. Make sure the front and rear lower duct covers mate properly.
NOTE: When assembling the rear lower duct cover to the front lower duct cover, the flange (both sides) must be placed over the plastic clip to secure the lower duct covers together at the bottom.
- Lower duct cover (rear)
- Plastic clips
- Lower duct covers
- Upper duct covers
- Secure the lower duct covers together at the top using 2 plastic clips. Use one plastic clip on each side.
- Plastic clips (2)
- Lower duct covers top clip area
- Secure the lower duct cover to the range hood canopy using 4 - 4.2 x 8 mm screws.
Complete Installation
- For non-vented (recirculating) installations only, install charcoal filters over metal grease filter. See the "Range Hood Care" section.
- Install metal filters. See the "Range Hood Care" section.
- Check the operation of the range hood blower and light. See the "Range Hood Use" section.
If range hood does not operate, check to see whether a circuit breaker has tripped or a household fuse has blown.
NOTE: To get the most efficient use from your new range hood, read the "Range Hood Use" section.
RANGE HOOD USE
The range hood is designed to remove smoke, cooking vapors and odors from the cooktop area. For best results, start the hood before cooking and allow it to operate several minutes after the cooking is complete to clear all smoke and odors from the kitchen.
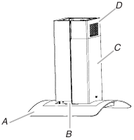
The hood controls are located on the front side of the canopy.

- Louver holes (non-vented [recirculating] installations only)
- Duct covers
- Control panel
- LED lights
- Metal grease filters (located behind the perimetric cover)
- Perimetric cover
- Glass canopy
- Light switch (ambient lighting)
Range Hood Controls

- Blower speed maximum button
- Blower speed medium button
- Blower speed minimum button
- Blower off button
- On/Off LED task light button
Operating the LED task light
The On/Off light button controls both lights. Press once for On and again for Off.
Operating the blower
The Blower Speed buttons turn the blower On and control the blower speed and sound level for quiet operation. The speed can be changed anytime during fan operation by pressing the desired Blower Speed button.
The Blower Off button turns the blower Off.
Operating the Ambient Lighting
The switch controls the ambient lighting.

Auto
On
Off
- Press to the left to turn Auto On.
- Press to the right to turn Ambient Lighting On.
- Press to the center to turn Ambient Lighting or Auto Off.
NOTE: When the Ambient Lighting is placed in the Auto setting, a sensor will automatically sense if it is dark in the area around the range hood. The Ambient Lighting will turn on and stay on until it senses there is enough light in the area around the range hood, or the Ambient Lighting switch is placed in the On or Off position.
RANGE HOOD CARE
Cleaning
Clean the hood and grease filters frequently according to the following instructions. Replace grease filters before operating hood.
Exterior Surfaces
To avoid damage to the exterior surface, do not use steel wool or soap-filled scouring pads.
Always wipe dry to avoid water marks.
Cleaning Method:
- Liquid detergent soap and water, or all-purpose cleanser.
- Wipe with damp soft cloth or nonabrasive sponge, and then rinse with clean water and wipe dry.
Metal Grease Filter
- Open the stainless steel panel. Grasp panel at the left corners and pull down to disengage the 2 catch pins from the spring catches. The panel is attached at the right and will rotate down.
- Remove the filter by pulling the spring release handle and then pulling down the filter.
![]()
A. Spring release handle
- Wash metal filter as needed in dishwasher or hot detergent solution.
- Reinstall the filter by making sure the spring release handles are toward the front. Insert aluminum filter into upper track.
- Push in spring release handle.
- Push up on metal filter and release handle to latch into place.
Non-Vented (recirculating) Installation Filters
The charcoal filter is not washable. It should last up to 6 months with normal use. Replace with Charcoal Filter Kit Number W10412939.
To replace charcoal filter:
- Remove metal grease filter from range hood. See "Metal Grease Filter" in this section.
- Bend spring clips away from metal grease filter.
![]()
- Place charcoal filter into top side of metal filter.
- Bend spring clips back into place to secure the charcoal filter to the metal filter.
- Replace metal grease filter. See "Metal Grease Filter" in this section.
Replacing an LED Lamp
The LED lights are replaceable by a service technician only.
See "Assistance and Service" section for service contact information.
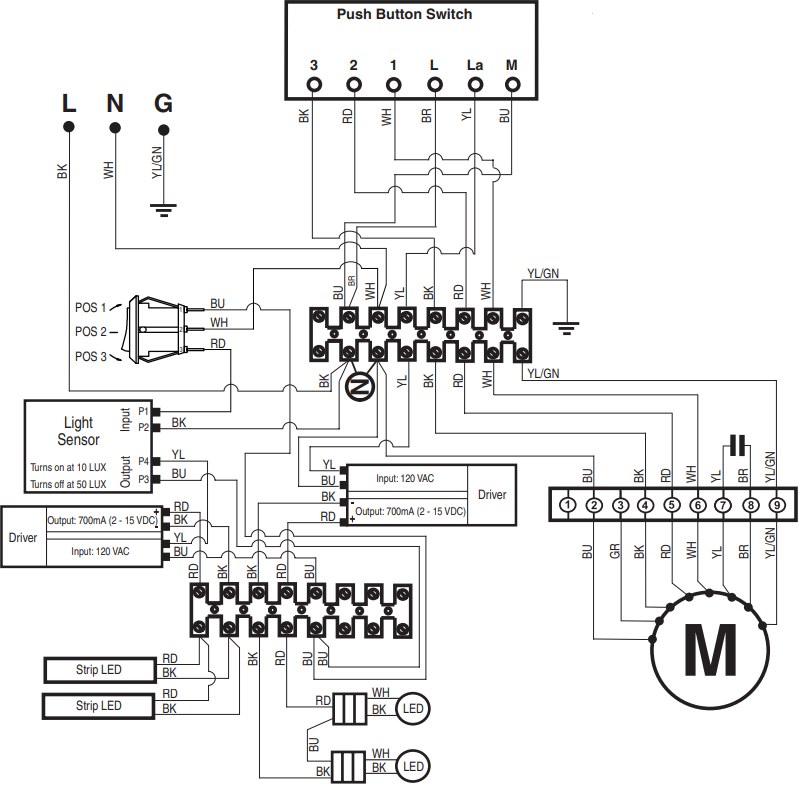
WIRING DIAGRAM

SE136C
Tab.1
| Ambient Light Switch | ||
| Function | Position | |
| On | Position 3 | ![]() |
| Off | Position 2 | ![]() |
| Auto | Position 1 | ![]() |
Tab.2
| Push Button Switch Operation | |
| Function | Position |
| Off | No Connection |
| Lamps | Blue - Yellow (M - La) |
| Low Speed | Brown - White (L - 1) |
| Med Speed | Brown - Red (L - 2) |
| High Speed | Brown - Black (L - 3) |
| Motor Specifications | |
| Power Supply | 120 VAC |
| Frequency | 60 HZ |
| Power Absorption | 240 W |
| Motor Resistance (Ω) | |
| Blue - Black | 28.8 |
| Blue - Gray | 30.3 |
| Blue - Red | 37.7 |
| Blue - White | 45.1 |
| Room Temp. | 73ºF 23ºC |
ASSISTANCE OR SERVICE
If you need replacement parts
If you need to order replacement parts, we recommend that you use only factory specified parts. Factory specified parts will fit right and work right because they are made with the same precision used to build every new appliance.
To locate factory specified replacement parts in your area, call the following customer assistance telephone number or your nearest designated service center.
In the U.S.A.
Call the Whirlpool Customer eXperience Center toll free: 1-800-253-1301 or visit our website at www.whirlpool.com.
Our consultants provide assistance with:
- Scheduling of service. Whirlpool designated service technicians are trained to fulfill the product warranty and provide after-warranty service anywhere in the United States.
- Features and specifications on our full line of appliances.
- Referrals to local dealers.
- Installation information.
- Use and maintenance procedures.
- Accessory and repair parts sales.
- Specialized customer assistance (Spanish speaking, hearing impaired, limited vision, etc.).
For further assistance
If you need further assistance, you can write to Whirlpool Corporation with any questions or concerns at:
Whirlpool Brand Home Appliances
Customer eXperience Center
553 Benson Road
Benton Harbor, MI 49022-2692
Please include a daytime phone number in your correspondence.
In Canada
Call the Whirlpool Canada Customer eXperience Centre toll free:
1-800-807-6777, or visit our website at www.whirlpool.ca.
Our Consultants Provide Assistance With:
- Scheduling of Service. Whirlpool designated service technicians are trained to fulfill the product warranty and provide after-warranty service anywhere in Canada.
- Features and specifications on our full line of appliances.
- Referrals to local dealers.
- Use and maintenance procedures.
- Accessory and repair parts sales.
For Further Assistance
If you need further assistance, you can write to Whirlpool Canada with any questions or concerns at:
Whirlpool Brand Home Appliances Customer eXperience Centre 200 - 6750 Century Ave.
Mississauga, Ontario L5N 0B7
Please include a daytime phone number in your correspondence.
Accessories
Recirculation Kit
(for non-vented installations only)
Order Part Number W10680067
Charcoal Filter Kit
(for non-vented installations only)
Order Part Number W10412939
Chimney Extension Kit
Order Part Number W10688278
Power Cord Kit
Order Part Number W10613691
In-Line Smart Kit
Order Part Number W10692945
RANGE HOOD SAFETY
Your safety and the safety of others are very important.
We have provided many important safety messages in this manual and on your appliance. Always read and obey all safety messages.
This is the safety alert symbol.
This symbol alerts you to potential hazards that can kill or hurt you and others.
All safety messages will follow the safety alert symbol and either the word "DANGER" or "WARNING."
These words mean:
You can be killed or seriously injured if you don't immediately follow instructions.
You can be killed or seriously injured if you don't follow instructions.
All safety messages will tell you what the potential hazard is, tell you how to reduce the chance of injury, and tell you what can happen if the instructions are not followed.
State of California Proposition 65 Warnings:
- This product contains one or more chemicals known to the State of California to cause cancer.
- This product contains one or more chemicals known to the State of California to cause birth defects or other reproductive harm.
IMPORTANT SAFETY INSTRUCTIONS
TO REDUCE THE RISK OF FIRE, ELECTRIC SHOCK, OR INJURY TO PERSONS, OBSERVE THE FOLLOWING:
- Use this unit only in the manner intended by the manufacturer. If you have questions, contact the manufacturer.
- Before servicing or cleaning the unit, switch power off at service panel and lock the service disconnecting means to prevent power from being switched on accidentally. When the service disconnecting means cannot be locked, securely fasten a prominent waming device, such as a tag, to the service panel.
- Installation work and electrical wiring must be done by qualified person(s) in accordance with all applicable codes and standards, including fire-rated construction.
- Do not operate any fan with a damaged cord or plug. Discard fan or return to an authorized service facility for examination and/or repair.
- Sufficient air is needed for proper combustion and exhausting of gases through the flue (chimney) of fuel burning equipment to prevent backdrafting, Follow the heating equipment manufacturer's guideline and safety standards such as those published by the National Fire Protection Association (NFPA), the American Society for Heating, Refrigeration and Air Conditioning Engineers (ASHRAE), and the local code authorities.
- When cutting or drilling into wall or ceiling, do not damage electrical wiring and other hidden utilities.
- Ducted fans must always be vented outdoors.
For general ventilating use only. Do not use to exhaust hazardous or explosive materials and vapors.
To reduce risk of fire and to properly exhaust air, be sure to duct air outside - do not vent exhaust air into spaces within walls or ceilings, attics or into crawl spaces, or garages.
TO REDUCE THE RISK OF FIRE, USE ONLY METAL DUCTWORK
TO REDUCE THE RISK OF A RANGE TOP GREASE FIRE:
- Never leave surface units unattended at high settings. Boilovers cause smoking and greasy spillovers that may ignite. Heat oils slowly on low or medium settings.
- Always turn hood ON when cooking at high heat or when flambeing food (i.e. Crepes Suzette, Cherries Jubilee, Peppercorn Beef Flambé).
- Clean ventilating fans frequently. Grease should not be allowed to accumulate on fan or filter.
- Use proper pan size. Always use cookware appropriate for the size of the surface element.
TO REDUCE THE RISK OF INJURY TO PERSONS IN THE EVENT OF A RANGE TOP GREASE FIRE, OBSERVE THE FOLLOWING:
- SMOTHER FLAMES with a close fitting lid, cookie sheet, or metal tray, then tum off the bumer. BE CAREFUL TO PREVENT BURNS. If the flames do not go out immediately, EVACUATE AND CALL THE FIRE DEPARTMENT.
- NEVER PICK UP A FLAMING PAN - you may be burned
- DO NOT USE WATER, including wet dishcloths or towels - a violent steam explosion will result
- Use an extinguisher ONLY if:
- You know you have a class ABC extinguisher, and you already know how to operate it.
- The fire is small and contained in the area where it started.
- The fire department is being called.
- You can fight the fire with your back to an exit.
"Based on "Kitchen Fire Safety Tips" published by NFPA.
To reduce the risk of fire or electrical shock, do not use this fan with any solid-state speed control device.
READ AND SAVE THESE INSTRUCTIONS
For questions about features, operation/performance, parts, accessories or service, call:
1-800-253-1301 or visit our website at www.whirlpool.com
In Canada, call 1-800-807-6777 or visit our website at www.whirlpool.ca
References
Home, Kitchen & Laundry Appliances & Products | Whirlpool
Shop Kitchen Appliances: Washing Machines, Dryers & More | Whirlpool
Download manual
Here you can download full pdf version of manual, it may contain additional safety instructions, warranty information, FCC rules, etc.
Download Whirlpool WVI75UC6DS - 36" Modern Glass Island Mount Range Hood Manual









Need help?
Do you have a question about the WVI75UC6DS and is the answer not in the manual?