KitchenAid KMBP107 - 27" Built In Microwave Oven with Convection Cooking Manual

OVEN MAINTENANCE AND CARE
General Cleaning
Before cleaning, make sure all controls are off and the oven is cool. Always follow label instructions on cleaning products.
Soap, water and a soft cloth or sponge are suggested first unless otherwise noted.
STAINLESS STEEL AND BLACK STAINLESS STEEL (on some models)
NOTE: To avoid damage to stainless steel surfaces, do not use soap-filled scouring pads, abrasive cleaners, Cooktop Cleaner, steel-wool pads, gritty washcloths or abrasive paper towels. Damage may occur to stainless steel surfaces, even with one-time or limited use.
Rub in direction of grain to avoid damaging.
Cleaning Method:
- Affresh® Stainless Steel Cleaner Part Number W10355016 (not included) or affresh® Stainless Steel Cleaning Wipes Part Number W10355049 (not included):
See the Quick Start Guide for ordering information. - Vinegar for hard water spots.
MICROWAVE OVEN DOOR EXTERIOR
Cleaning Method:
- Glass cleaner and a soft cloth or sponge: Apply glass cleaner to soft cloth or sponge, not directly on panel.
- Affresh® Kitchen Appliance Cleaner Part Number W10355010 (not included): See "Online Ordering Information" section from Quick Start Guide to order.
MICROWAVE OVEN CAVITY
To avoid damage to microwave oven cavity, do not use soap-filled scouring pads, abrasive cleaners, steel-wool pads, gritty washcloths, or some paper towels.
On stainless steel models, rub in direction of grain to avoid damaging.
The area where the oven door and frame touch when closed should be kept clean.
Cleaning Method:
Average Soil
- Mild, nonabrasive soaps and detergents:
Rinse with clean water and dry with soft, lint-free cloth.
Heavy Soil
- Mild, nonabrasive soaps and detergents:
Heat 1 cup (250 mL) of water for 2 to 5 minutes in oven. Steam will soften soil. Rinse with clean water and dry with soft, lint-free cloth.
Odors
- Lemon juice or vinegar
Heat 1 cup (250 mL) of water with 1 tablespoon (15 mL) of either lemon juice or vinegar for 2 to 5 minutes in oven.
MICROWAVE OVEN CEILING
The broil element does not need cleaning since the intense heat will burn off any food spatters. However, the ceiling above the broil element may need regular cleaning.
Cleaning Method:
Warm water, mild detergent, and a sponge.
To Clean:
- Push the fastening thread gently towards the back of the ceiling and then lower it to release the broil element.
![]()
- Lower the front of the broil element to access the ceiling for cleaning.
- Raise broil element back up and return the fastening thread back to its original location.
![]()
Always return the broil element to the cooking position after cleaning.
TURNTABLE
Replace turntable immediately after cleaning. Do not operate the microwave oven without the turntable in place.
Cleaning Method:
- Mild cleanser and scouring pad
- Dishwasher
RACK
- Steel-wool pad
- Dishwasher
CRISPER PAN
To avoid damage to browning pan, do not immerse or rinse with water while the crisper pan is hot. Do not use steel-wool pads.
Cleaning Method:
- Warm water, mild detergent, and a sponge. Heavily soiled areas can be cleaned with a scouring pad and mild cleanser.
- Dishwasher
STEAMER
- Dishwasher
BAKING TRAY
- Dishwasher
TURNTABLE SUPPORT AND ROLLERS, HUB, CRISPER PAN HANDLE
- Dishwasher
INSTALLATION INSTRUCTIONS REQUIREMENTS
Tools and Parts
Tools Needed
- Phillips screwdriver
- Measuring tape
- Hand or electric drill (for wall cabinet installations)
- 1" (2.5 cm) drill bit (for wall cabinet installations)
- 1/8" (3 mm) drill bit (for wall cabinet installations)
- Level
- Flat-blade screwdriver
Parts Needed
- UL-listed or CSA-approved conduit connector
- UL-listed wire connectors
Parts Needed – Flush Installation
To order, see the "Online Ordering Information" section of the Quick Start Guide.
Parts Supplied

- Spacer bars (2)
- Bottom vent (1)
- 3/8" (9.5 mm) hex-head washer screws (4)
- 3/4" (1.9 cm) pan-head screws (4)
- 3/4" (1.9 cm) truss-head screws (2) Check local codes.
Check existing electrical supply. See "Electrical Requirements."
It is recommended that all electrical connections be made by a licensed, qualified electrical installer.
NOTE: Be sure to purchase only whirlpool factory-certified parts and accessories for your appliance. Your installation may require additional parts. To order, refer to the contact information referenced in your Quick Start Guide.
Location Requirements
Observe all governing codes and ordinances.
- Cabinet opening dimensions that are shown must be used. Given dimensions provide minimum clearance with oven.
- Recessed installation area must provide complete enclosure around the recessed portion of the oven.
- Grounded electrical supply is required. See "Electrical Requirements" section.
- Electrical supply junction box should be located 3" (7.6 cm) maximum below the support surface when the microwave oven is installed in a wall cabinet. A 1" (2.5 cm) minimum diameter hole should have been drilled in the left rear corner of the support surface to pass the appliance cable through to the junction box.
- For installation above a single built-in oven, the junction box must be located inside upper cabinet.
- If you are installing the junction box on rear wall behind the microwave oven, the junction box must be recessed and located in the upper or lower right or left corner of the cabinet; otherwise, the microwave oven will not fit into the cabinet opening.
- Microwave oven support surface must be solid, level and flush with bottom of cabinet cutout. Floor must be able to support a weight of 90 lbs (41.0 kg).
To avoid damage to your cabinets, check with your builder or cabinet supplier to make sure that the materials used will not discolor, delaminate or sustain other damage. This oven has been designed in accordance with the requirements of UL and CSA International and complies with the maximum allowable wood cabinet temperatures of 194°F (90°C).
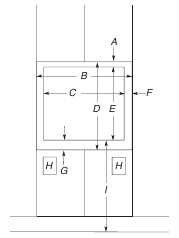
Cabinet Dimensions

27" (68.6 cm) models
- 27" (68.6 cm) minimum cabinet width
- 18 5 / 8 " (47.3 cm) from bottom of cutout to bottom of upper cabinet door
- 40" (101.6 cm) bottom of cutout to floor (recommended)
- 25 1 / 2 " (64.8 cm) cutout width
- 1 1 / 2 " (3.8 cm) minimum bottom of cutout to top of cabinet door
- 17 5 / 8 " (44.7 cm) recommended cutout height (will fit cutout height from 17 3 / 8 " [44.1 cm] to 17 3 / 4 " [45.1 cm])
- 21 7 / 8 "(55.5 cm) min. cutout depth
30" (76.2 cm) models
- 30" (76.2 cm) minimum cabinet width
- 18 5 / 8 " (47.3 cm) from bottom of cutout to bottom of upper cabinet door
- 40" (101.6 cm) bottom of cutout to floor (recommended)
- 28 1 / 2 " (72.4 cm) cutout width
- 1 1 / 2 " (3.8 cm) minimum bottom of cutout to top of cabinet door
- 17 5 / 8 " (44.7 cm) recommended cutout height (will fit cutout height from 17 3 / 8 " [44.1 cm] to 17 3 / 4 " [45.1 cm])
- 21 7 / 8 "(55.5 cm) min. cutout depth
Cabinet Dimensions - Flush Installation
A 231/4" (59.0 cm) minimum cutout depth is required. These dimensions will result in a 1/4" (6 mm) reveal on the top, a 1/4" (6 mm) reveal on the sides, and a 1/8" (3 mm) reveal on the bottom of the microwave oven. The front face of the cleats and platform will be visible and should be treated as a finished surface.
Front View

27" (68.6 cm) Models
- 5/8" (16 mm) top cleat*
- 27 1 / 4 " (69.2 cm) minimum width of flush inset cutout
- 25 1 / 2 " (64.8 cm) minimum width of opening
- 19" (48.3 cm) minimum height of flush inset cutout
- 17 5 / 8 " (44.7 cm) recommended cutout height
- 11/16" (1.7 cm) side cleat*
- 3/4" (1.9 cm) bottom cleat*
- Recommended junction box location
- 40" (101.6 cm) bottom of cutout to floor (recommended)
- 23 1 / 4 " (59.0 cm) minimum depth of cutout
- 1 3 / 8 " (3.5 cm) recess from front of cabinet
Side View

30" (76.2 cm) Models
- 5/8" (16 mm) top cleat*
- 30 1 / 4 " (76.8 cm) minimum width of flush inset cutout
- 28 1 / 2 " (72.4 cm) minimum width of opening
- 19" (48.3 cm) minimum height of flush inset cutout
- 17 5 / 8 " (44.7 cm) recommended cutout height
- 11/16" (1.7 cm) side cleat*
- 3/4" (1.9 cm) bottom cleat*
- Recommended junction box location
- 40" (101.6 cm) bottom of cutout to floor (recommended)
- 23 1 / 4 " (59.0 cm) minimum depth of cutout
- 1 3 / 8 " (3.5 cm) recess from front of cabinet
*Cleats must be recessed 13/8" (3.5 cm) from the front of the cabinet.
Minimum Installation Clearances
For proper installation, the following minimum clearances must exist above and below the cabinet opening.
Installation Above Single Built-In Oven

- Upper cabinet
- Lower single oven
- 1" (2.5 cm)
- 1" (2.5 cm) from top of oven
Approved models: KMBP100E and KMBP107E
Electrical Requirements
GROUNDING INSTRUCTIONS
For a grounded, cord-connected appliance:
This appliance must be grounded. In the event of a malfunction or breakdown, grounding will reduce the risk of electric shock by providing a path of least resistance for electric current. This appliance is equipped with a cord having an equipment-grounding conductor and a grounding plug. The plug must be plugged into an appropriate outlet that is properly installed and grounded in accordance with all local codes and ordinances.
Improper connection of the equipmentgrounding conductor can result in a risk of electric shock. Check with a qualified electrician or serviceman if you are in doubt as to whether the appliance is properly grounded. Do not modify the plug provided with the appliance: if it will not fit the outlet, have a proper outlet installed by a qualified electrician.
SAVE THESE INSTRUCTIONS
If codes permit and a separate ground wire is used, it is recommended that a qualified electrical installer determine that the ground path and the wire gauge are in accordance with local codes.
Check with a qualified electrical installer if you are not sure the oven is properly grounded.
This oven must be connected to a grounded metal, permanent wiring system.
Be sure that the electrical connection and wire size are adequate and in conformance with the National Electrical Code, ANSI/NFPA 70-latest edition or CSA Standards C22.1-94, Canadian Electrical Code, Part 1 and C22.2 No. O-M91-latest edition, and all local codes and ordinances.
A copy of the above code standards can be obtained from:
National Fire Protection Association
1 Batterymarch Park
Quincy, MA 02169-7471
CSA International
8501 East Pleasant Valley Road Cleveland, OH 44131-5575
Electrical Connection
To properly install your microwave oven, you must determine the type of electrical connection you will be using and follow the instructions provided for it here.
- Microwave oven must be connected to the proper electrical voltage and frequency as specified on the model/serial/rating plate. The model/serial/rating plate is located underneath the control panel along the oven vent.
- Model/serial/rating plate
- The microwave oven rated 120/240 V, 20 A, has 4 wires (L1, L2, N, and G) in the flex conduit, and should be connected to a 20 A maximum-rated circuit, overcurrent protected on both the L1 and L2 circuits.
- A time-delay fuse or circuit breaker is recommended.
- Flexible cable from the microwave oven should be connected directly to the junction box.
- Do not cut the conduit. The length of conduit provided is for serviceability of the microwave oven.
- A UL listed or CSA approved conduit connector must be provided.
- If the house has aluminum wiring, follow the procedure below:
Connect the aluminum wiring using special connectors and/or tools designed and UL listed for joining copper to aluminum.
Follow the electrical connector manufacturer's recommended procedure. Aluminum/copper connection must conform with local codes and industry accepted wiring practices.
For power requirements, refer to the following table:
| Voltage | Microwave With Convection Oven |
| 240 VAC | 19.9 A/3250 W |
| 208 VAC | 19.9 A/3250 W |
INSTALLATIONS
Spacer Kit Installation (For Microwave Ovens)
NOTE: The microwave oven spacer kit allows the microwave oven to be installed in an 173/8" - 173/4" (44.1 cm to 45.1 cm) maximum cutout height.
Assemble Spacer Kit
- Attach the bottom vent to spacer bars using four 3/8" (9.5 mm) hex-head washer screws.
NOTE: Spacer bar flanges should be facing out.
- Bottom vent
- Spacer bar flange
- Spacer bars
- 3/8" (9.5 mm) hex-head washer screws
Install Spacer Kit
- Center assembled microwave oven spacer kit against lower front edge of the cabinet cutout.
- Using an 1/8" (3.2 mm) drill bit, drill through the mounting holes in the spacer bars to create pilot holes.
- Attach the assembled spacer kit to the cabinet using four 3/4" (1.9 cm) (pan-head screws). Do not overtighten screws.
- 3/4" (1.9 cm) flat-head screws
- Spacer kit assembly
Prepare Built-In Oven
- Decide on the final location for the oven. Locate existing wiring to avoid drilling into or severing wiring during installation.
Excessive Weight Hazard Use two or more people to move and install or uninstall appliance. Failure to do so can result in back or other injury. - To avoid floor damage, set the Microwave Oven or Oven onto cardboard prior to installation. Do not use handle or any portion of the front frame for lifting.
- Remember to remove bottom vent from the foam packing on top of the Oven.
- Remove the shipping materials and tape from the Microwave Oven or Oven.
- Remove the hardware package from inside the bag containing literature.
- Remove and set aside racks and other parts from inside the Microwave Oven or Oven.
- Move Microwave Oven or Oven and cardboard close to the oven's final location.
Make Electrical Connection
Electrical Shock Hazard
Disconnect power before servicing. Use 12 gauge copper wire. Electrically ground oven. Failure to follow these instructions can result in death, fire, or electrical shock.
The microwave oven is manufactured with a neutral (white) power supply wire and a cabinet-connected green (or bare) ground wire.
- Disconnect power.
- Feed the flexible conduit from the oven through the opening in the cabinet.
- Remove junction box cover, if it is present.
- Install a UL listed or CSA approved conduit connector to the junction box.
- UL listed or CSA Approved conduit connector
- Route the flexible conduit from the oven to the junction box through a UL listed or CSA approved conduit connector.
- Tighten screws on conduit connector.
- Complete electrical connection.
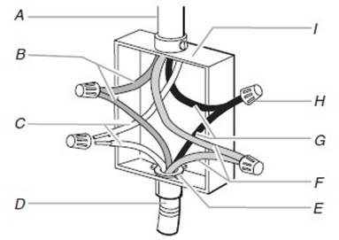
4-Wire Cable with Ground from Home Power Supply to Microwave Oven Cable with 4 Wires

- Cable from home power supply
- Green (or bare) wires
- White wires
- 4-wire cable from microwave oven
- UL listed or CSA Approved conduit connector
- Red wires
- Black wires
- UL listed wire connector
- Junction box
- Connect the 2 black wires (G) together using a UL listed wire connector.
- Connect the 2 white wires (C) together using a UL listed wire connector.
- Connect the 2 red wires (F) together using a UL listed wire connector.
- Connect the 2 green (or bare) wires (B) together using a UL listed wire connector.
- Install junction box cover.
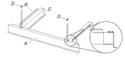
Install Microwave Oven
- Using 2 or more people, lift the microwave oven partially into the cabinet cutout. If a spacer kit has been installed, lift the microwave oven over it and position the microwave oven between the guide strips.
- Spacer bar flange
- Spacer bar
- Microwave oven
- Push against the front frame of the microwave oven to insert oven into cabinet. Push microwave oven completely into cabinet and center in cabinet cutout.
NOTE: Open microwave oven door and push against seal area of microwave oven front frame when pushing microwave oven into cabinet. Do not push against outside edges.
![]()
- Using an 1/8" (3.2 mm) drill bit, predrill pilot holes through the mounting rails on each side of the microwave oven.
- Securely fasten microwave oven to cabinet using two 3/4" pan-head screws provided. Insert the screws through holes in mounting rails. Do not overtighten screws.
- Mounting rail
- Truss-head screws
- Replace turntable roller, turntable, and support hub.
- Reconnect power.
- Display panel will light briefly and the clock should appear in the display.
- If display panel does not light, please reference the "Online Ordering Information" section of the Quick Start Guide or contact the dealer from whom you purchased your microwave oven.
Complete Installation
- Check that all parts are now installed. If there is an extra part, go back through the steps to see which step was skipped.
- Check that you have all of your tools.
- Dispose of/recycle all packaging materials.
Check Operation of Microwave Oven
- Fill a microwave-safe container with 1 cup (250 mL) of water and place container on the turntable inside the microwave oven. Close door firmly.
- Touch COOK.
- Set power level, temperature, and cook time to "2:00" minutes.
- Press START.
If microwave oven does not operate, check the following:- Household fuse is intact and tight or circuit breaker has not tripped.
- Electrical supply is connected.
- See the online "Troubleshooting".
When the display reads "1:00" minute, open the microwave oven door. The microwave oven should stop cooking. Close door firmly. The interior microwave oven light should turn off.
- Touch START to resume a preset cycle. The microwave oven should begin cooking and the microwave oven interior light should be ON.
Let microwave oven complete cooking time. Tones will sound at the end of the cooking time and the microwave oven will shut off. - Open microwave oven door and slowly remove container. Water in container should be hot.
- To set the clock and other microwave oven functions, refer to the Quick Start Guide.
If you need Assistance or Service:
Please reference the "Online Ordering Information" section of the Quick Start Guide or contact the dealer from whom you purchased your built-in microwave oven.
BUILT-IN MICROWAVE/OVEN COMBINATION SAFETY
Save for local electrical inspector's use.
Your safety and the safety of others are very important.
We have provided many important safety messages in this manual and on your appliance. Always read and obey all safety messages.
This is the safety alert symbol.
This symbol alerts you to potential hazards that can kill or hurt you and others.
All safety messages will follow the safety alert symbol and either the word "DANGER" or "WARNING." These words mean:
You can be killed or seriously injured if you don't immediately follow instructions.
You can be killed or seriously injured if you don't follow instructions.
All safety messages will tell you what the potential hazard is, tell you how to reduce the chance of injury, and tell you what can happen if the instructions are not followed.
IMPORTANT SAFETY INSTRUCTIONS
To reduce the risk of fire, electric shock, or injury to persons when using the appliance, follow basic precautions, including the following:
- Proper Installation - The appliance, when installed, must be electrically grounded in accordance with local codes, or in the absence of local codes, with the National Electrical Code, ANSI/NFPA 70 or the Canadian Electrical Code, CSA C22.1-02. In Canada, the appliance must be electrically grounded in accordance with Canadian Electrical Code. Be sure your appliance is properly installed and grounded by a qualified technician.
- Never Use Your Appliance for Warming or Heating the Room.
- Do Not Leave Children Alone - Children should not be left alone or unattended in area where appliance is in use. They should never be allowed to sit or stand on any part of the appliance.
- Wear Proper Apparel – Loose-fitting or hanging garments should never be worn while using the appliance.
- User Servicing – Do not repair or replace any part of the appliance unless specifically recommended in the manual. All other servicing should be referred to a qualified technician.
- Storage in or on Appliance – Flammable materials should not be stored in an oven or near surface units.
- This appliance is not intended for storage.
- Do Not Use Water on Grease Fires – Smother fire or flame or use dry chemical or foam-type extinguisher.
- Do not use replacement parts that have not been recommended by the manufacturer (e.g. parts made at home using a 3D printer).
- Use Only Dry Potholders – Moist or damp potholders on hot surfaces may result in burns from steam. Do not let potholder touch hot heating elements. Do not use a towel or other bulky cloth.
- Use Care When Opening Door – Let hot air or steam escape before removing or replacing food.
- DO NOT TOUCH HEATING ELEMENTS OR INTERIOR SURFACES OF OVEN – Heating elements may be hot even though they are dark in color. Interior surfaces of an oven become hot enough to cause burns. During and after use, do not touch, or let clothing or other flammable materials contact heating elements or interior surfaces of oven until they have had sufficient time to cool. Other surfaces of the appliance may become hot enough to cause burns – among these surfaces are the coil and cooktop elements, oven vent openings and surfaces near these openings, oven doors, and windows of oven doors.
- Do Not Heat Unopened Food Containers – Build-up of pressure may cause container to burst and result in injury.
- Keep Oven Vent Ducts Unobstructed.
- Placement of Oven Racks – Always place oven racks in desired location while oven is cool. If rack must be moved while oven is hot, do not let potholder contact hot heating element in oven.
For self-cleaning ovens:
DO NOT LEAVE FOOD OR COOKING UTENSILS, ETC., IN OVEN DURING THE PYROLYTIC SELF-CLEANING MODE OF OPERATION."- Do Not Clean Door Gasket – The door gasket is essential for a good seal. Care should be taken not to rub, damage, or move the gasket.
- Do not use a protective coating to line the oven and do not use commercial oven cleaner unless Certified for use in a self-cleaning oven.
- Clean Only Parts Listed.
SAVE THESE INSTRUCTIONS
When using electrical appliances basic safety precautions should be followed, including the following:
To reduce the risk of burns, electric shock, fire, injury to persons, or exposure to excessive microwave energy:
- Before Self-Cleaning the Oven – Remove broiler pan and other utensils, and wipe off all excessive spillage.
For smart enabled ranges and ovens:
- Remote Operation – This appliance is configurable to allow remote operation at any time. Do not store any flammable materials or temperature sensitive items inside, on top or near surface units of the appliance.
- Read all instructions before using the appliance.
- Read and follow the specific "PRECAUTIONS TO AVOID POSSIBLE EXPOSURE TO EXCESSIVE MICROWAVE ENERGY" found in this manual.
- This appliance must be grounded. Connect only to properly grounded outlet. See "GROUNDING INSTRUCTIONS" found in this section.
- Install or locate this appliance only in accordance with the provided Installation Instructions.
- Some products such as whole eggs and sealed containers for example, closed glass jars - are able to explode and should not be heated in this oven.
- Use this appliance only for its intended use as described in the manual. Do not use corrosive chemicals or vapors in this appliance. This type of oven is specifically designed to heat, cook, or dry food. It is not designed for industrial or laboratory use.
- As with any appliance, close supervision is necessary when used by children.
- Do not operate this appliance if it has a damaged cord or plug, if it is not working properly, or if it has been damaged or dropped.
- This appliance should be serviced only by qualified service personnel. Contact nearest authorized service facility for examination, repair, or adjustment.
- Do not cover or block any openings on the appliance.
- Do not store this appliance outdoors. Do not use this product near water – for example, near a kitchen sink, in a wet basement, near a swimming pool, or similar locations.
- Do not immerse cord or plug in water.
- Keep cord away from heated surfaces.
- Do not let cord hang over edge of table or counter.
- Do not use replacement parts that have not been recommended by the manufacturer (e.g. parts made at home using a 3D printer).
- See door surface cleaning instructions in the Microwave Oven and Maintenance Care section.
- To reduce the risk of fire in the oven cavity:
- Do not overcook food. Carefully attend appliance when paper, plastic, or other combustible materials are placed inside the oven to facilitate cooking.
- Remove wire twist-ties from paper or plastic bags before placing bag in oven.
- If materials inside the oven ignite, keep oven door closed, turn oven off, and disconnect the power cord, or shut off power at the fuse or circuit breaker panel.
- Do not use the cavity for storage purposes. Do not leave paper products, cooking utensils, or food in the cavity when not in use.
- Liquids, such as water, coffee, or tea are able to be overheated beyond the boiling point without appearing to be boiling. Visible bubbling or boiling when the container is removed from the microwave oven is not always present.
THIS COULD RESULT IN VERY HOT LIQUIDS SUDDENLY BOILING OVER WHEN THE CONTAINER IS DISTURBED OR A UTENSIL IS INSERTED INTO THE LIQUID.
For microwave ovens not intended for use above another heating appliance:
- Do not operate any heating or cooking appliance beneath this appliance.
- Do not mount unit over or near any portion of a heating or cooking appliance.
- Do not mount over a sink.
- Do not store anything directly on top of the appliance surface when the appliance is in operation.
SAVE THESE INSTRUCTIONS
PRECAUTIONS TO AVOID POSSIBLE EXPOSURE TO EXCESSIVE MICROWAVE ENERGY
- Do not attempt to operate this oven with the door open since open-door operation can result in harmful exposure to microwave energy. It is important not to defeat or tamper with the safety interlocks.
- Do not place any object between the oven front face and the door or allow soil or cleaner residue to accumulate on sealing surfaces.
- Do not operate the oven if it is damaged. It is particularly important that the oven door close properly and that there is no damage to the:
- Door (bent),
- Hinges and latches (broken or loosened),
- Door seals and sealing surfaces
- The oven should not be adjusted or repaired by anyone except properly qualified service personnel.
Download manual
Here you can download full pdf version of manual, it may contain additional safety instructions, warranty information, FCC rules, etc.
Download KitchenAid KMBP107 - 27" Built In Microwave Oven with Convection Cooking Manual



Need help?
Do you have a question about the KMBP107 and is the answer not in the manual?