Kenwood XR600-1 - Class D Mono Power Amplifier Manual

Safety precautions
To prevent injury or fire, take the following precautions:
- Mounting and wiring this product requires skills and experience. For safety's sake, leave the mounting and wiring work to professionals.
- When extending the ignition, battery, or ground wires, make sure to use automotive-grade wires or other wires with the range of 14 mm2 (AWG 6) to 21 mm2 (AWG 4) to prevent wire deterioration and damage to the wire coating.
- To prevent a short circuit, never put or leave any metallic objects (such as coins or metal tools) inside the unit.
- If the unit starts to emit smoke or strange smells, turn off the power immediately and consult your Kenwood dealer.
- Do not touch the unit during use because the surface of the unit becomes hot and may cause burns if touched.
To prevent damage to the machine, take the following precautions:
- Be sure the unit is connected to a 12V DC power supply with a negative ground connection.
- Do not open the top or bottom covers of the unit.
- Do not install the unit in a spot exposed to direct sunlight or excessive heat or humidity. Also avoid places with too much dust or the possibility of water splashing.
- When replacing a fuse, only use a new one with the prescribed rating. Using a fuse with the wrong rating may cause your unit to malfunction.
- To prevent a short circuit when replacing a fuse, first disconnect the wiring harness.
NOTE
- If you experience problems during installation, consult your Kenwood dealer.
- If the unit does not seem to be working right, consult your Kenwood dealer.
Cleaning the unit
If the front panel gets dirty, turn off the power and wipe the panel with a dry silicon cloth or soft cloth.
Do not wipe the panel with a hard cloth or a cloth dampened by volatile solvents such as paint thinner and alcohol. They can scratch the surface of the panel and/or cause the indicator letters to peel off.
To prevent battery rise
When the unit is used in the ACC ON position without turning the engine ON, it depletes the battery. Use it after starting the engine.
Protection function
The protection function is activated in the following situations:
This unit is equipped with a protection function for protecting this unit and your speakers from various accidents or problems that can occur.
When the protection function is triggered, the power indicator goes off and the amplifier stops operating.
- When a speaker wire may be short-circuited.
- When a speaker output contacts ground.
- When the unit malfunctions and a DC signal is sent to the speaker output.
- When the internal temperature is high and unit won't operate.
Wiring
- Take the battery wire for this unit directly from the battery. If it's connected to the vehicle's wiring harness, it can cause blown fuses etc.
- If a buzzing noise is heard from the speakers when the engine is running, connect a line noise filter (optional) to each of the battery wire.
- Do not allow the wire to directly contact the edge of the iron plate by using Grommets.
- Connect the ground wire to a metal part of the car chassis that acts as an electrical ground passing electricity to the battery's negative · terminal. Do not turn the power on if the ground wire is not connected.
- Be sure to install a protective fuse in the power cord near the battery. The protective fuse should be the same capacity as the unit's fuse capacity or somewhat larger. • For the power cord and ground, use a vehicle type (fireproof) power wring cord. (Use a power wiring cord with the range of 14 mm2 (AWG 6) to 21 mm2 (AWG 4).
- When more than one power amplifier are going to be used, use a power supply wiring wire and protective fuse of greater current-handling capacity than the total maximum current drawn by each amplifier.
Speaker selection
- Using speakers with smaller input ratings than the amplifier's output power would result in smoke generation or equipment failure.
- Use speakers that have an impedance of 2Ω or greater. When more than one set of speakers are going to be used, calculate the combined impedance of the speakers and then connect suitable speakers to the amplifier.
![Kenwood - XR600-1 - Calculating the combined impedance Calculating the combined impedance]()
<Example>
Installation
Accessories
| 1 | ![]() Self-tapping screws | 4 |
| 2 | ![]() Hexagon wrench | 1 |
| 3 | ![]() Hexagon wrench | 1 |
| 4 | ![]() Hexagon wrench | 1 |

Installation procedure
Since there are large variety of settings and connections possible according to applications, read the instruction manual well to select the proper setting and connection.
- Remove the ignition key and disconnect the negative
terminal of the battery to prevent short circuits. - Set the unit according to the intended usage.
- Remove the Dressing cover.
- Connect the input and output wires of the units.
- Connect the speaker wires.
- Connect the power wire, power control wire and grounding wire following this order.
- Install the installation fittings in the unit.
- Attach the unit.
- Attach the Dressing cover.
- Connect the negative
terminal of the battery.
- Do not install in the below locations;
(Unstable location, In a location that interferes with driving, In a location that gets wet, In a dusty location, In a place that gets hot, In a place that gets direct sunlight, In a location that gets hit by hot air) - Do not install the unit under the carpet. Otherwise heat build-up occurs and the unit may be damaged.
- Install this unit in a location which allows heat to easily dissipate.
Once installed, do not place any object on top of the unit. - The surface temperature of the amplifier will become hot during use. Install the amplifier in a place where people, resins, and other substances that are sensitive to heat will not come into contact with it.
- When making a hole under a seat, inside the trunk, or somewhere else in the vehicle, check that there is nothing hazardous on the opposite side such as a gasoline tank, brake pipe, or wiring harness, and be careful not to cause scratches or other damage.
- Do not install near the dashboard, rear tray, or air bag safety parts.
- The installation to the vehicle should securely fasten the unit to a place in which it will not obstruct driving. If the unit comes off due to a shock and hits a person or safety part, it may cause injury or an accident.
- After installing the unit, check to make sure that electrical equipment such as the brake lamps, turn signal lamps and windshield wipers operate normally.
Connection

Particular attention must be given to making good electrical contact at the amplifier-output and speaker terminals.
Poor or loose connections can cause sparking or burning at the terminals because of the very high power that the amplifier can deliver.
- If sound is not output normally, immediately turn power off and check connections.
- Be sure to turn the power off before changing the setting of any switch.
- If the fuse blows, check wires for shorts, then replace the fuse with one of the same rating.
- Check that no unconnected wires or connectors are touching the car body. Do not remove caps from unconnected wires or connectors to prevent short circuits.
- Connect the speaker wires to appropriate speaker connectors separately. Sharing the negative wire of the speaker or grounding speaker wires to the metal body of the car can cause this unit to fail.
- After installation, check that the brake lamps, turn signal lamps and windshield wipers work properly.
Remove the ignition key and disconnect the negative
terminal of the battery to prevent short circuits.
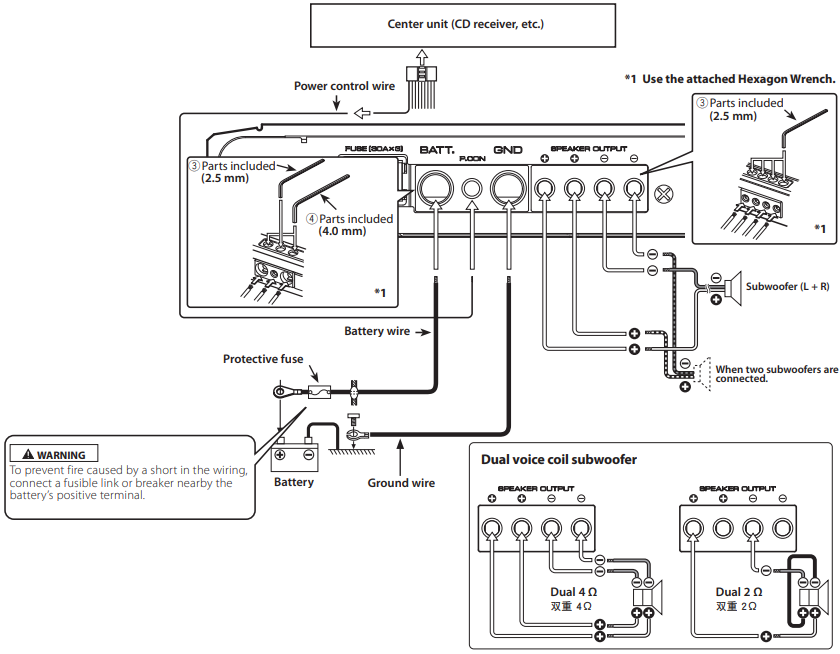
Power wire and speaker wire connection

To prevent fire caused by a short in the wiring, connect a fusible link or breaker nearby the battery's positive terminal.
RCA cable connections

About the Lead Terminals
- Wire Thicknesses
You can use wires with the following thicknesses:
| Battery wire and ground wire | AWG 4 – AWG 6 |
| Speaker wire | AWG 8 – AWG 16 |
- Strip the wire
Make a cut in the wire sheath (insulator made from vinyl, etc.) at the position 10-13 mm away from the end of the wire, and then remove the unnecessary portion of the sheath by twisting it. - Install the wire
Loosen the screw using the supplied hexagon wrench. Insert the conductor of the wire in the terminal hole, and then tighten the screw.
![Kenwood - XR600-1 - About the Lead Terminals - Installing the Wire About the Lead Terminals - Installing the Wire]()
Troubleshooting guide
What might appear to be a malfunction in your unit may just be the result of slight misoperation or miswiring.
Before calling service, first check the following table for possible problems.
| PROBLEM | POSSIBLE CAUSE | SOLUTION |
No sound(No sound from one side.)(Blown fuse.) |
|
|
The output level is too small (or too large) |
|
|
The sound quality is bad(The sound is distorted.) |
|
|
Controls

Insert the tip of thin-nose pliers into the slit, grasp the fuse and pull it out.
- Fuse (30 A x 3)
NOTE
If you can't find the specified capacity fuse at your store etc., consult your Kenwood dealer. - Battery terminal (BATT.)
- Power control terminal (P.CON)
Controls the unit ON/OFF.
NOTE
Controls the unit power. Be sure to connect it with all the systems. - Ground terminal (GND)
- SPEAKER OUTPUT terminals
As this unit accepts speakers with a minimum impedance of 2 ohm, connect speakers with 2- ohm or higher impedance to these terminals. - LINE IN terminal
- LINE OUT terminal
The signal that's input from the line input terminal is output. - INPUT SENSITIVITY control
Set this control according to the pre-output level of the center unit connected with this unit.
NOTE
For the pre-output level, refer to the <Specifications> in the instruction manual of the center unit. - BASS BOOST LEVEL control
Sets the low frequency level to be compensated. - LPF FREQUENCY control
This control adjusts the frequency band output from this unit. - Power indicator
When the power is turned on, the Power indicator lights.
Specifications
Specifications subject to change without notice.
| Audio section | ||
| Rated power output (+B = 14.4V) | ||
| (4 Ω) (20 Hz – 200 Hz, ≤ 1.0% THD) | 400 W × 1 | |
| (2 Ω) (100 Hz, ≤ 1.0% THD) | 600 W × 1 | |
| Speaker impedance | 4 Ω (2 Ω – 8 Ω allowable) | |
| Frequency Response (+0, –1 dB) | 20 Hz – 200 Hz | |
| Input sensitivity (RCA). | 0.2 V – 5.0 V | |
| Signal to noise ratio | 100 dB | |
| Input impedance | 10 kΩ | |
| Low pass filter frequency (-24 dB/oct.) | 50 Hz – 200 Hz (variable) | |
| Bass Boost Control (40 Hz) | 0 – +18 dB (variable) | |
| General | ||
| Operating voltage | 14.4 V (11 – 16 V allowable) | |
| Current consumption. | 46 A | |
| Dimensions (W × H × D) | 220 × 35 × 169 mm | |
| Weight | 1.6 kg | |

Download manual
Here you can download full pdf version of manual, it may contain additional safety instructions, warranty information, FCC rules, etc.
Download Kenwood XR600-1 - Class D Mono Power Amplifier Manual






of the terminals and wires well.
Need help?
Do you have a question about the XR600-1 and is the answer not in the manual?